GM Service Manual Online
For 1990-2009 cars only
Makes
🢒
Pontiac
🢒
2007
🢒
Wave
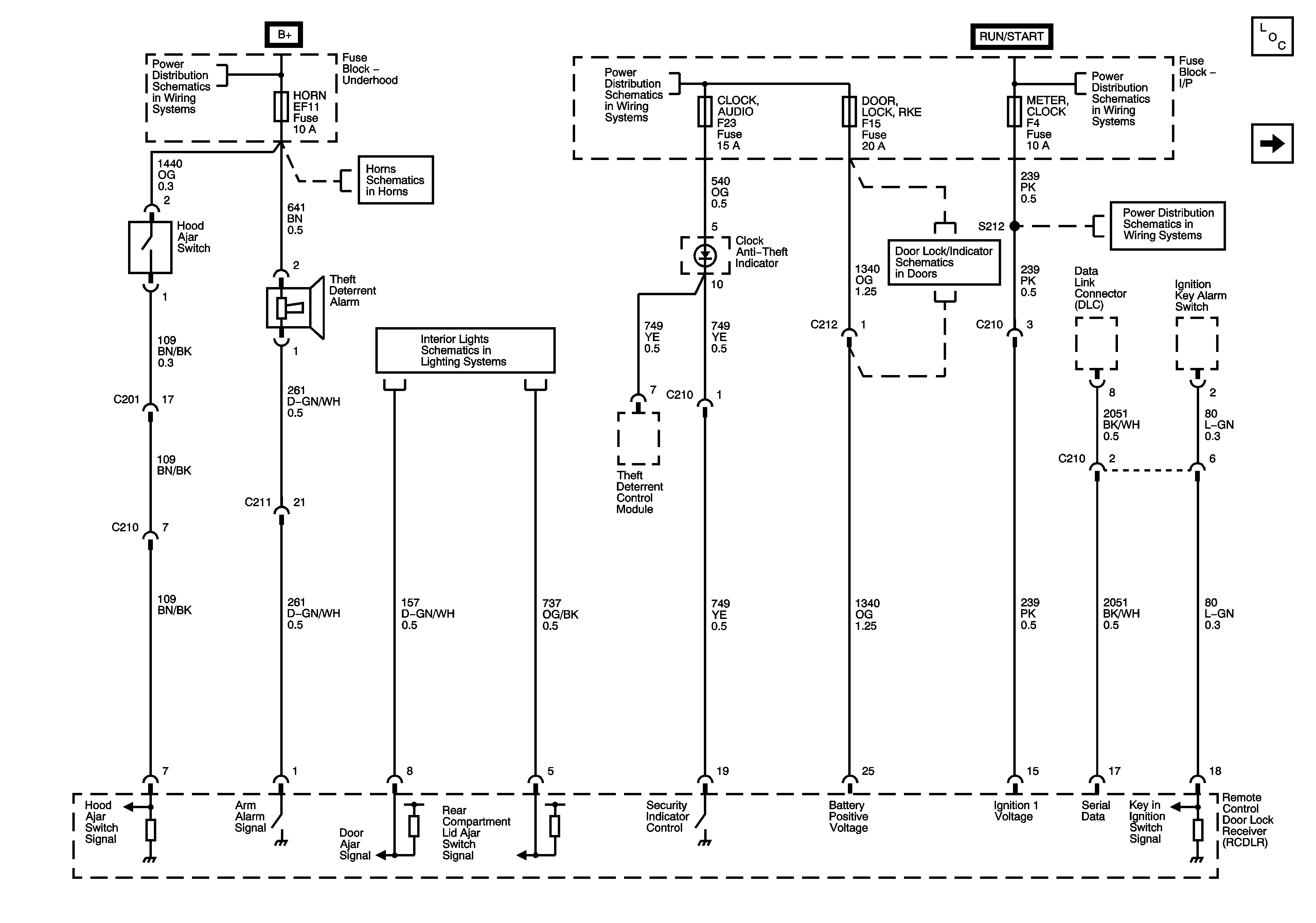
🢒 Theft Deterrent and RKE Power and Ground
Theft Deterrent and RKE Power and Ground
Theft Deterrent and RKE Power and Ground
Master Electrical Component List (Hatchback)
Door Lock and Tamper Switches
Battery Feed
Battery Feed
Battery Feed
Horn
Door Locks
Battery Feed
Lamp Control Module