GM Service Manual Online
For 1990-2009 cars only
Makes
🢒
Pontiac
🢒
2007
🢒
Wave
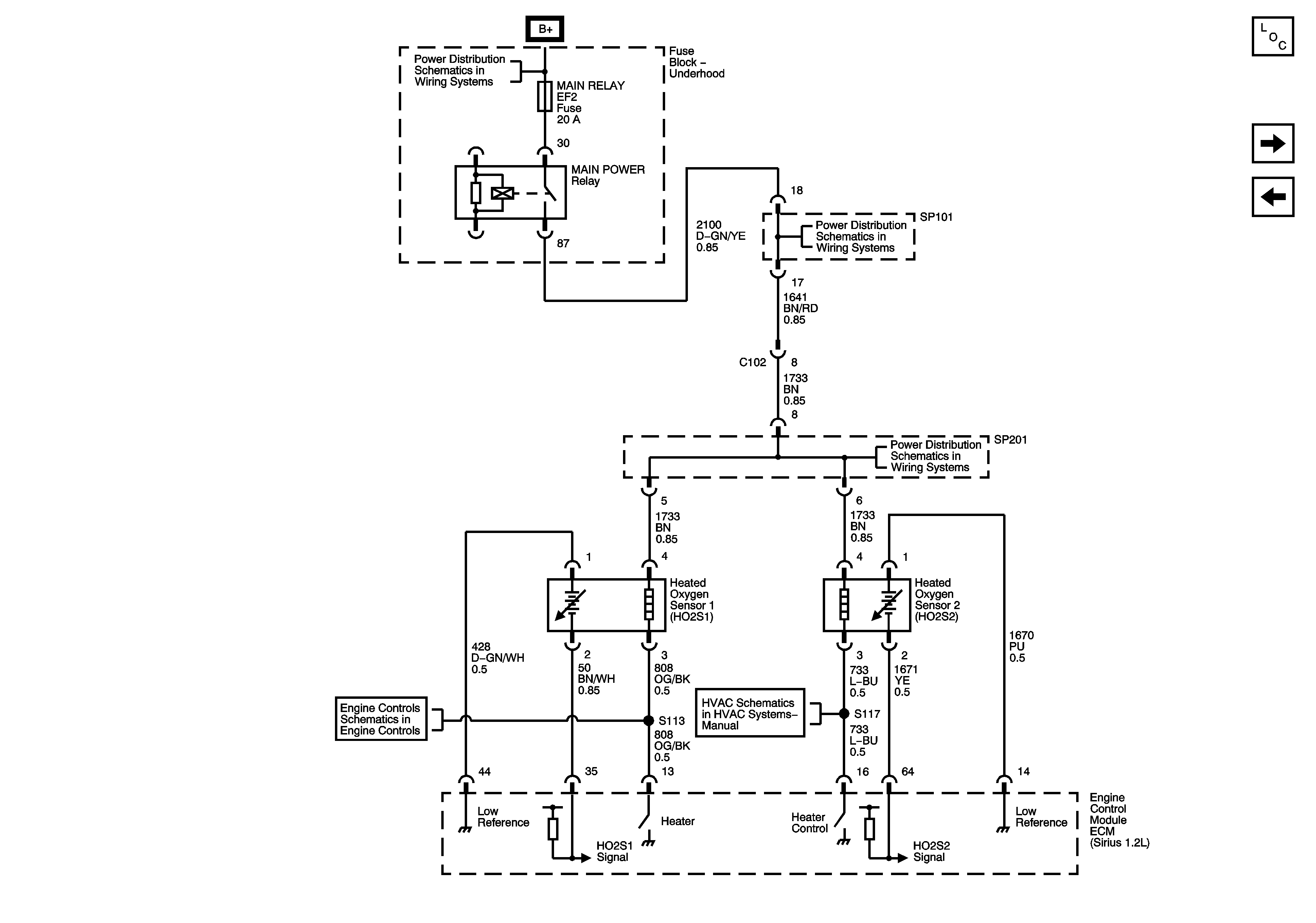
🢒 Oxygen Sensors
Oxygen Sensors
Oxygen Sensors
Master Electrical Component List Hatchback
Fuel System
Throttle Control
Battery Feed
Battery Feed
Battery Feed
Power, Ground and MIL
Manual - Blower Controls
Battery Feed