GM Service Manual Online
For 1990-2009 cars only
Makes
🢒
Pontiac
🢒
2007
🢒
Wave
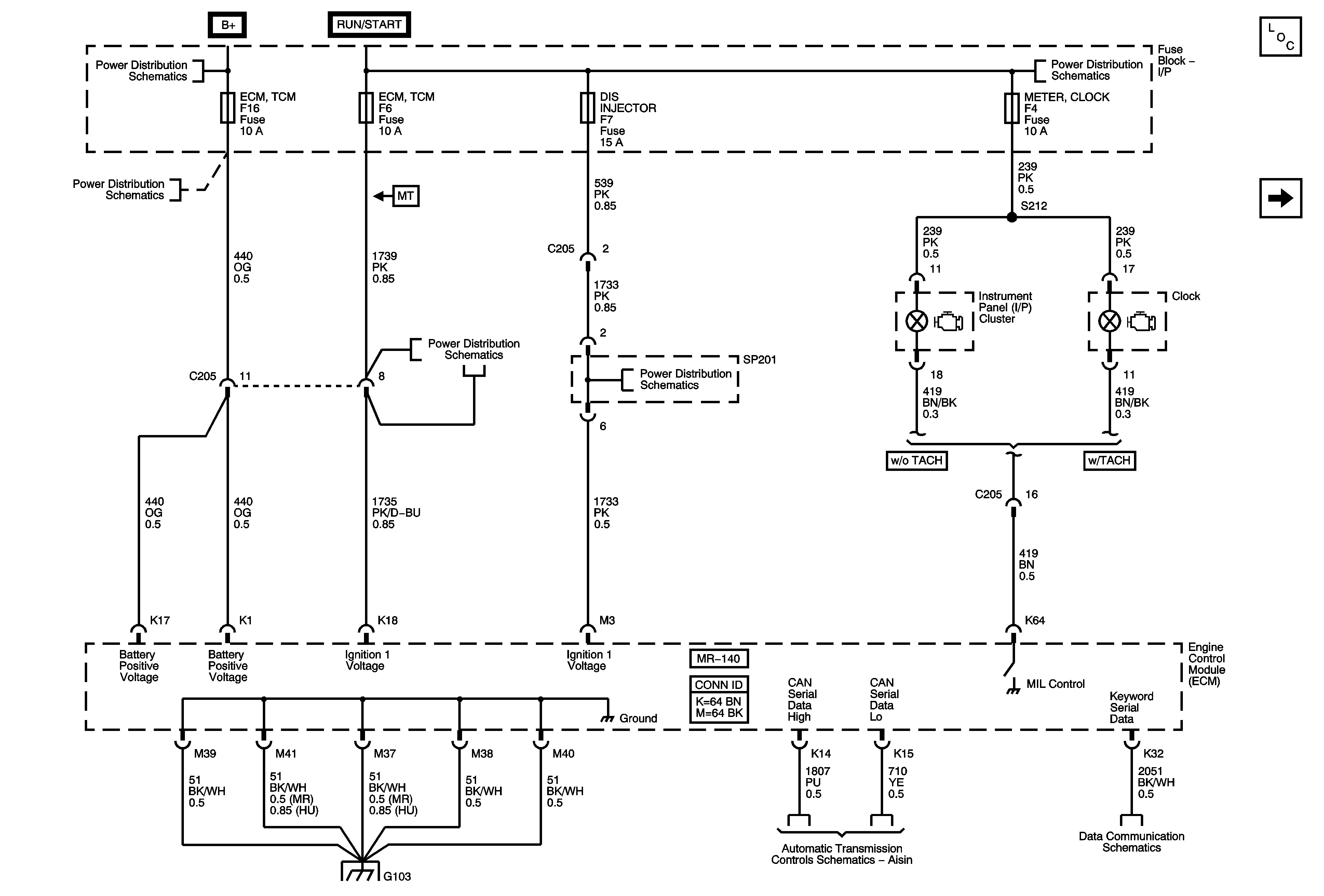
🢒 Power, Ground and MIL 1.4L DOHC
Power, Ground and MIL 1.4L DOHC
Power, Ground and MIL
Master Electrical Component List Hatchback
Data Sensors 1.4L DOHC
Battery Feed
Battery Feed
Battery Feed
Battery Feed
Battery Feed
Ground Distrbution G103 - 1.2L
Power and Grounds
Data Communications