GM Service Manual Online
For 1990-2009 cars only
Makes
🢒
Pontiac
🢒
2007
🢒
Wave
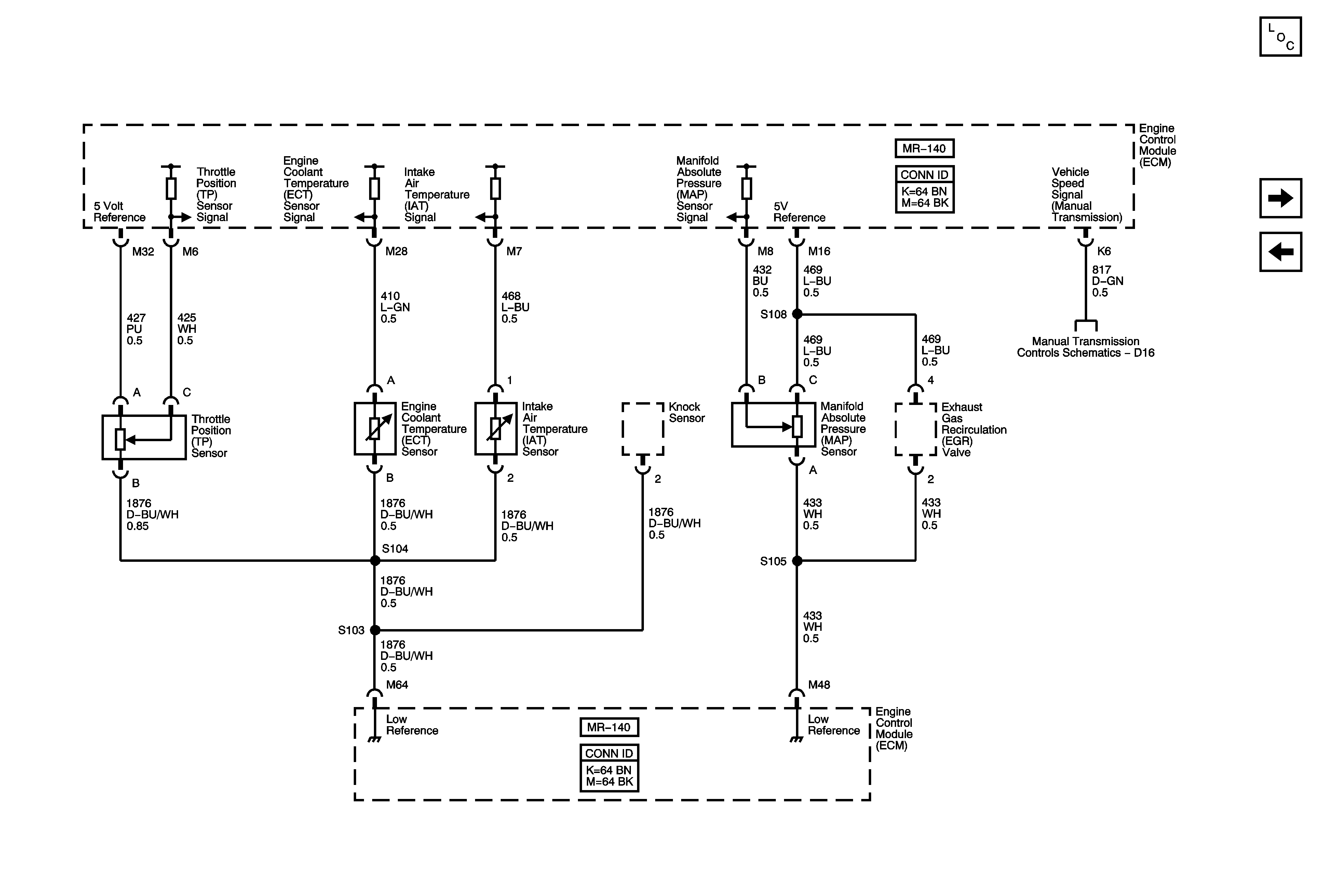
🢒 Data Sensors 1.4L DOHC
Data Sensors 1.4L DOHC
Data Sensors
Master Electrical Component List Hatchback
Ignition Controls 1.4L DOHC
Power, Ground and MIL 1.4L DOHC
VSS 1.6L