GM Service Manual Online
For 1990-2009 cars only
Makes
🢒
Pontiac
🢒
2007
🢒
Wave
🢒 Data Communications
Data Communications
Master Electrical Component List Hatchback
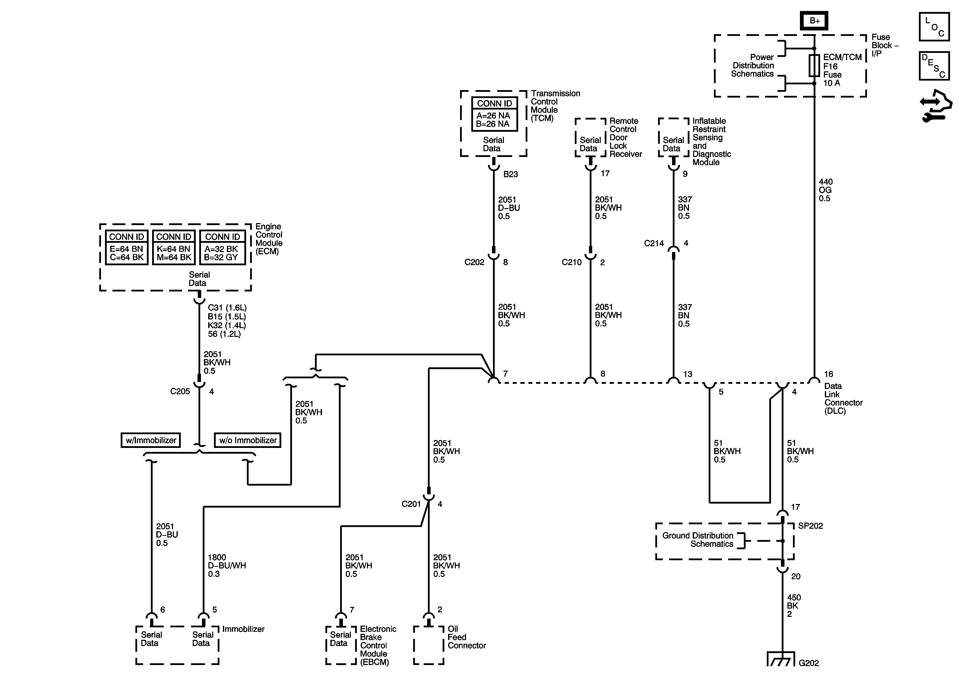
Data Link Communications Description and Operation
Control Module References
Battery Feed
Ground Distribution G101, G102 - 1 of 2 and G105
Ground Distribution G202 - 1 of 3