GM Service Manual Online
For 1990-2009 cars only
Makes
🢒
Pontiac
🢒
2007
🢒
Wave
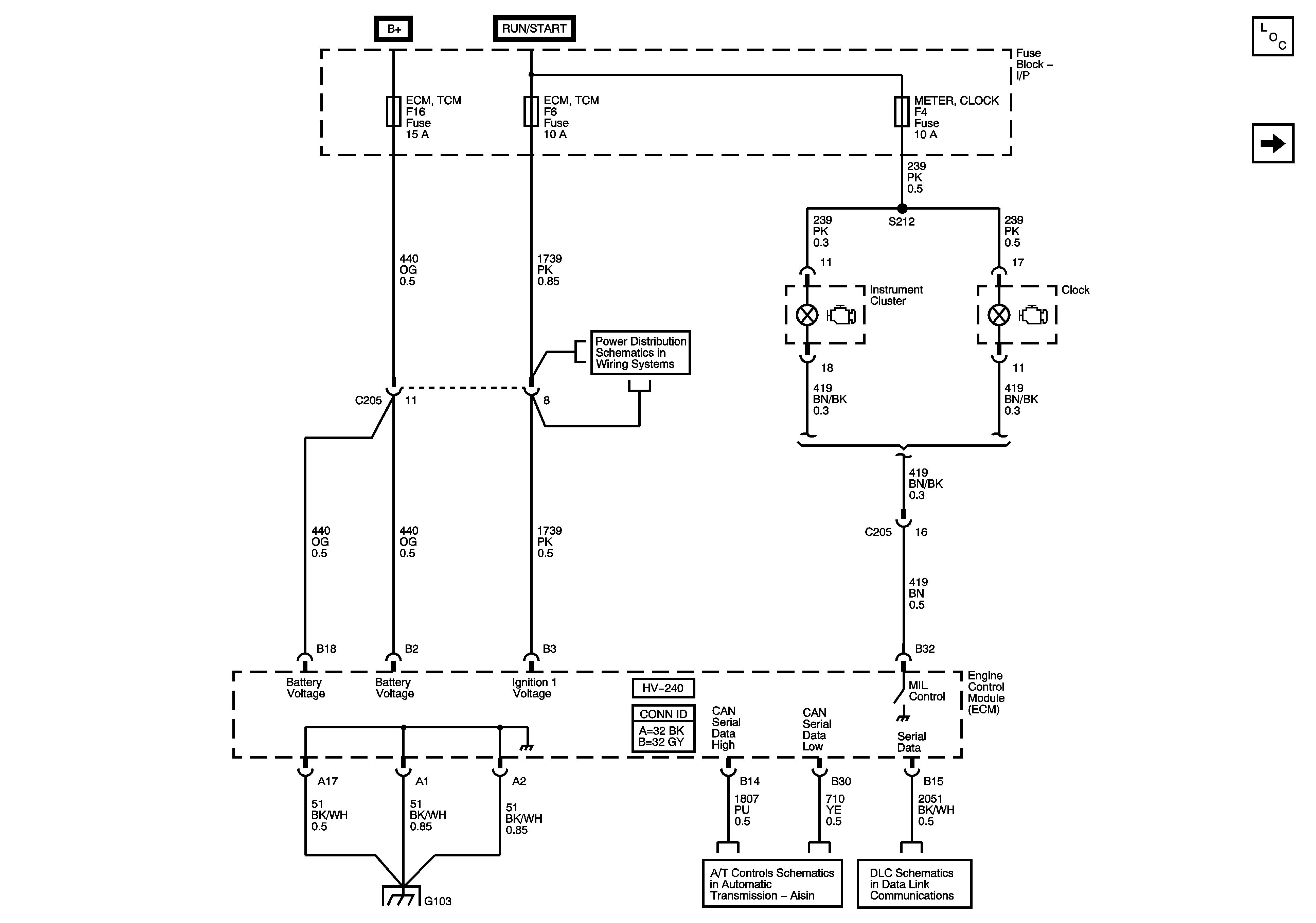
🢒 Power, Ground and MIL 1.5L
Power, Ground and MIL 1.5L
Power, Ground and MIL
Master Electrical Component List Hatchback
Data Sensors 1.5L
Battery Feed
Ground Distrbution G103 - 1.2L
Power and Grounds
Data Communications