GM Service Manual Online
For 1990-2009 cars only
Makes
🢒
Pontiac
🢒
2007
🢒
Wave
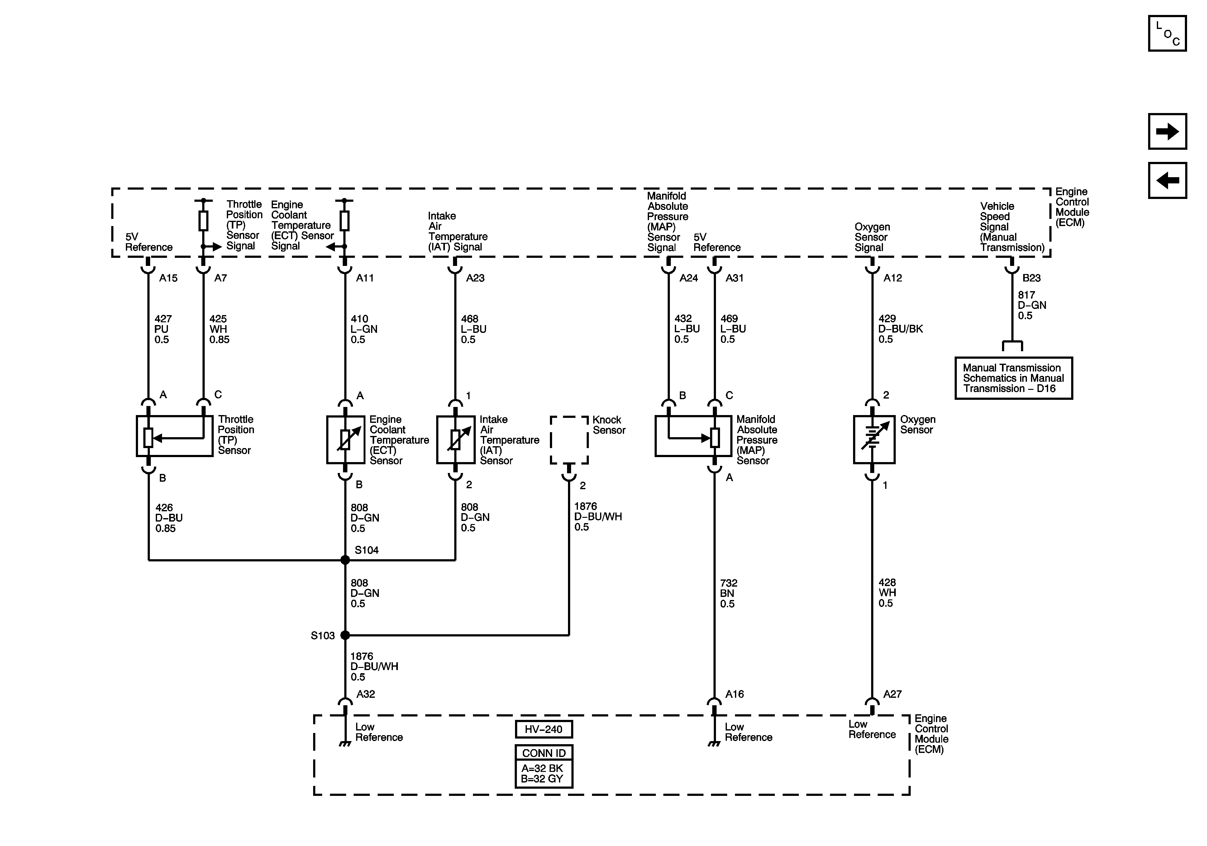
🢒 Data Sensors 1.5L
Data Sensors 1.5L
Data Sensors
Master Electrical Component List Hatchback
Ignition System 1.5L
Power, Ground and MIL 1.5L
VSS 1.6L