GM Service Manual Online
For 1990-2009 cars only
Makes
🢒
Pontiac
🢒
2007
🢒
Wave
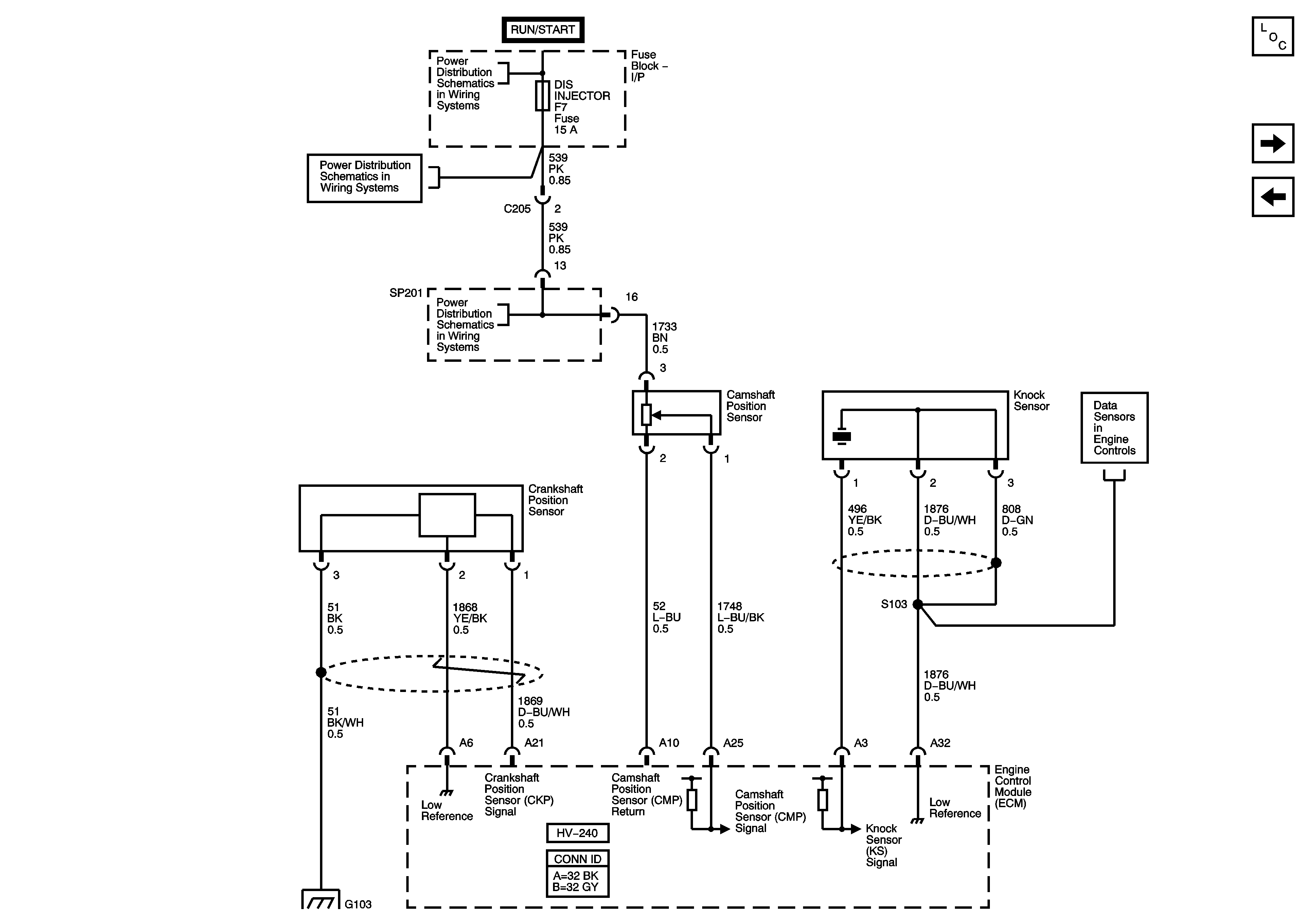
🢒 Ignition Sensors 1.5L
Ignition Sensors 1.5L
Ignition Sensors
Master Electrical Component List (Hatchback)
Fuel System 1.5L
Ignition System 1.5L
Battery Feed
Battery Feed
Battery Feed
Data Sensors 1.5L
Ground Distrbution G103 - 1.2L