GM Service Manual Online
For 1990-2009 cars only
Makes
🢒
Pontiac
🢒
2007
🢒
Wave
🢒 Fuel System 1.5L
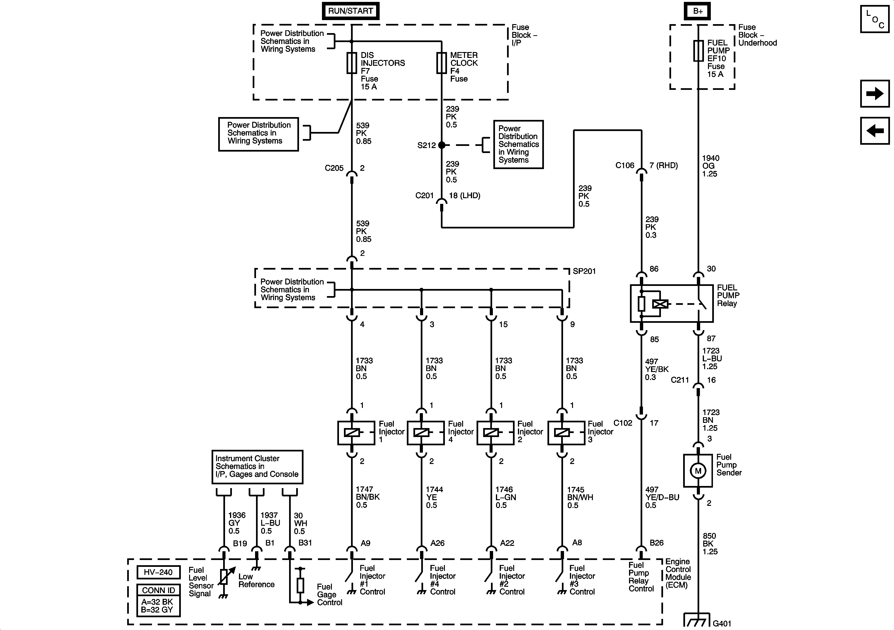
Fuel System 1.5L
Fuel System
Master Electrical Component List (Hatchback)
EVAP, IAC Valve and Octane Selector 1.5L
Ignition Sensors 1.5L
Battery Feed
Battery Feed
Battery Feed
Battery Feed
Instrument Cluster Gages 1.2L
Ground Distribution G401