GM Service Manual Online
For 1990-2009 cars only
Makes
🢒
Pontiac
🢒
2007
🢒
Wave
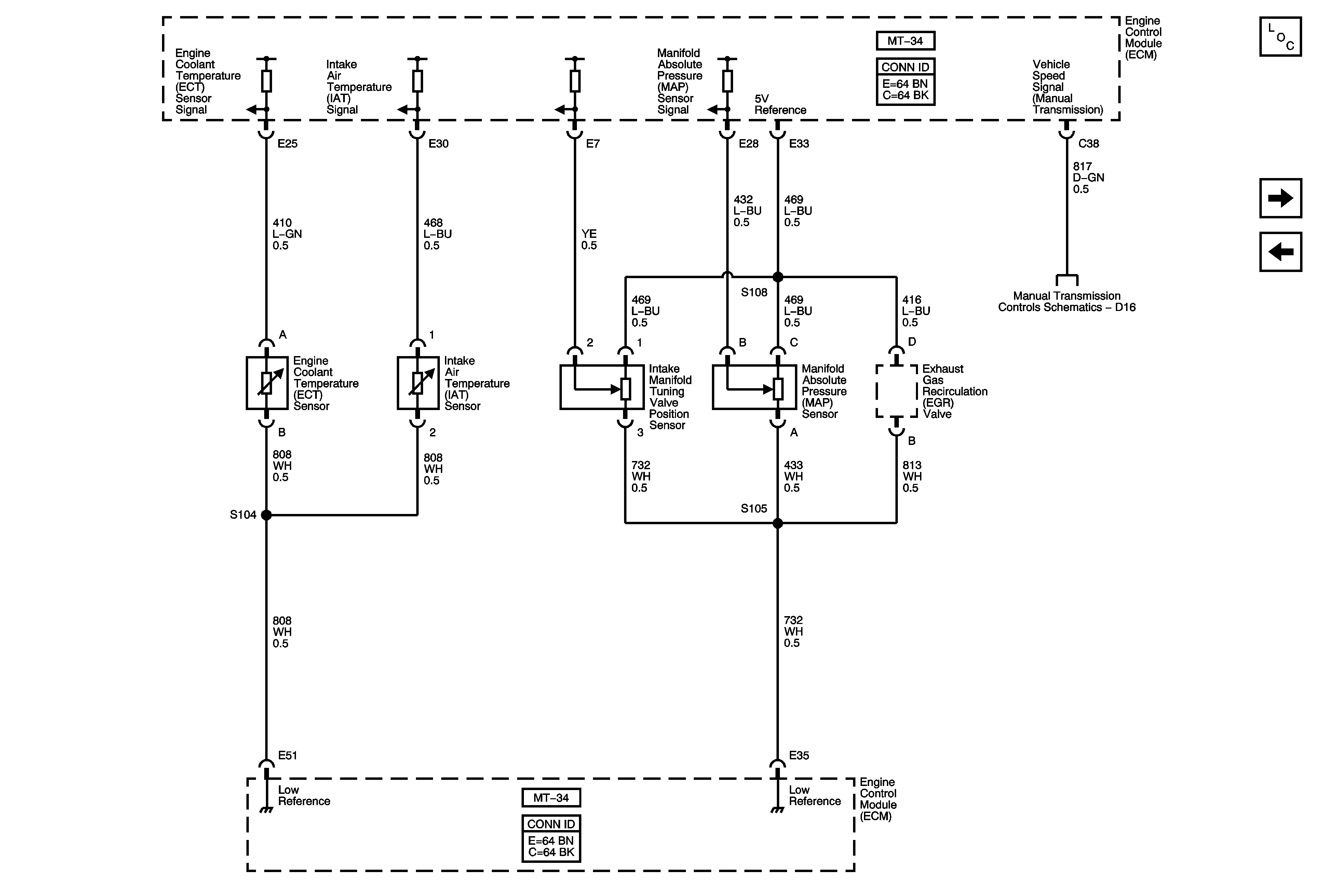
🢒 Data Sensors
Data Sensors
Data Sensors
Master Electrical Component List Hatchback
Accelerator Pedal Position (APP) Sensor
Power, Ground and MIL 1.6L
VSS 1.6L