GM Service Manual Online
For 1990-2009 cars only
Makes
🢒
Pontiac
🢒
2007
🢒
Wave
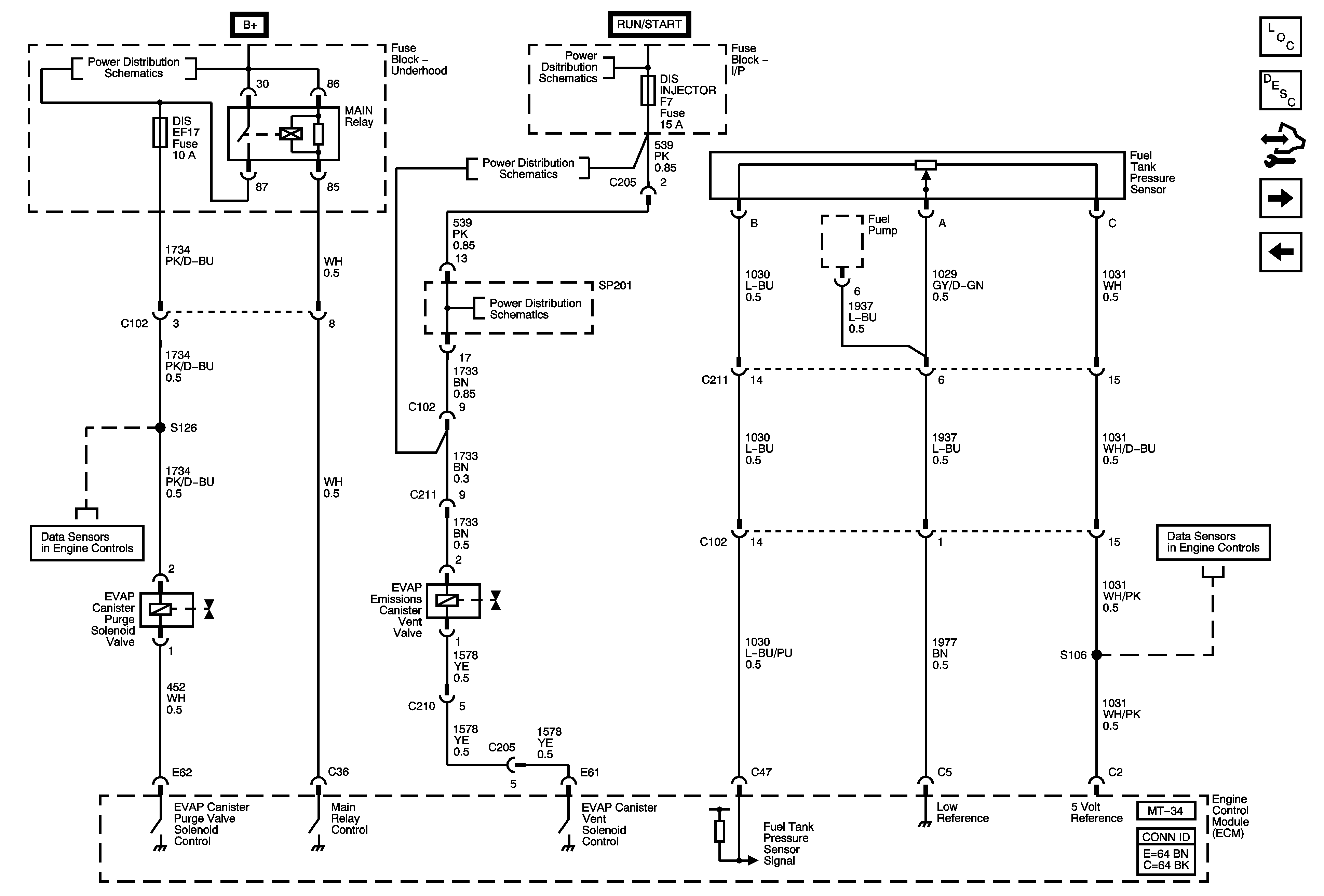
🢒 EVAP Controls
EVAP Controls
EVAP Controls
Master Electrical Component List Hatchback
Intake and Exhaust Valves
Fuel Injectors
Battery Feed
Battery Feed
Battery Feed
Battery Feed
Battery Feed
Data Sensors
Data Sensors