GM Service Manual Online
For 1990-2009 cars only
Makes
🢒
Pontiac
🢒
2007
🢒
Wave
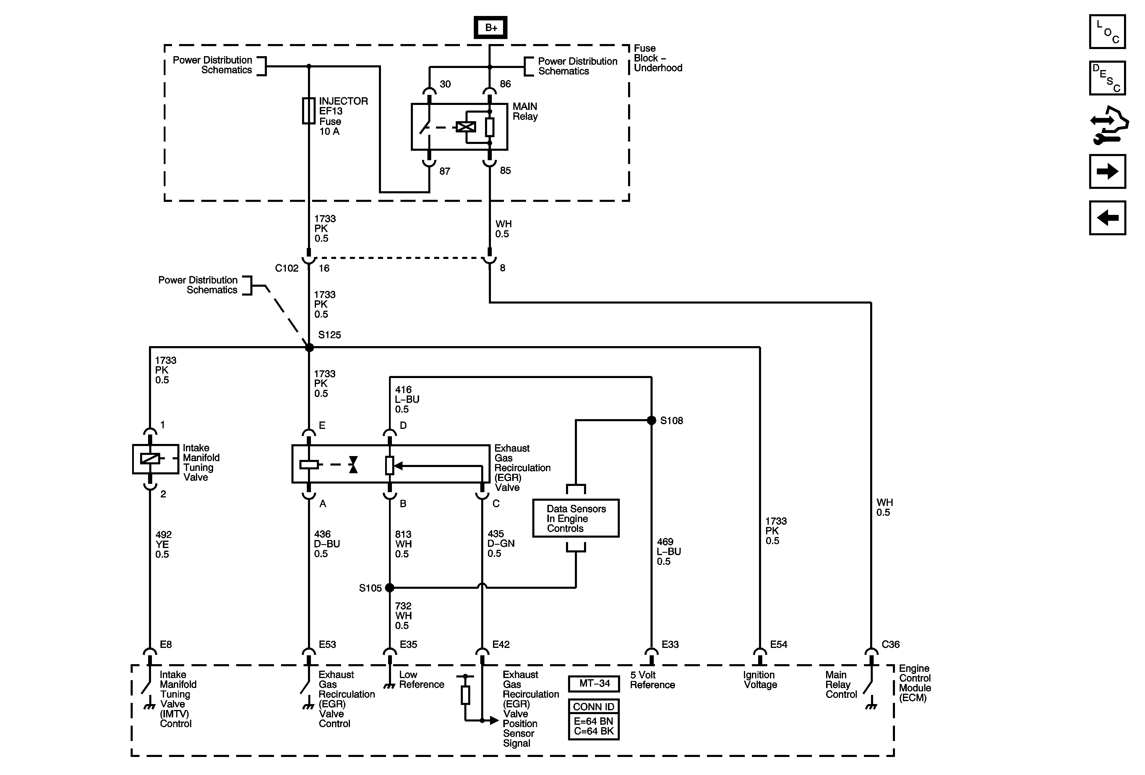
🢒 Intake and Exhaust Valves
Intake and Exhaust Valves
Intake, Exhaust Valves
Master Electrical Component List Hatchback
Subsystem References
EVAP Controls
Battery Feed
Battery Feed
Battery Feed
Data Sensors