GM Service Manual Online
For 1990-2009 cars only
Makes
🢒
Pontiac
🢒
2007
🢒
Wave
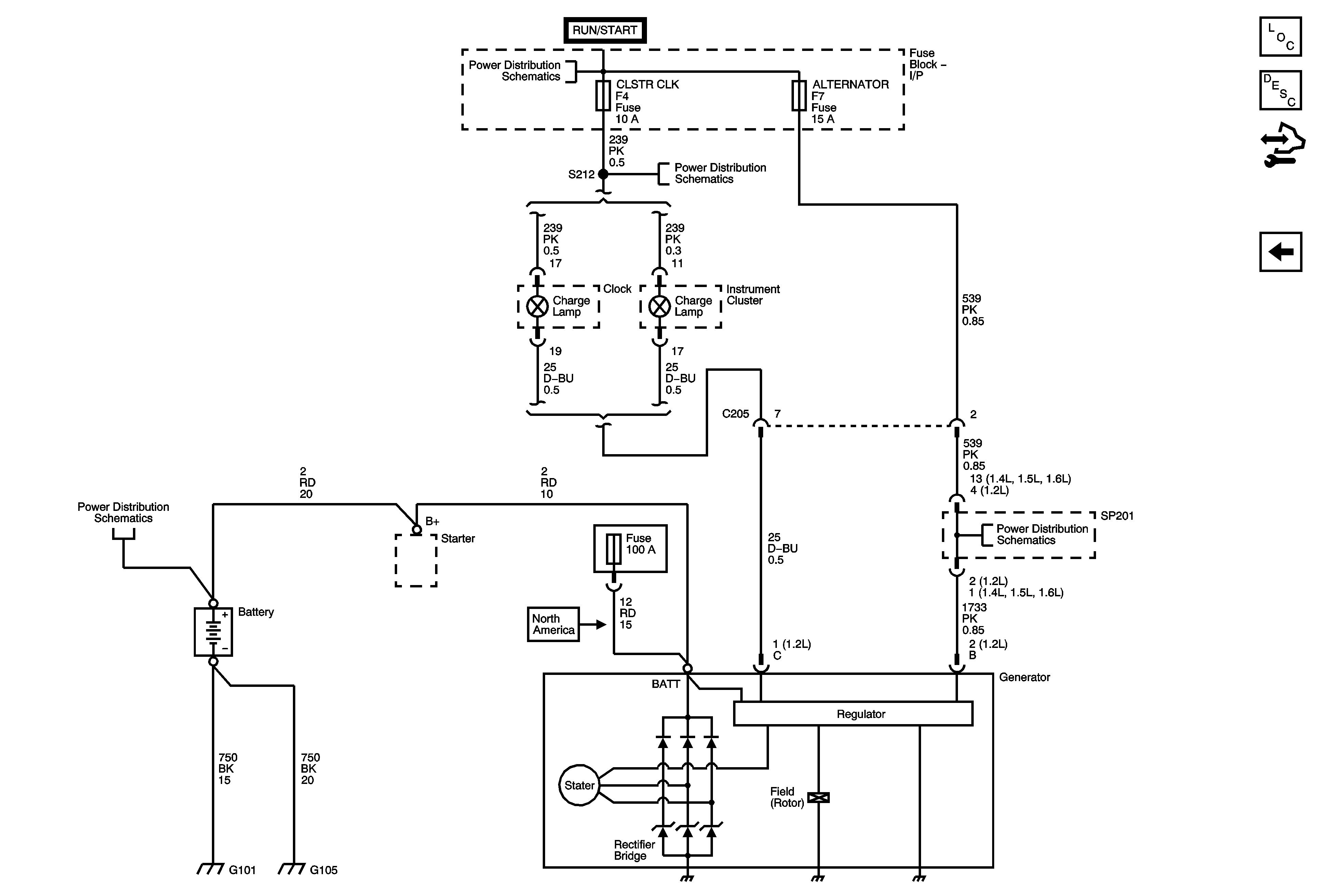
🢒 Charging System
Charging System
Charging System
Master Electrical Component List Hatchback
Charging System Description and Operation
Control Module References
Starting System
Battery Feed
Battery Feed
Battery Feed
Ground Distribution G101, G102 - 1 of 2 and G105