GM Service Manual Online
For 1990-2009 cars only
Makes
🢒
Pontiac
🢒
2007
🢒
Wave
🢒 Starting System
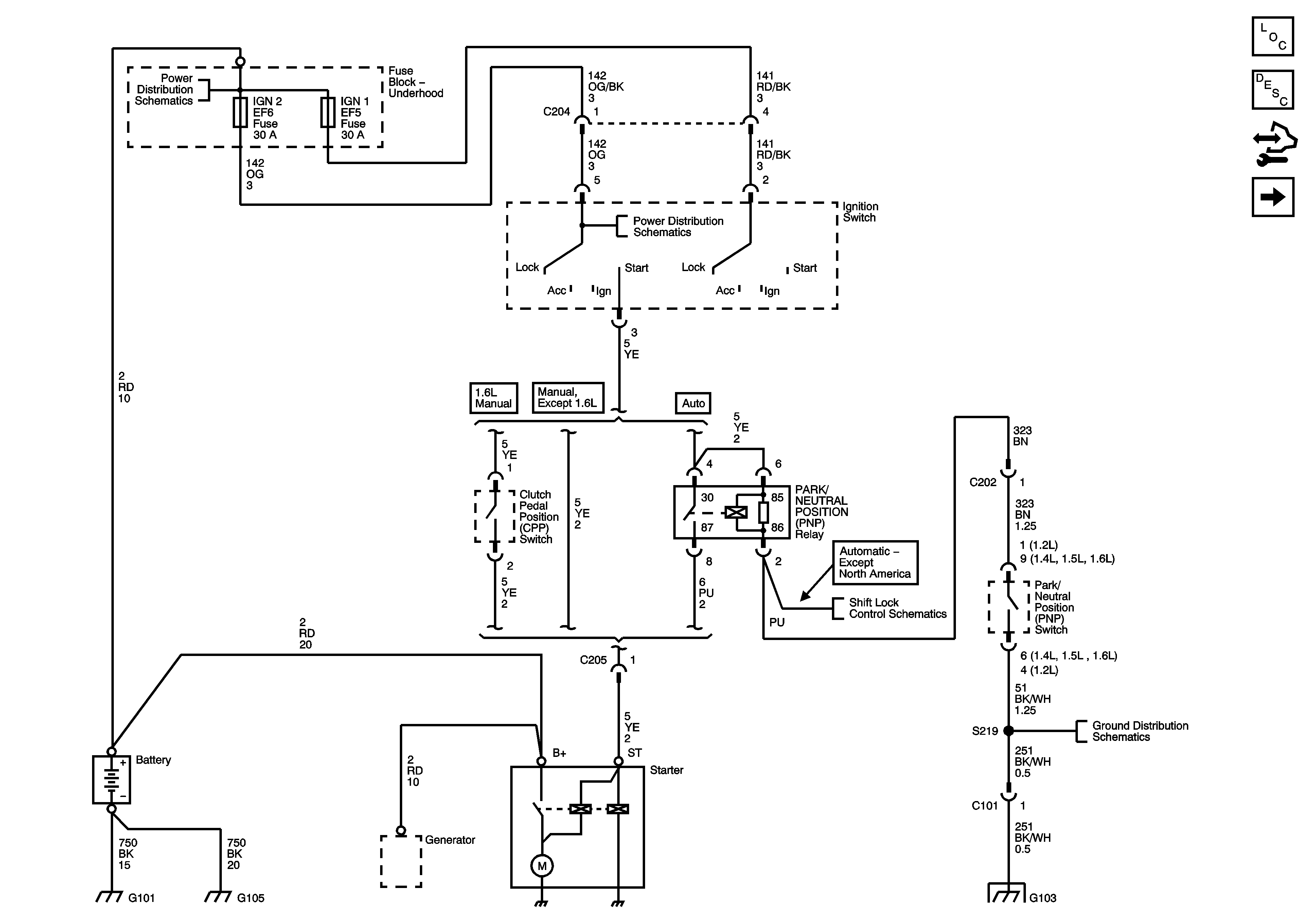
Starting System
Starting System
Master Electrical Component List Hatchback
Starting System Description and Operation
Control Module References
Charging System
Battery Feed
Power Distribution Ignition Switch and Fuses F6, 7 - 1 of 2, 17 and 18
Shift Lock Control Except North America
Ground Distrbution G103 - 1.2L
Ground Distribution G101, G102 - 1 of 2 and G105
Ground Distribution G101, G102 - 1 of 2 and G105
Ground Distrbution G103 - 1.2L