GM Service Manual Online
For 1990-2009 cars only
Makes
🢒
Pontiac
🢒
2008
🢒
Wave
🢒
Suspension
🢒
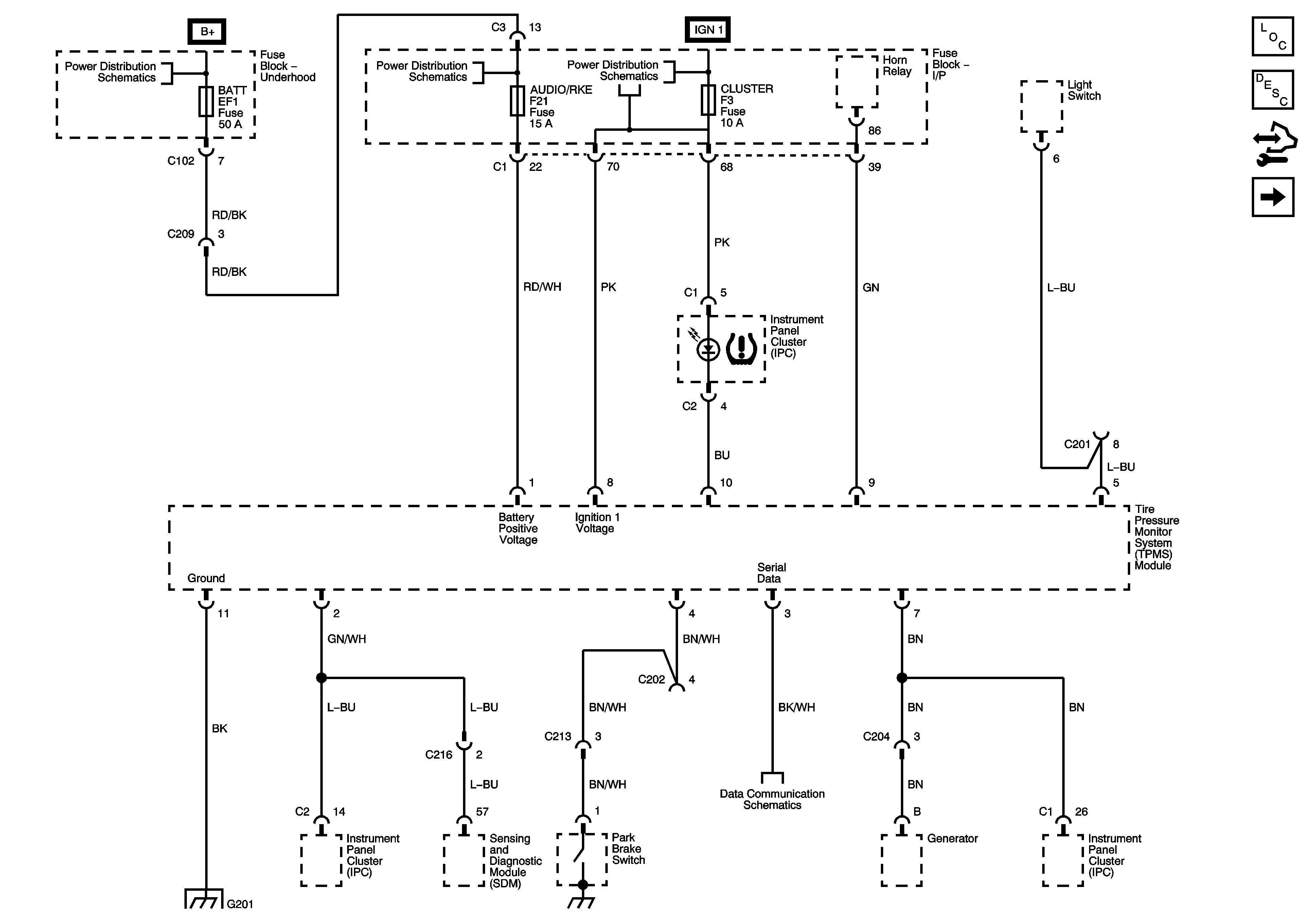
Tire Pressure Monitoring
🢒 Tire Pressure Monitoring System Schematics
Figure
1:
Notchback
Master Electrical Component List Notchback
Tire Pressure Monitor Description and Operation
Control Module References
Hatchback
Headlamp, Fog Lamp Relays and Fuses, BATT Fuse
Fuse Block - Underhood IGN 2/ST Fuse, Ignition Switch, Fuse Block - I/P, AUDIO/CLOCK, CIGAR, CLUSTER, T/SIG Fuses
Fuse Block - I/P AUDIO/RKE, DEFOGGER, DEFOG MIRROR Fuses and DEFOGGER Relay
Data Communication Schematics
G201 - 1 of 3
Figure
2:
Hatchback
Master Electrical Component List Hatchback
Tire Pressure Monitor Description and Operation
Control Module References
Notchback
Battery Feed
Ignition Switch and Fuses EF5, F1, 2, 3, 4, 5, 8, and 11
Fuse Block - Underhood I/P Fuse, Fuse Block - I/P, CLK/RADIO, CLSTR HAZRD, DR/LCK, ECM TCM, HORN, REAR/FOG, STOP Fuses
DRL - North America
Hatchback
Data Communication Schematics
Engine Electrical
Ground Distribution G202 - 3 of 3, G201