GM Service Manual Online
For 1990-2009 cars only
Makes
🢒
Saab
🢒
2005
🢒
9-7x
🢒
Vehicle Control Systems
🢒
Vehicle DTC Information
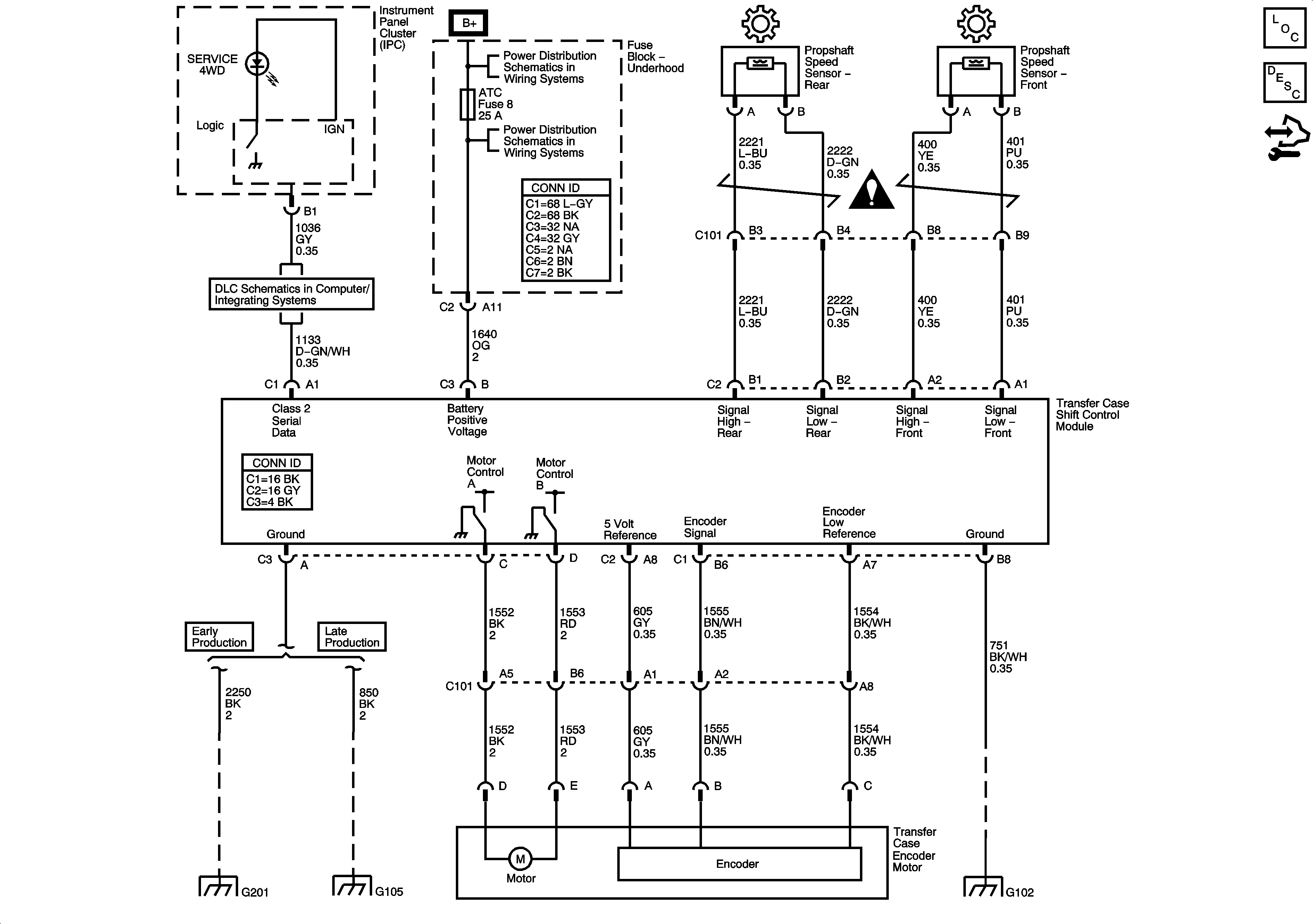
🢒 Transfer Case Control Schematics
Master Electrical Component List
Transfer Case Description and Operation
Control Module References
SP 205
G104, G105 and G107
G201 - 1 of 2
B+ Bus - Underhood Fuse Block - 1 of 2
ABS, ATC, BLOWER, CIGAR, ECAS, ELEC BRK, FLASH, IPC/DIC, ST/LP, TRAILER, VEH CHMSL, and VEH STOP Fuses
Transfer Case Control Schematic Icons
G102