GM Service Manual Online
For 1990-2009 cars only
Makes
🢒
Saab
🢒
2005
🢒
9-7x
🢒
Body
🢒
Wiring Systems
🢒 Interior Lights Dimming Schematics
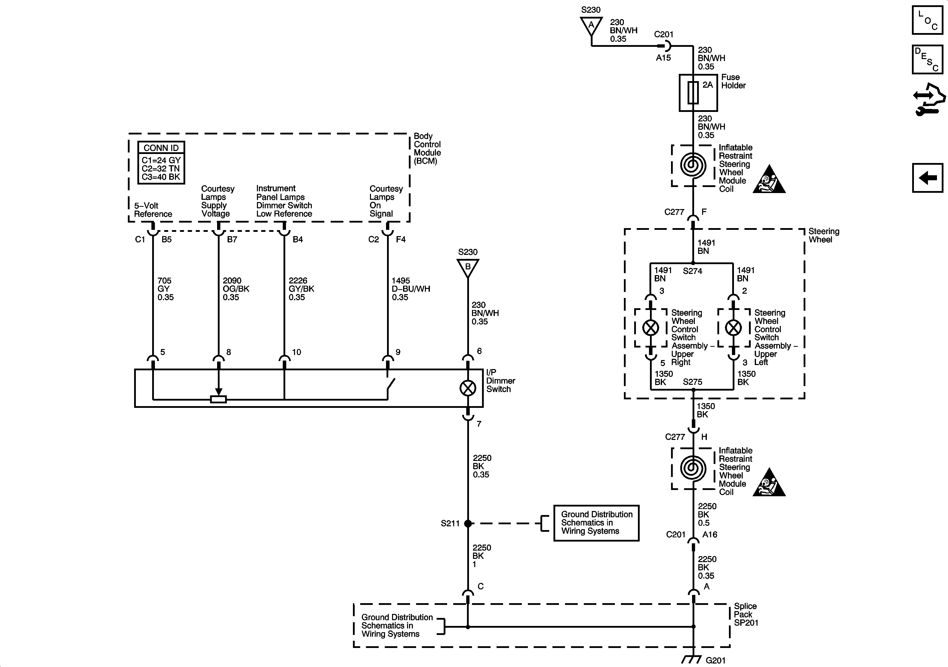
Figure
1:
I/P Dimming Supply - 1 of 2
Master Electrical Component List
Interior Lighting Systems Description and Operation
Control Module References
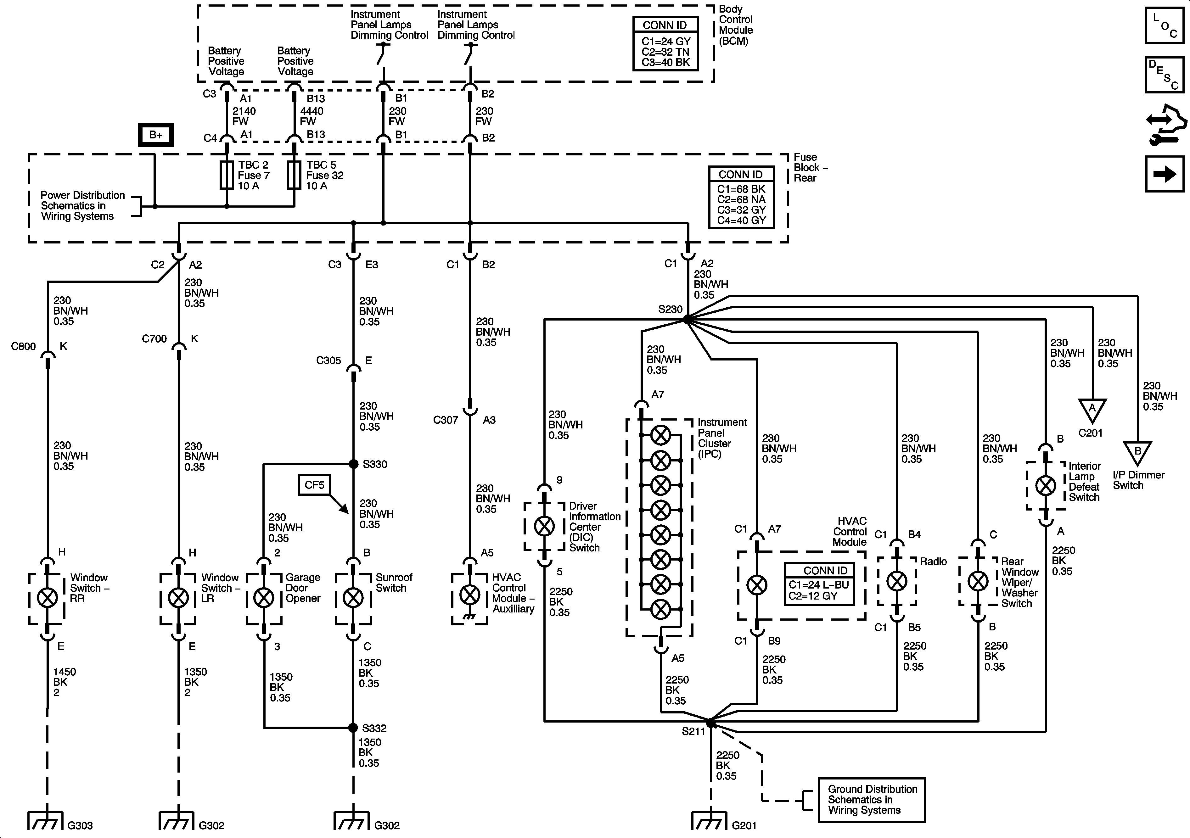
I/P Dimming Supply - 2 of 2
B+ Bus - Rear Fuse Block
G302 - 1 of 2, G303, and G304
G302 - 1 of 2, G303, and G304
G302 - 2 of 2 and G306
G201 - 1 of 2
G201 - 2 of 2 and G305
I/P Dimming Supply - 2 of 2
I/P Dimming Supply - 2 of 2
Figure
2:
I/P Dimming Supply - 2 of 2
Master Electrical Component List
Interior Lighting Systems Description and Operation
Control Module References
I/P Dimming Supply - 1 of 2
I/P Dimming Supply - 1 of 2
I/P Dimming Supply - 1 of 2
SIR Caution for Zoning
SIR Caution for Zoning
G201 - 2 of 2 and G305
G201 - 1 of 2