GM Service Manual Online
For 1990-2009 cars only
Makes
🢒
Saab
🢒
2005
🢒
9-7x
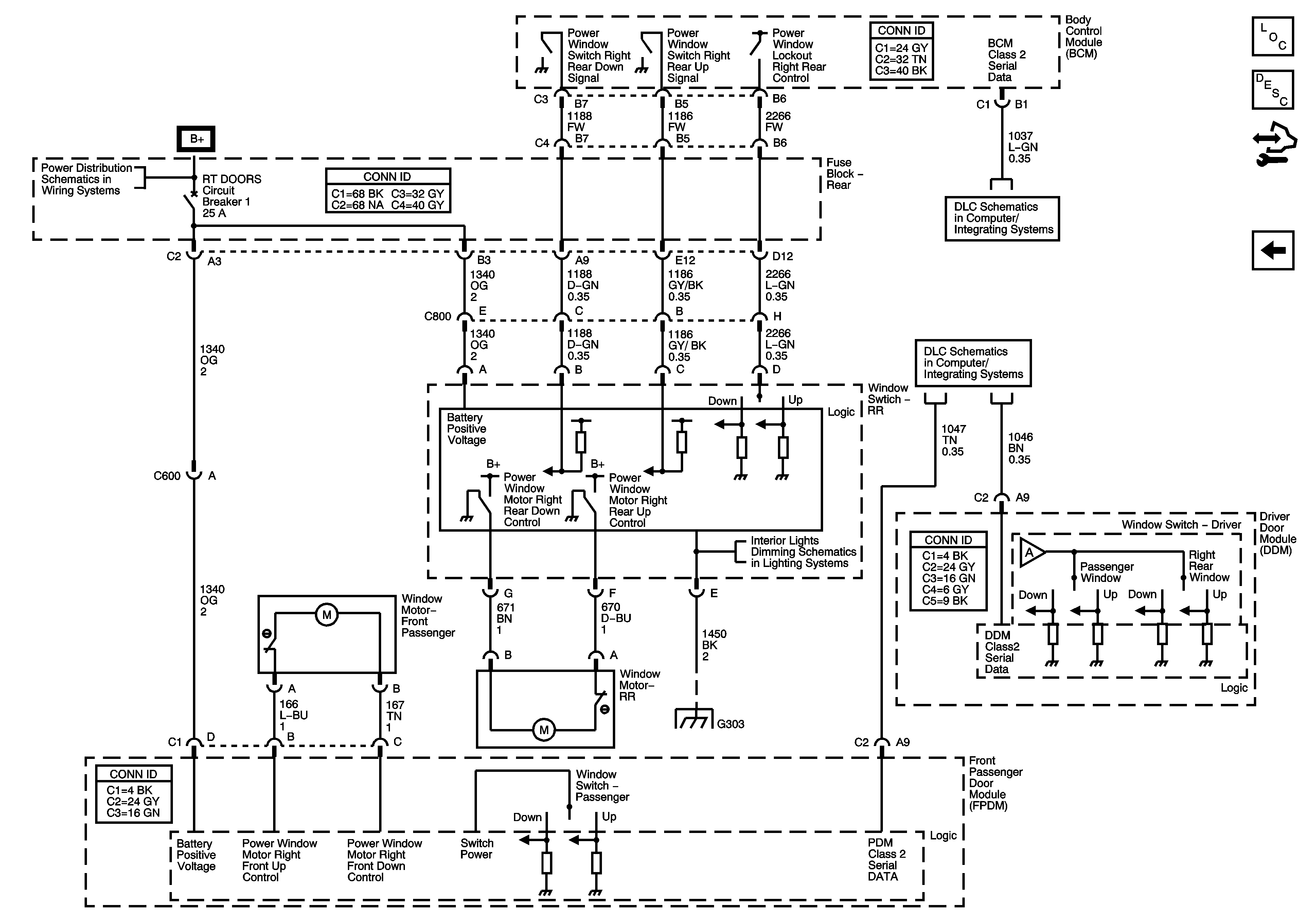
🢒 Power Windows - Right
Power Windows - Right
Power Windows - Right
Master Electrical Component List
Power Windows Description and Operation
Control Module References
Power Windows - Left
B+ Bus - Rear Fuse Block
SP 205
SP306
Power Windows - Left
Interior Lamps
G302 - 1 of 2, G303, and G304