GM Service Manual Online
For 1990-2009 cars only
Figure 1:

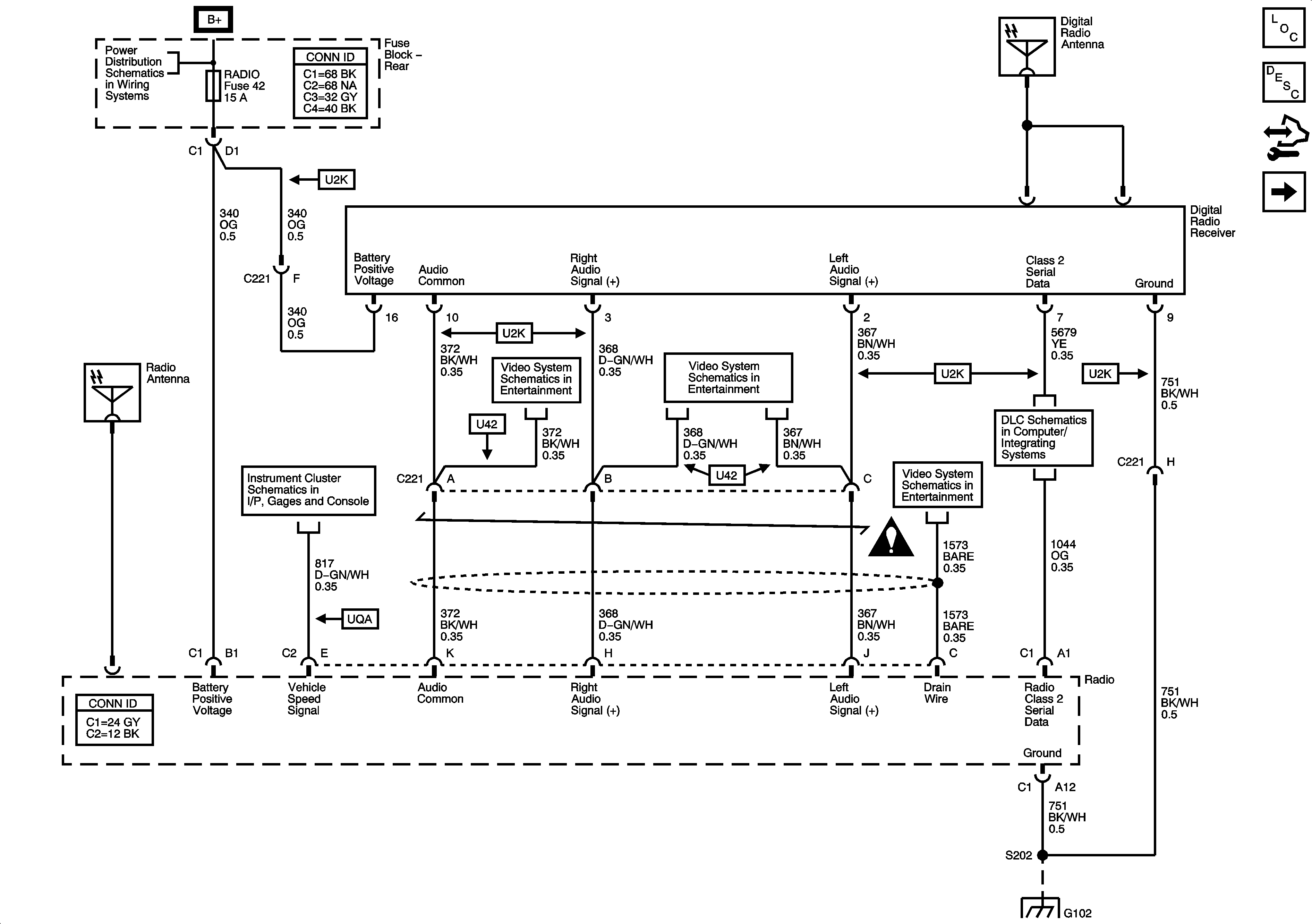
Power, Ground, Serial Data, and Digital Radio Receiver


Object Number: 1629093  Size: FS
Master Electrical Component List
Radio/Audio System Description and Operation
Control Module References
Base Radio - w/o UQA
B+ Bus - Rear Fuse Block
Video System Schematics
Video System Schematics
Video System Schematics
SP 205
Gages
G102
Entertainment Schematic Icons
Figure 2:

Base Radio (w/o UQA)


Object Number: 1629095  Size: FS
Master Electrical Component List
Radio/Audio System Description and Operation
Control Module References
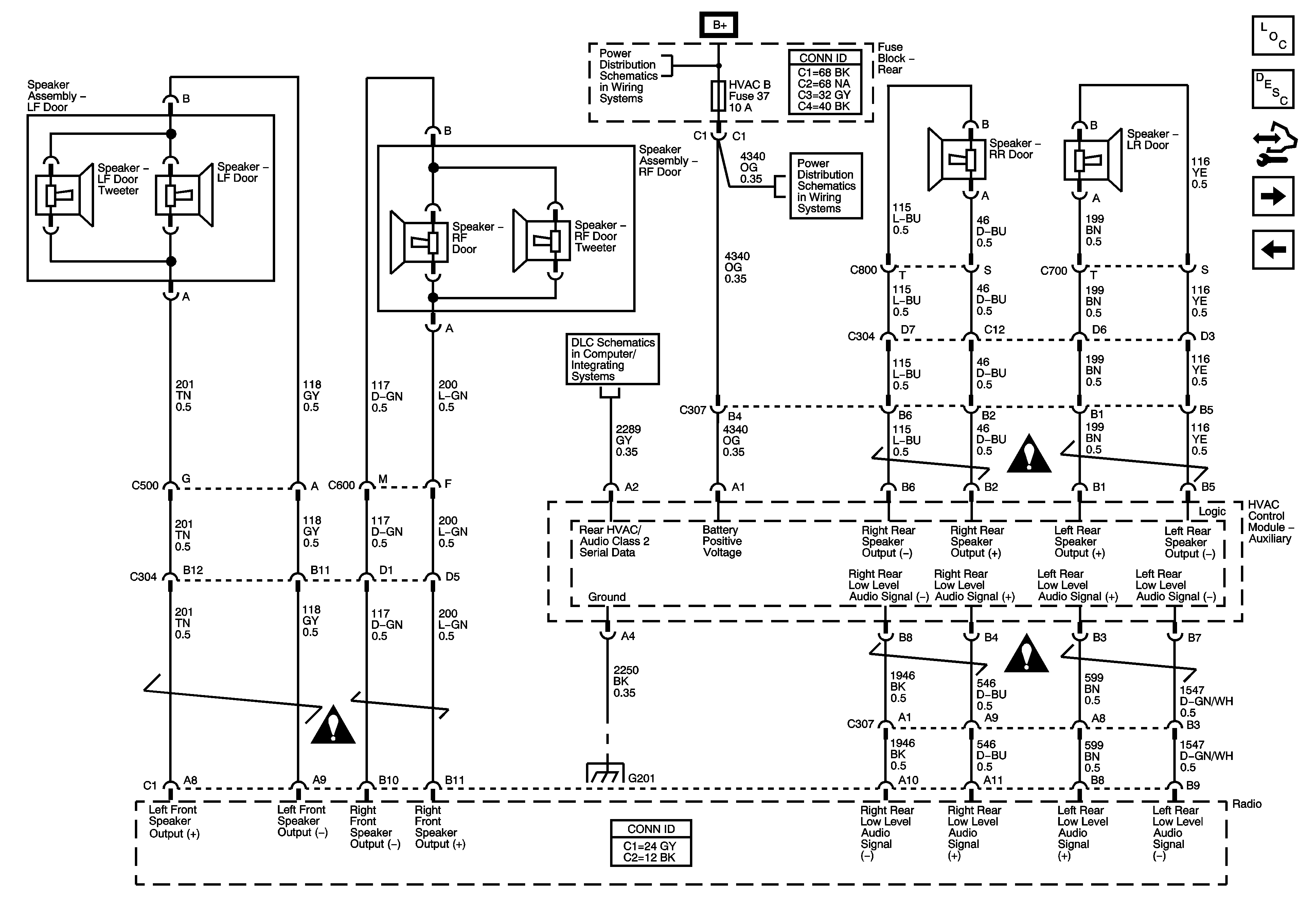
Audio Amplifier, Power, Ground, and Premium Radio Low Level Audio Outputs - w/ UQA
Power, Ground, Serial Data, and Digital Radio Receiver
B+ Bus - Rear Fuse Block
HVAC B, LGM/DSM, OH BATT/ONSTAR, and RADIO Fuses
SP 205
G201 - 1 of 2
Entertainment Schematic Icons
Entertainment Schematic Icons
Entertainment Schematic Icons
Figure 3:

Audio Amplifier, Power, Ground, and Premium Radio Low Level Audio Outputs (w/ UQA)


Object Number: 1629096  Size: FS
Master Electrical Component List
Radio/Audio System Description and Operation
Control Module References
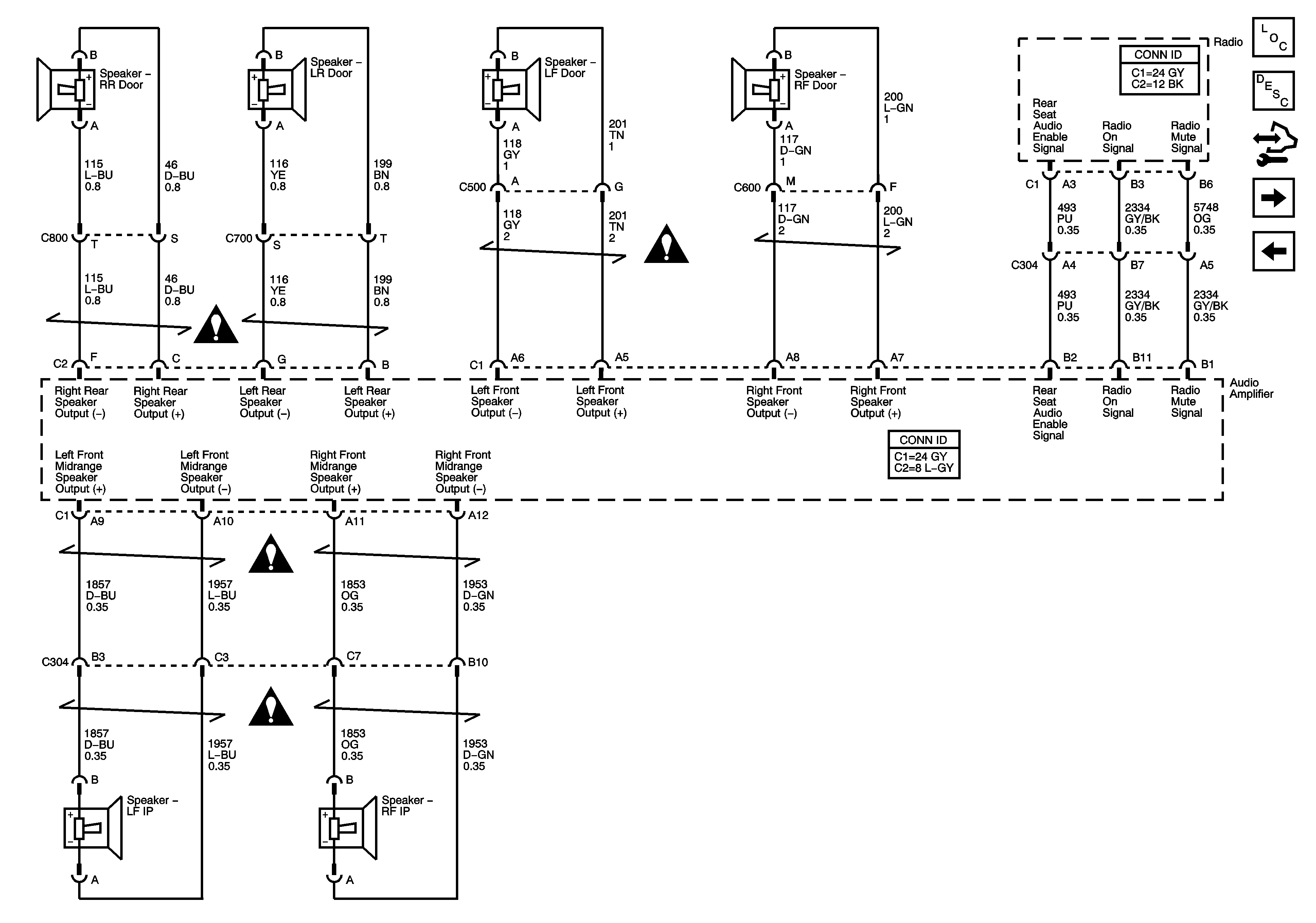
Premium Radio Amplifier Outputs - w/ UQA
Base Radio - w/o UQA
B+ Bus - Rear Fuse Block
HVAC B, LGM/DSM, OH BATT/ONSTAR, and RADIO Fuses
SP 205
G201 - 1 of 2
G401, G402, and G403
Entertainment Schematic Icons
Entertainment Schematic Icons
Entertainment Schematic Icons
Entertainment Schematic Icons
Entertainment Schematic Icons
Figure 4:

Premium Radio Amplifier Outputs (w/ UQA)


Object Number: 1629099  Size: FS
Master Electrical Component List
Radio/Audio System Description and Operation
Control Module References
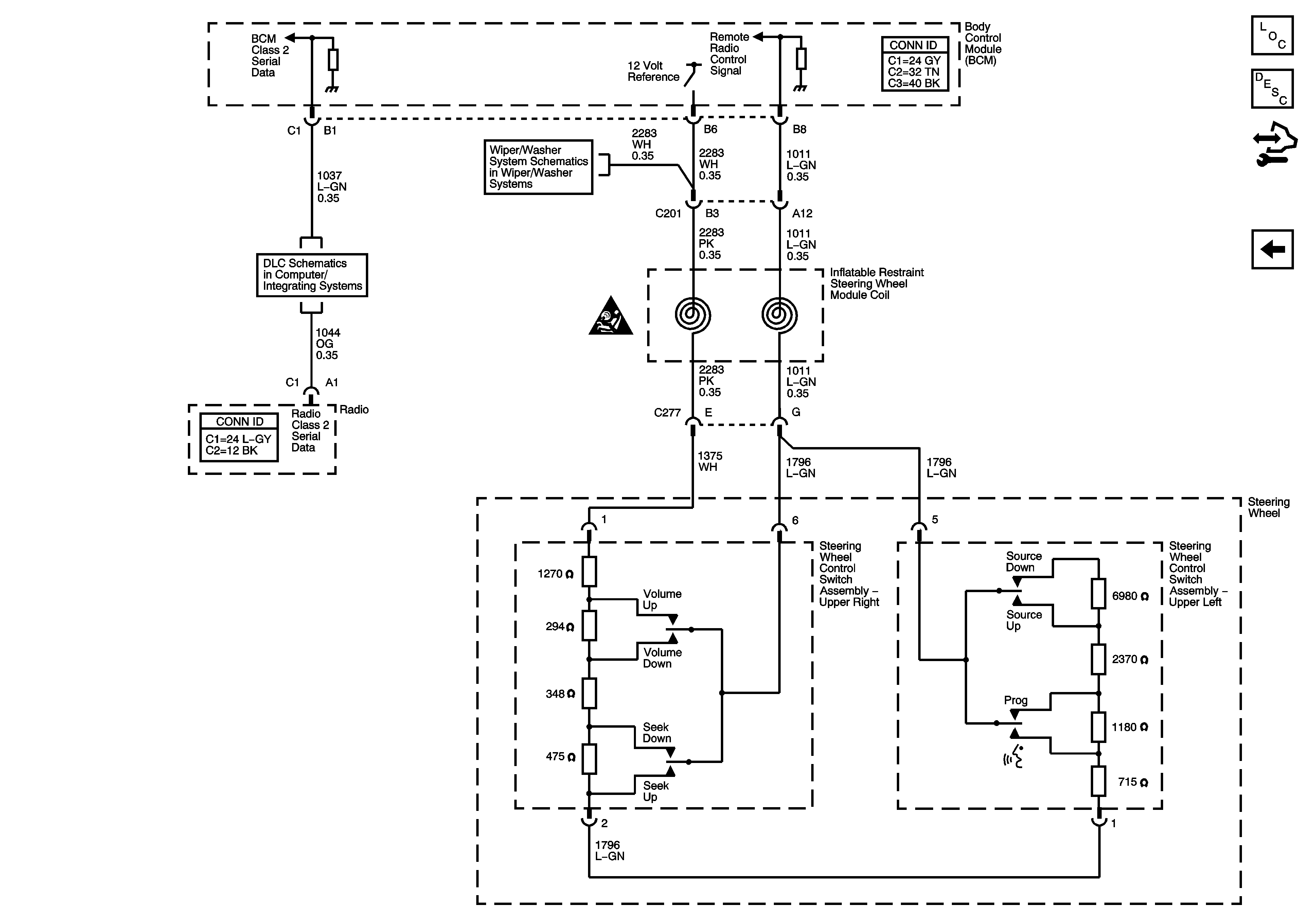
Steering Wheel Controls
Audio Amplifier, Power, Ground, and Premium Radio Low Level Audio Outputs - w/ UQA
Entertainment Schematic Icons
Entertainment Schematic Icons
Entertainment Schematic Icons
Entertainment Schematic Icons
Figure 5:

Steering Wheel Controls


Object Number: 1629102  Size: FS
Master Electrical Component List
Radio/Audio System Description and Operation
Control Module References
Premium Radio Amplifier Outputs - w/ UQA
Rear Wiper/Washer Controls
SP 205
Entertainment Schematic Icons