GM Service Manual Online
For 1990-2009 cars only
Makes
🢒
Saab
🢒
2006
🢒
9-7x
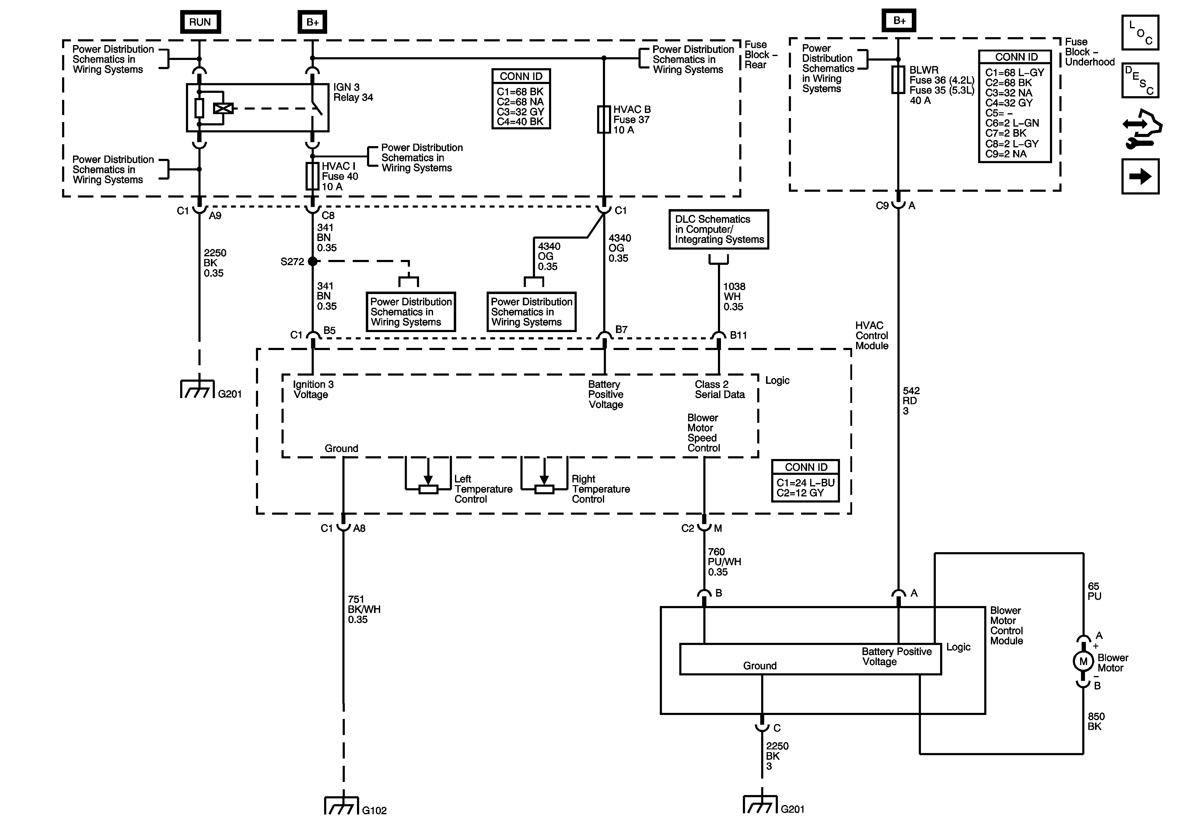
🢒 Module Power, Ground, Serial Data, and Blower Motor
Module Power, Ground, Serial Data, and Blower Motor
Module Power, Ground, Serial Data, and Blower Motor
Master Electrical Component List
Air Delivery Description and Operation
Control Module References
Compressor Controls
Ignition Switch - ACCY/RUN/START, RUN, START Bus Bars and IGNA1 Fuse
G201 - 1 of 2
G201 - 1 of 2
G102
4WD, BRK, FRT WPR, HVAC I, IGN 0, and TCM Fuses
4WD, BRK, FRT WPR, HVAC I, IGN 0, and TCM Fuses
HVAC B, LGM/DSM, OH BATT/ONSTAR, and RADIO Fuses
B+ Bus - Rear Fuse Block
SP 205
B+ Bus - Underhood Fuse Block - 1 of 2
G201 - 1 of 2