GM Service Manual Online
For 1990-2009 cars only
Makes
🢒
Saab
🢒
2006
🢒
9-7x
🢒 Theft Deterrent Schematics
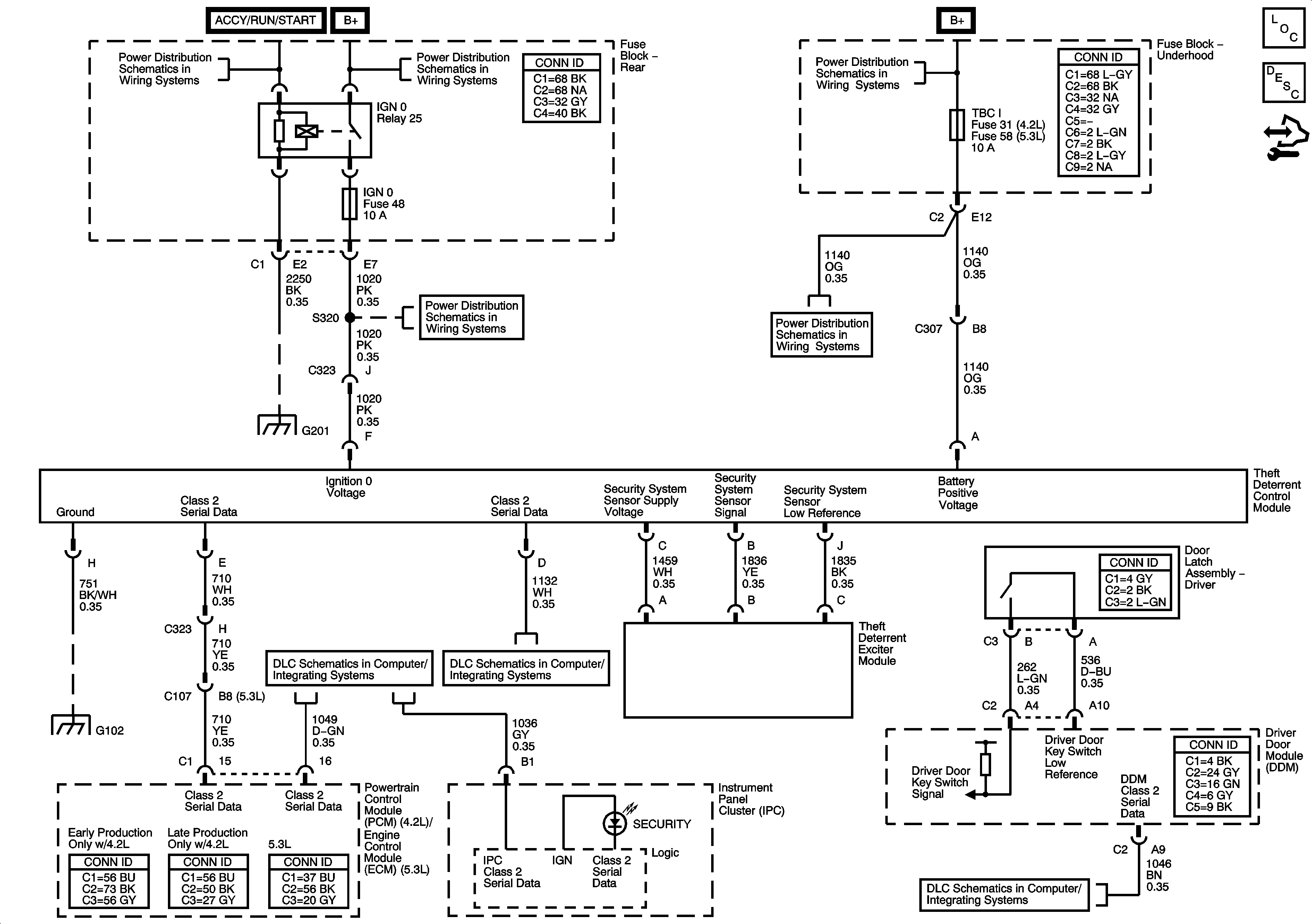
Theft Deterrent Schematics
Master Electrical Component List
Theft Systems Description and Operation
Control Module References
Ignition Switch - ACCY/RUN/START, RUN, START Bus Bars and IGNA1 Fuse
B+ Bus - Rear Fuse Block
EAP, ECM, PCMB, TBC I, and TCM CNSTR Fuses
4WD, BRK, FRT WPR, HVAC I, IGN 0, and TCM Fuses
EAP, ECM, PCMB, TBC I, and TCM CNSTR Fuses
G201 - 1 of 2
G102
SP 205
Power, Ground, Data Link Connector
SP306