GM Service Manual Online
For 1990-2009 cars only
Makes
🢒
Saab
🢒
2007
🢒
9-7x
🢒
Suspension
🢒
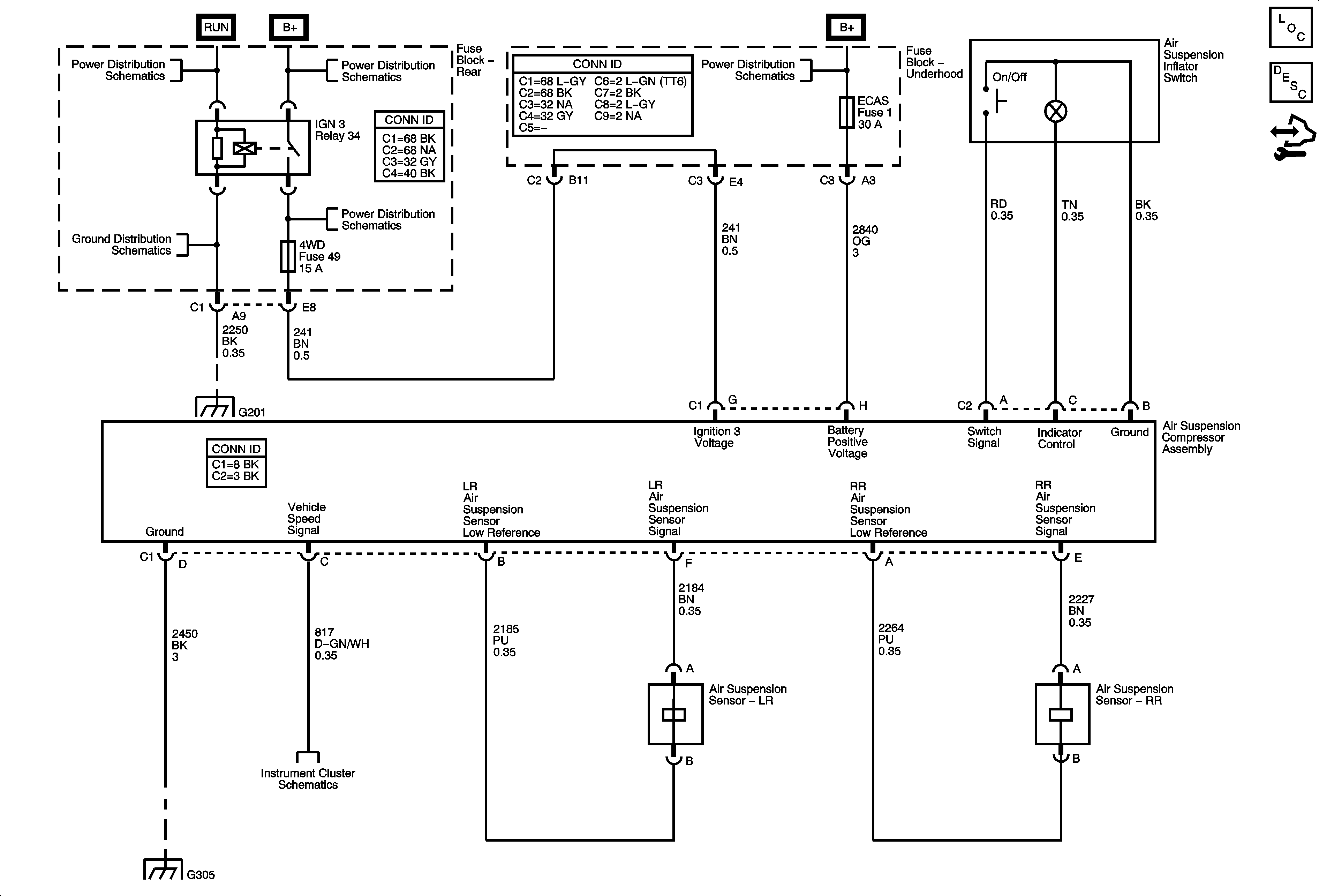
Air Suspension
🢒 Air Suspension Schematics
Master Electrical Component List
Air Suspension Description and Operation
Control Module References
Ignition Switch - ACCY/RUN/START, RUN, START Bus Bars, and IGNA1 Fuse
B+ BUS - Rear Fuse Block
B+ BUS - Underhood Fuse Block - 1 of 2
G201 - 1 of 2
4WD, BRK, FRT WPR, HVAC I, IGN 0, and TCM Fuses
G201 - 1 of 2
G201 - 2 of 2, and G305
Gages