GM Service Manual Online
For 1990-2009 cars only
Makes
🢒
Saab
🢒
2007
🢒
9-7x
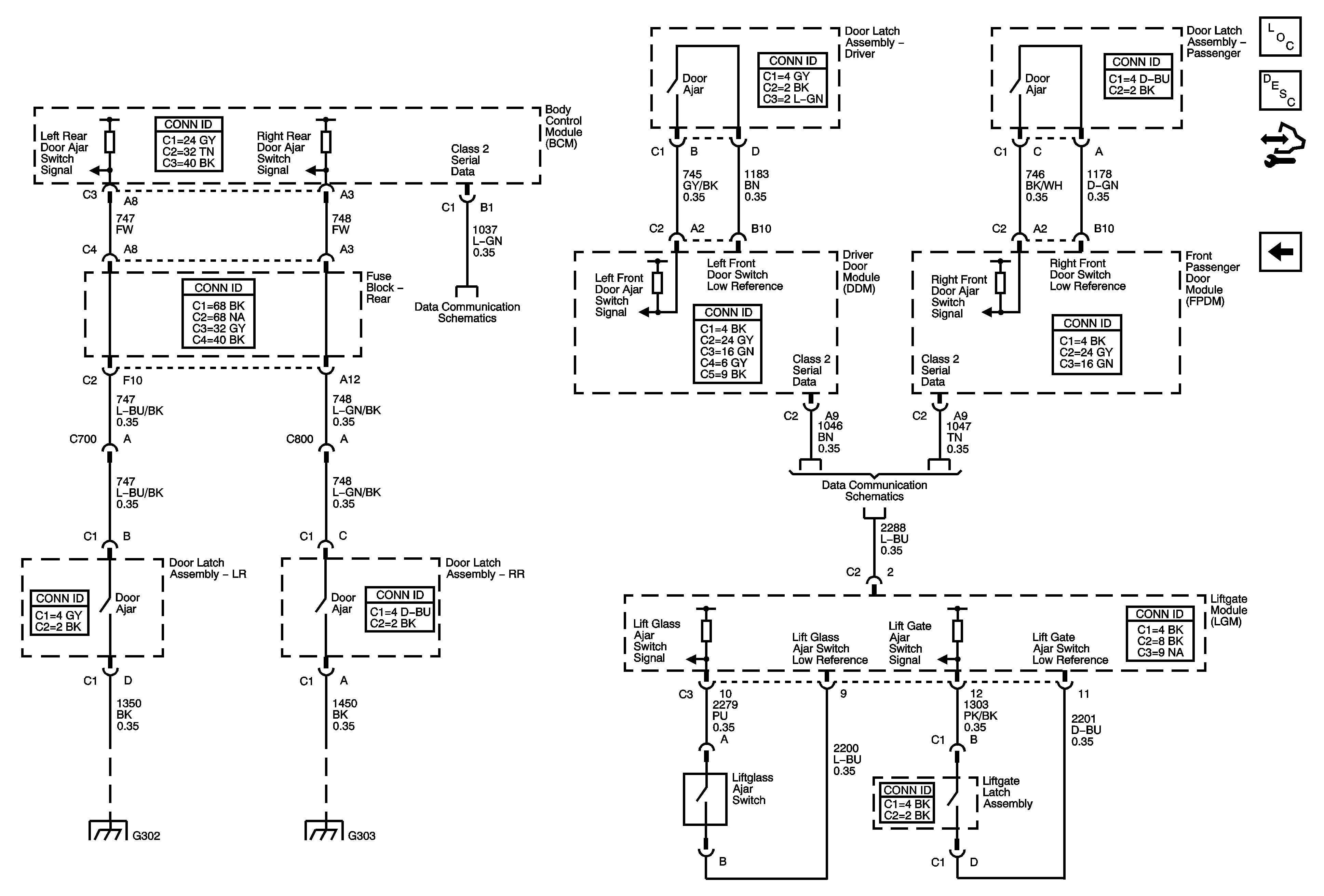
🢒 Door Switch and Liftgate Inputs
Door Switch and Liftgate Inputs
Door Switch and Liftgate Inputs
Master Electrical Component List
Interior Lighting Systems Description and Operation
Control Module References
Interior Lamps
SP205
SP306
G302 - 1 of 2, G303, and G304
G302 - 1 of 2, G303, and G304