GM Service Manual Online
For 1990-2009 cars only
Figure 1:

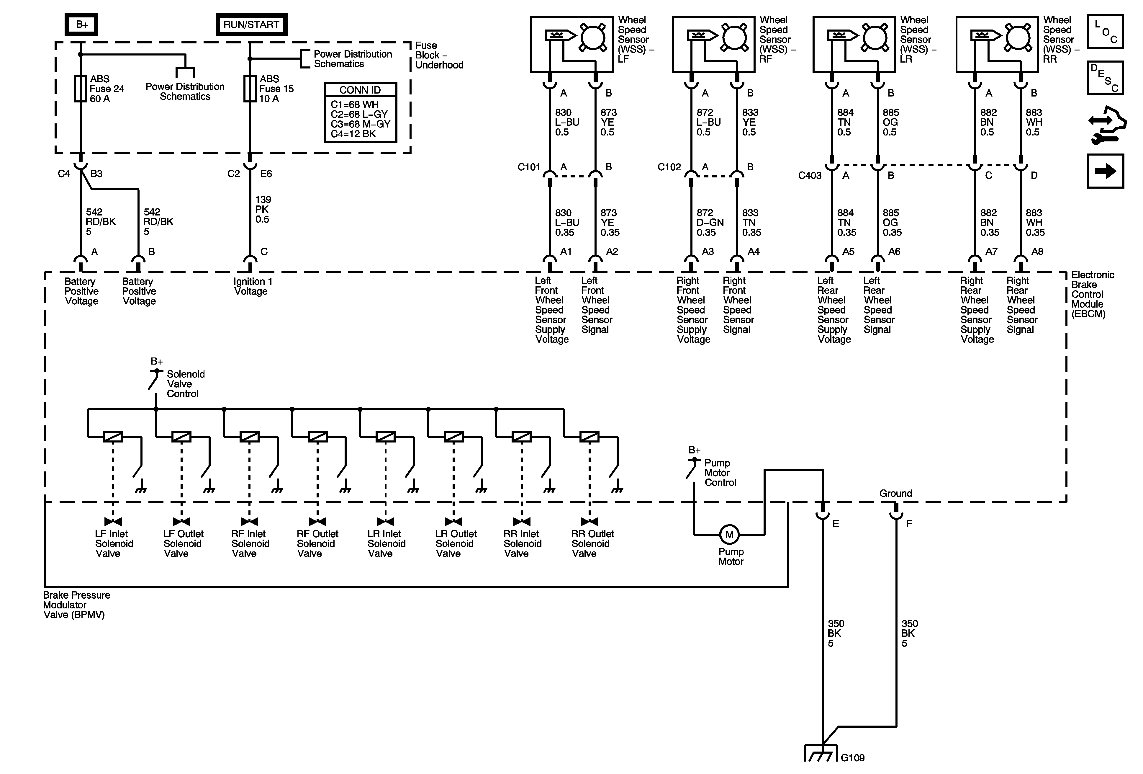
Power, Ground, Brake Pressure Modulator Valve and Wheel Speed Sensors


Object Number: 1807116  Size: FS
Master Electrical Component List
ABS Description and Operation
Control Module References
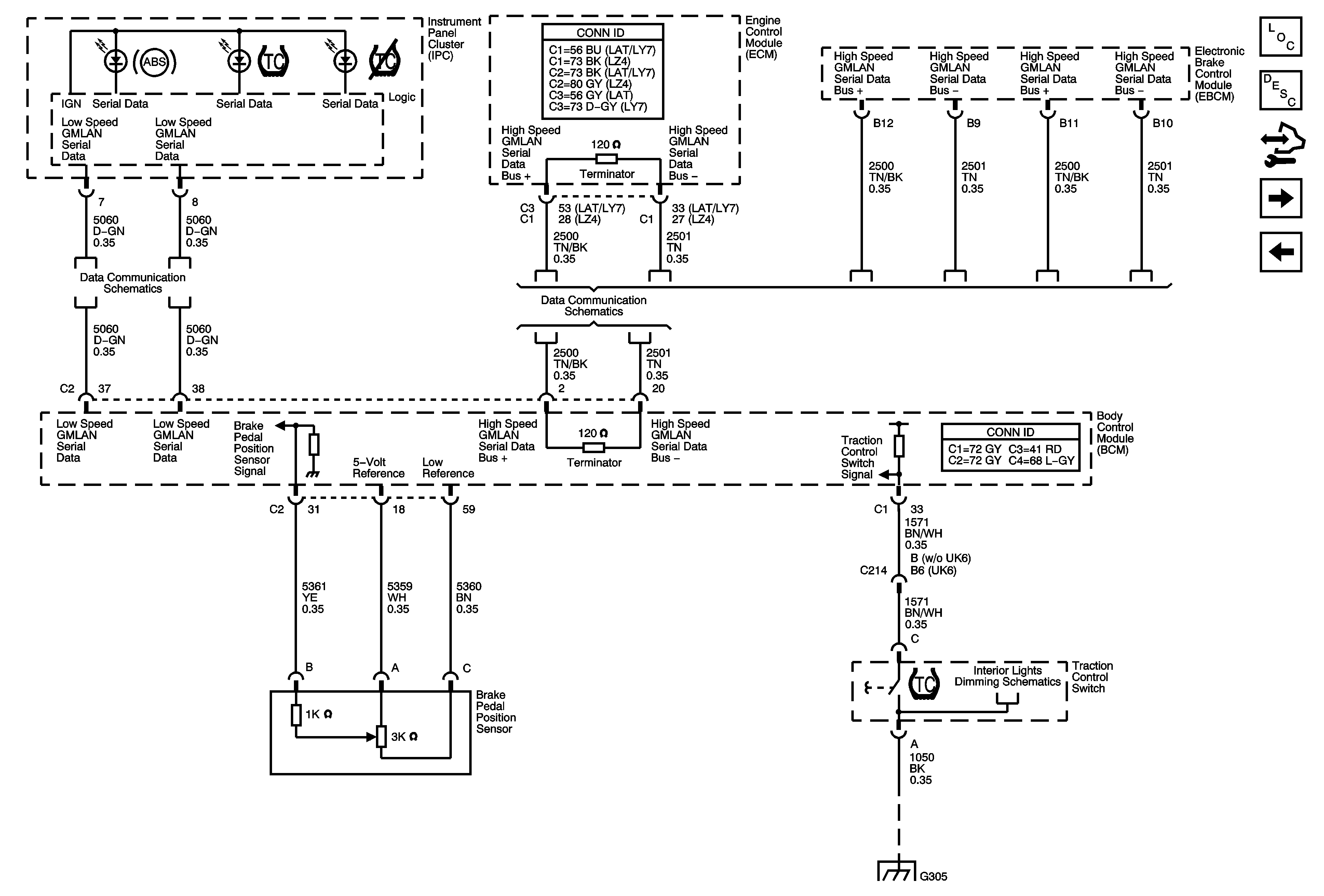
Brake Pedal Position Sensor, Data Link Communications and Traction Control Switch 2 of 2
Underhood Fuse Block DRL, HI/BEAM and LO/BEAM Relays, ABS, DRL, EPS, IBCM 1, IBCM 2, LT HI BEAM, LT LOW BEAM, RT HI BEAM, RT LOW BEAM, ECM, and TCM Fuses
G109
Figure 2:

Brake Pedal Position Sensor, Data Link Communications and Traction Controls Switch


Object Number: 1807117  Size: FS
Master Electrical Component List
ABS Description and Operation
Control Module References
Brake Pedal Position Sensor, Steering Wheel Position Sensor and Yaw Rate and Lateral Acceleration Sensor (FX3)
Power, Ground, Brake Pressure Modulator Valve and Wheel Speed Sensors
Low Speed Serial Data
Power, Ground and High Speed Serial Data
Center Console and Seats
G305
Figure 3:

Brake Pedal Position Sensor, Steering Wheel Position Sensor and Yaw Rate and Lateral Acceleration Sensor (FX3)


Object Number: 1844050  Size: FS
Master Electrical Component List
ABS Description and Operation
Control Module References
Brake Pedal Position Sensor, Data Link Communications and Traction Control Switch 2 of 2
Figure 4:

Brake Booster Vacuum Sensor, Brake Fluid Pressure Sensor and Yaw Rate and Lateral Acceleration Sensor (LAT)


Object Number: 1875183  Size: FS
Master Electrical Component List
ABS Description and Operation
Control Module References
Brake Pedal Position Sensor, Steering Wheel Position Sensor and Yaw Rate and Lateral Acceleration Sensor (FX3)