GM Service Manual Online
For 1990-2009 cars only
Makes
🢒
Saturn
🢒
2008
🢒
Astra
🢒
Engine
🢒
Engine Electrical
🢒 Starting and Charging Schematics
Figure
1:
Starting System
Master Electrical Component List
Starting System Description and Operation
Control Module References
Charging System
B+ Bus 2 of 2
Fuse Block - Underhood F34 Fuse and Ignition Switch
Power Moding
Power Moding
GM High Speed Serial Data (CAN C)
B+ Bus 1 of 2
B+ Bus 1 of 2
G100, G103, G104, G105 and G106
G100, G103, G104, G105 and G106
G203, G204, and G205
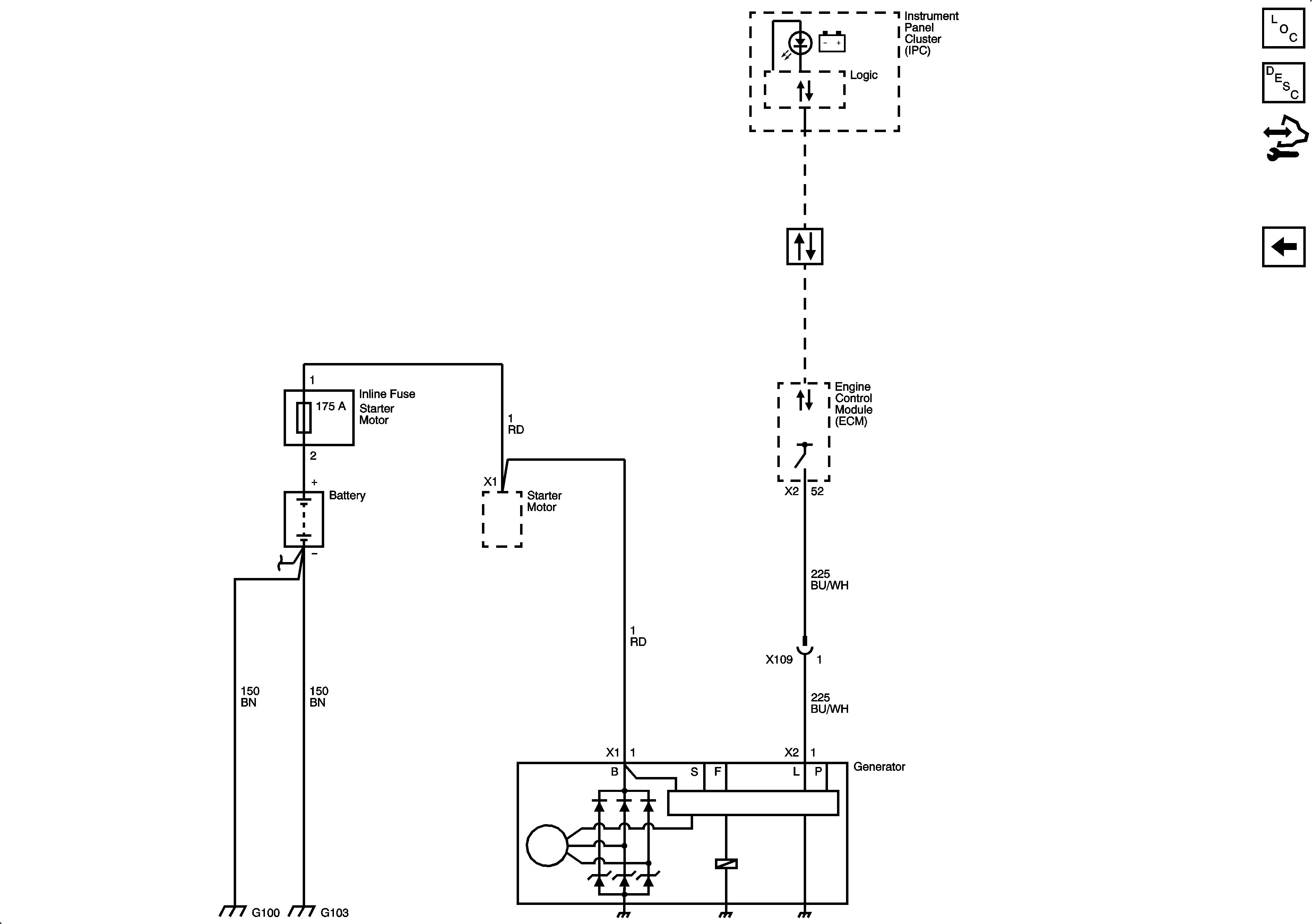
Figure
2:
Charging System
Master Electrical Component List
Charging System Description and Operation
Control Module References
Starting System
Power, Ground, Class 2, and GM Low Speed Serial Data (CAN A)
G100, G103, G104, G105 and G106
G100, G103, G104, G105 and G106