GM Service Manual Online
For 1990-2009 cars only
Makes
🢒
Saturn
🢒
2008
🢒
Astra
🢒
Diagnostic Navigation
🢒
Vehicle Diagnostic Information
🢒 Moveable Window Schematics
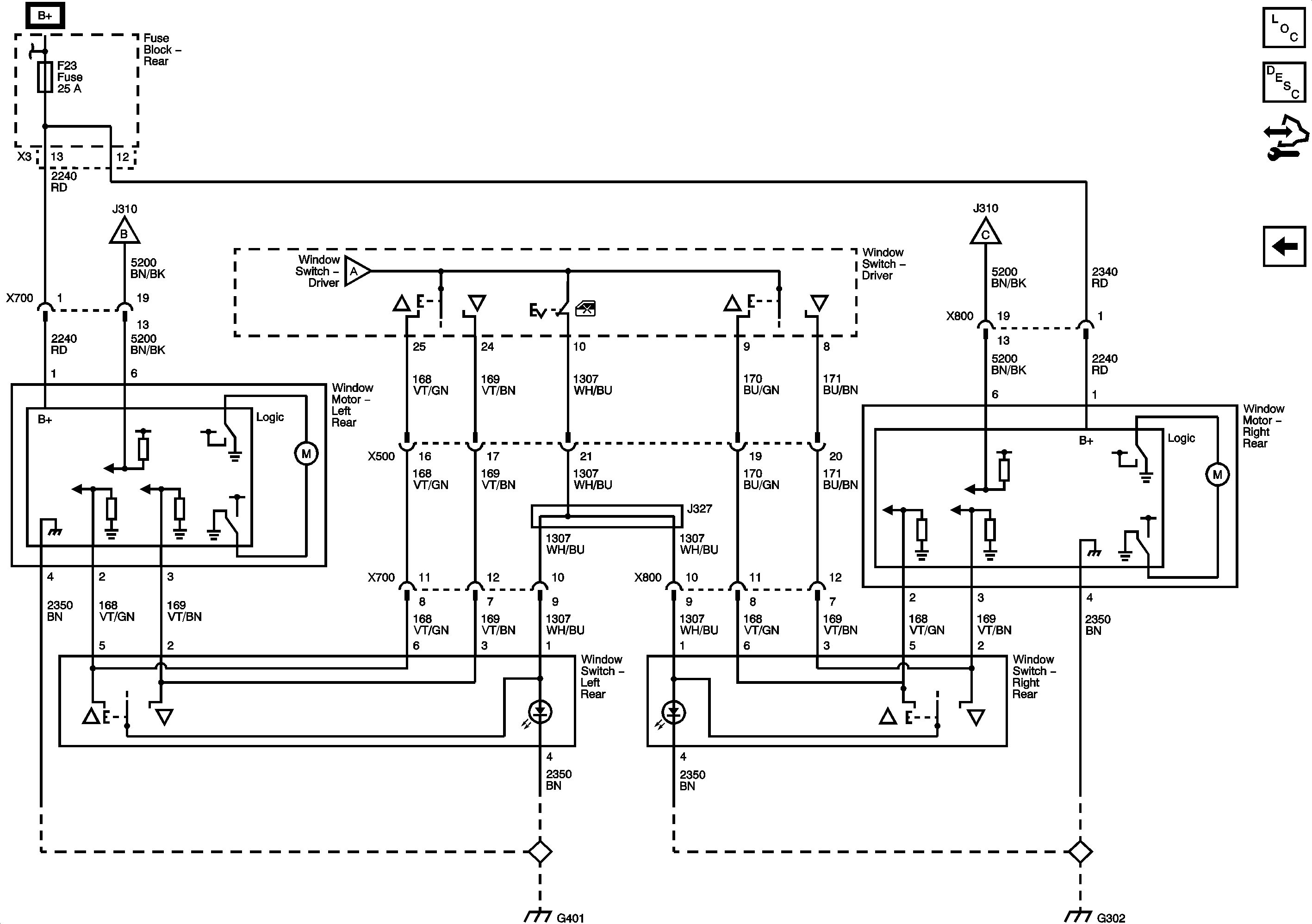
Figure
1:
Driver/Passenger Window Motors and Switches
Master Electrical Component List
Power Windows Description and Operation
Control Module References
Left/Right Rear Window Motors and Switches
B+ Bus 1 of 2
Fuse Block - Rear F29, F34, F22, F4, F24, F3, F23, and F1 Fuses
Sunroof
Left/Right Rear Window Motors and Switches
Power Mirrors
Left/Right Rear Window Motors and Switches
G201 and G202
G302 and G303
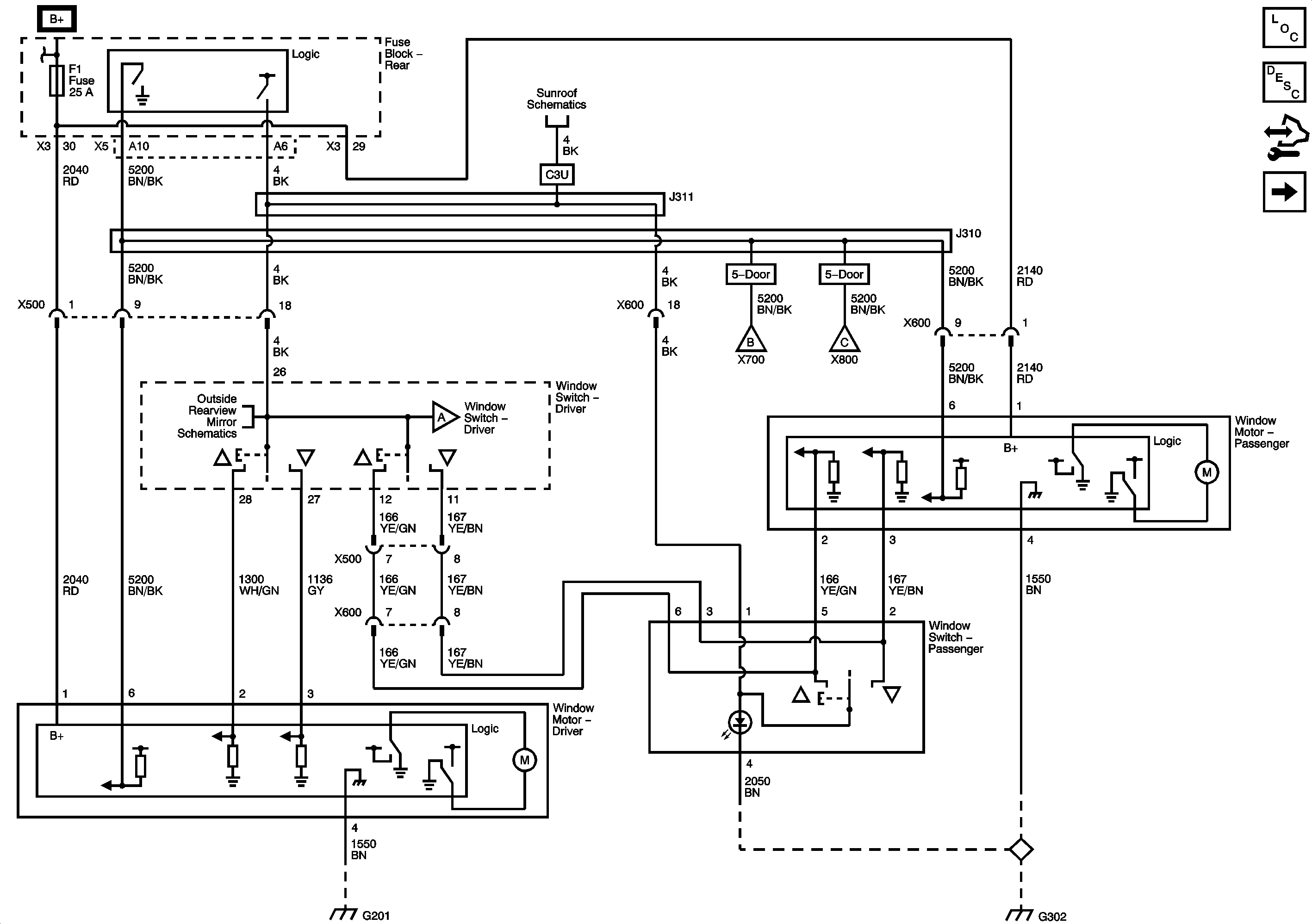
Figure
2:
Left/Right Rear Window Motors and Switches
Master Electrical Component List
Power Windows Description and Operation
Control Module References
Driver/Passenger Window Motors and Switches
B+ Bus 1 of 2
Fuse Block - Rear F29, F34, F22, F4, F24, F3, F23, and F1 Fuses
Driver/Passenger Window Motors and Switches
Driver/Passenger Window Motors and Switches
Driver/Passenger Window Motors and Switches
G401
G302 and G303