GM Service Manual Online
For 1990-2009 cars only
Makes
🢒
Saturn
🢒
2008
🢒
Astra
🢒 Sunroof
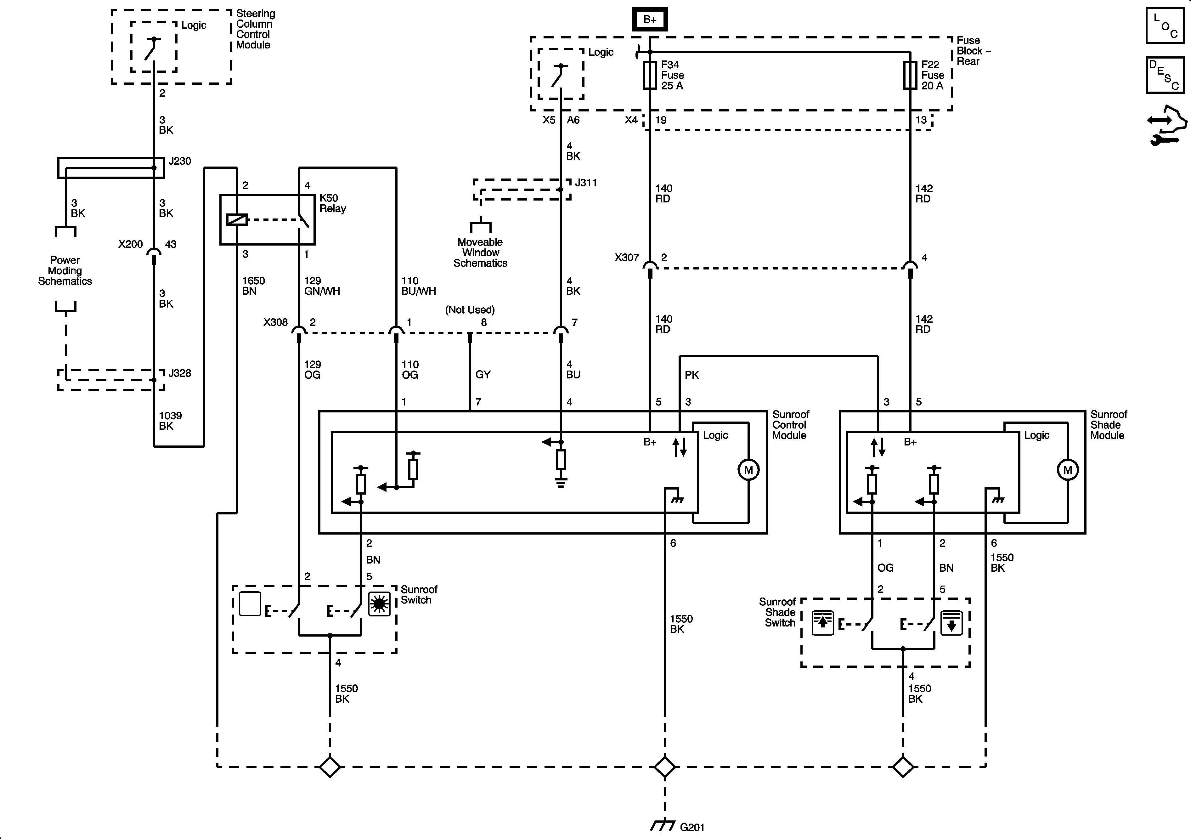
Sunroof
Master Electrical Component List
Sunroof Description and Operation
Control Module References
B+ Bus 1 of 2
Fuse Block - Rear F29, F34, F22, F4, F24, F3, F23, and F1 Fuses
Power Moding
Driver/Passenger Window Motors and Switches
G201 and G202