GM Service Manual Online
For 1990-2009 cars only
Makes
🢒
Saturn
🢒
2005
🢒
ION
🢒 Charging
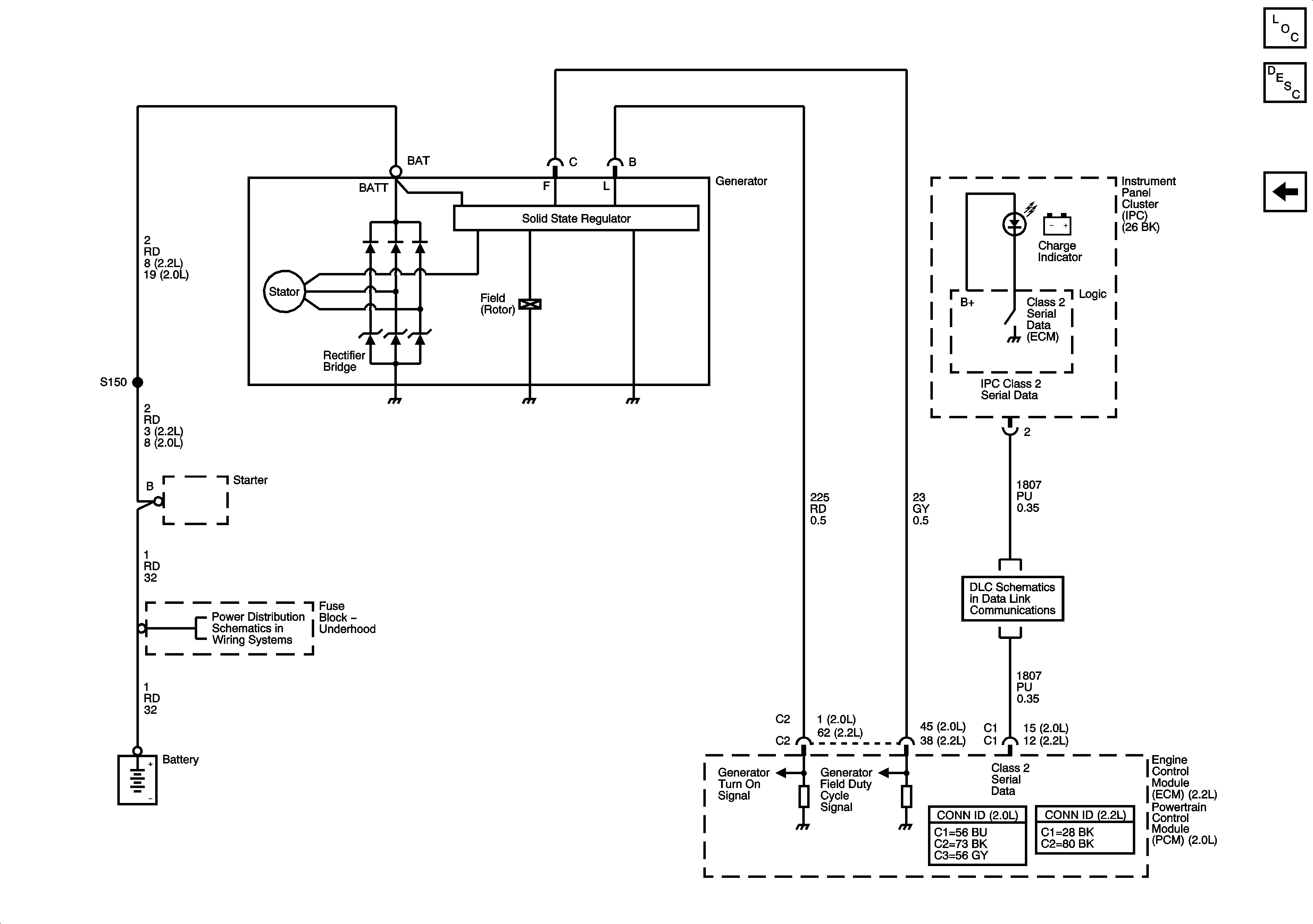
Charging
Charging
Master Electrical Component List
Charging System Description and Operation
Starting - Late Production
Fuse Block - Underhood BUS
Data Link Communication Schematics