GM Service Manual Online
For 1990-2009 cars only
Makes
🢒
Saturn
🢒
2005
🢒
ION
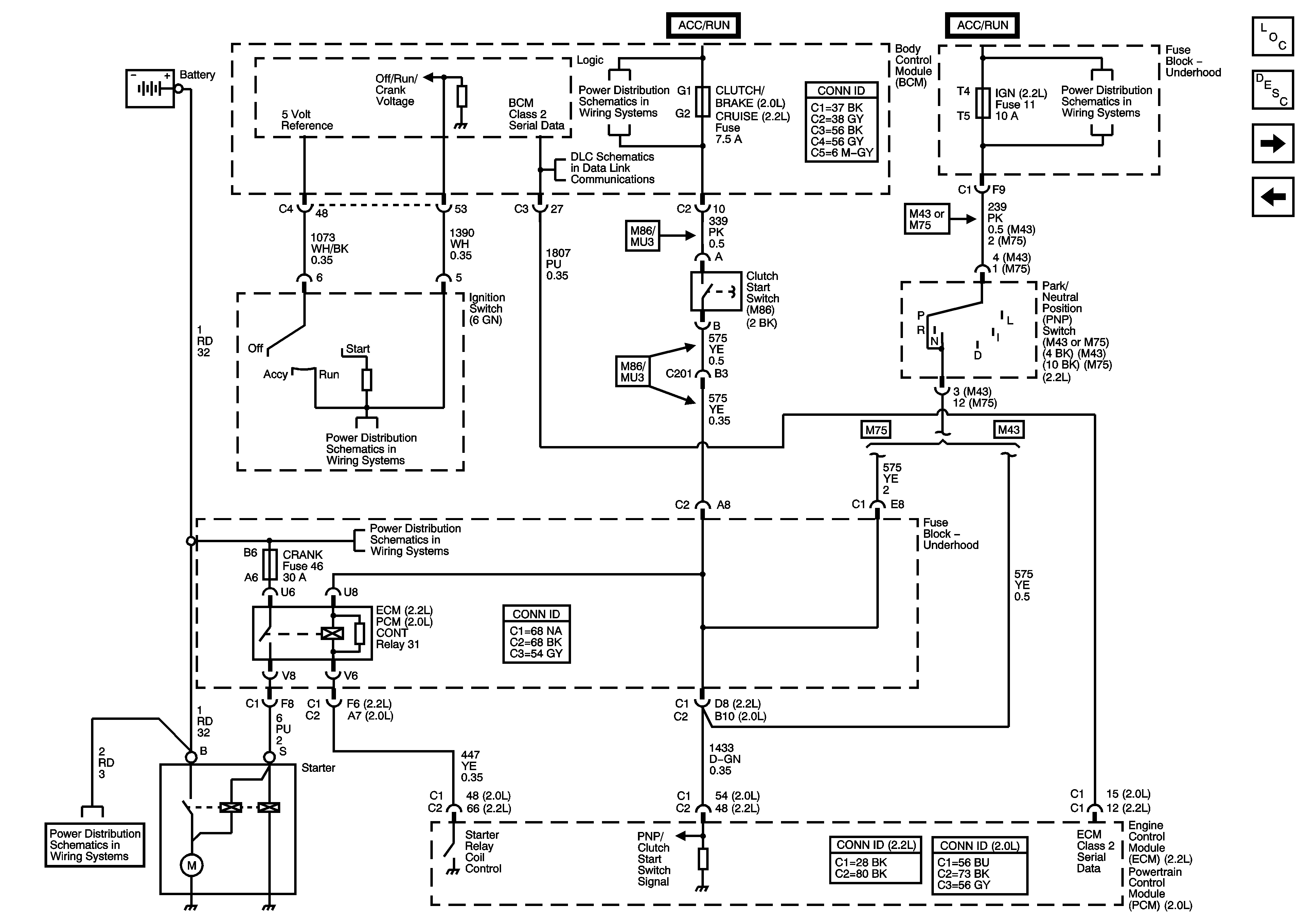
🢒 Starting - Late Production
Starting - Late Production
Starting - Late Production
Master Electrical Component List
Starting System Description and Operation
Charging
Starting - Early Production
Fuse Block - Underhood Fuses: ERLS and Injectors, BCM Fuses: Air Bag, EPS
Fuse Block - Underhood Fuses: ABS, ABS1, ABS2, ECM, ECM/TCM, IGN, LH HDLP, Prem Audio, RH HDLP, Run/Crank
Data Link Communication Schematics
Ignition Switch
Fuse Block - Underhood BUS
Fuse Block - Underhood BUS