GM Service Manual Online
For 1990-2009 cars only
Makes
🢒
Saturn
🢒
2005
🢒
ION
🢒 Ignition Controls
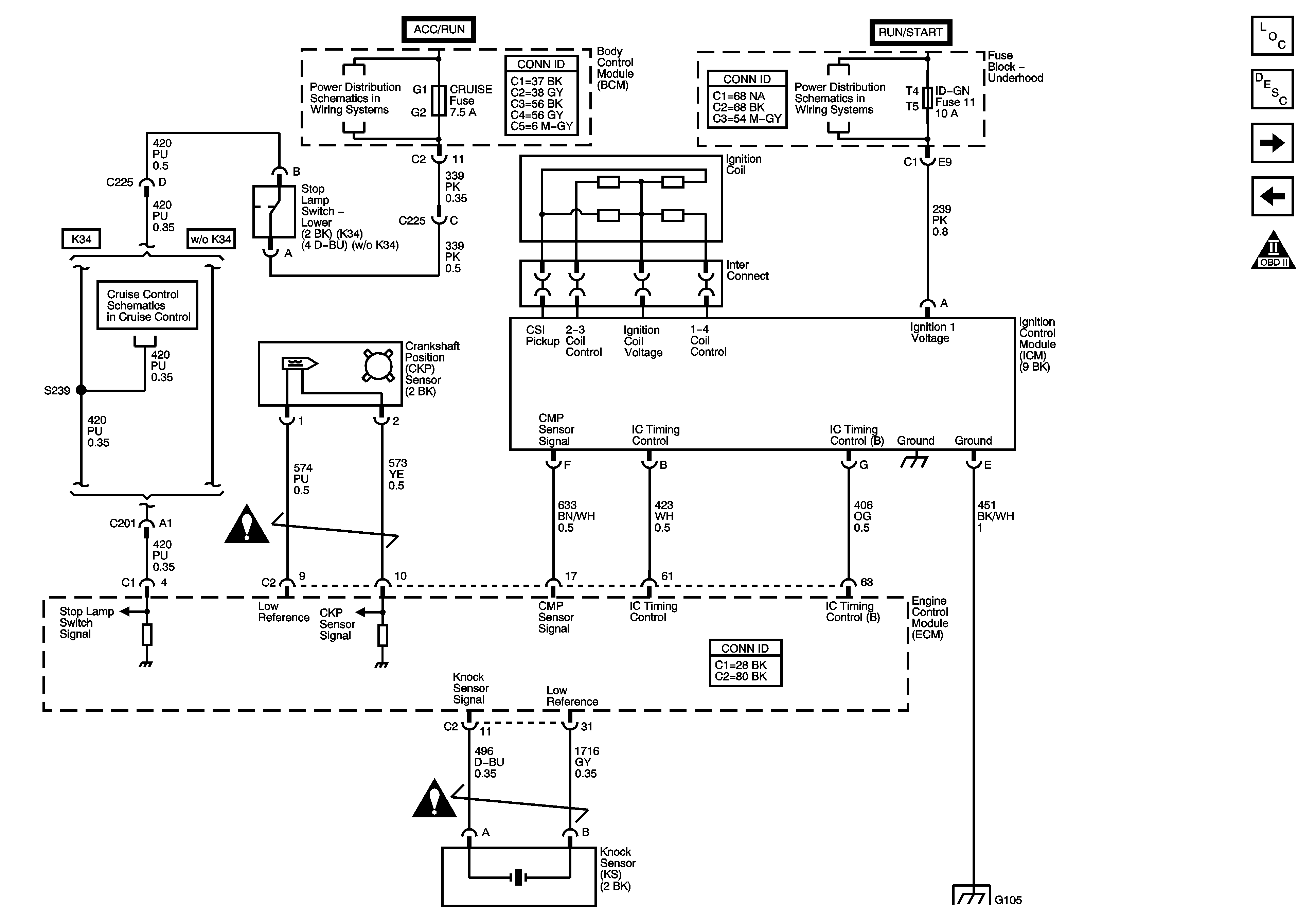
Ignition Controls
Ignition Controls
Master Electrical Component List
Engine Control Module Description
Fuel Delivery
Engine Data Sensors - HO2S
OBD II Symbol Description Notice
Fuse Block - Underhood Fuses: ERLS and Injectors, BCM Fuses: Air Bag, EPS
Fuse Block - Underhood Fuses: ABS, ABS1, ABS2, ECM, ECM/TCM, IGN, LH HDLP, Prem Audio, RH HDLP, Run/Crank
Stop Lamp Switch
Engine Controls Schematic Icons
Engine Controls Schematic Icons
G103 (2.2L), G105 (2.2L), G109