GM Service Manual Online
For 1990-2009 cars only
Makes
🢒
Saturn
🢒
2005
🢒
ION
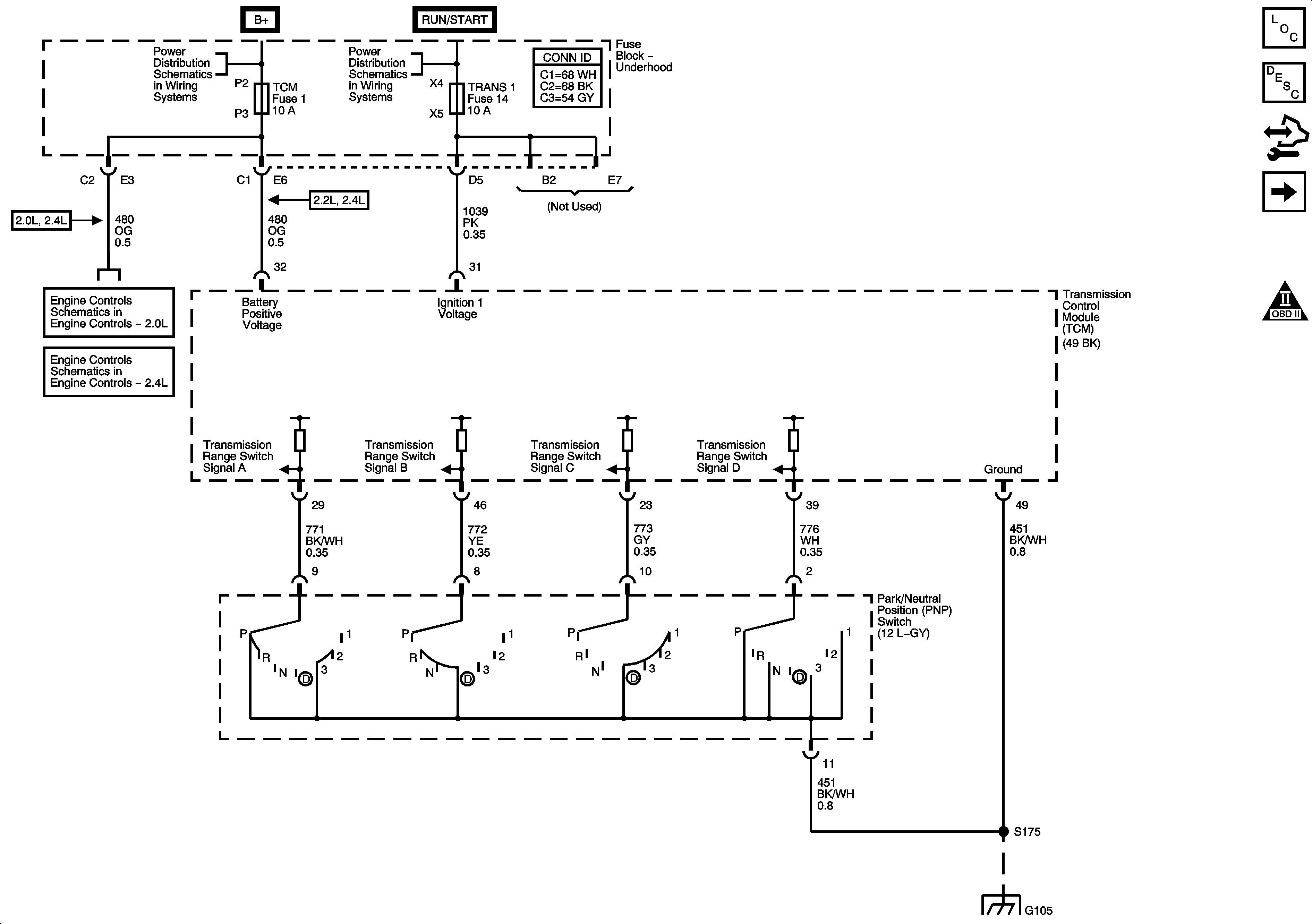
🢒 TCM Power, TCM Ground, and PNP Switch
TCM Power, TCM Ground, and PNP Switch
TCM Power, TCM Ground, and PNP Switch
Master Electrical Component List
Electronic Component Description
Control Module References
Accessory Voltage, Stop Lamp Switch, and Serial Data
OBD II Symbol Description Notice
Fuseblock - Underhood Bus
ABS (10A), BACK UP, BOOST, ECM, TRANS 1, and TRANS 2 Fuses
G103 (2.2L), G105 (2.2L), G109