GM Service Manual Online
For 1990-2009 cars only
Makes
🢒
Saturn
🢒
2005
🢒
ION
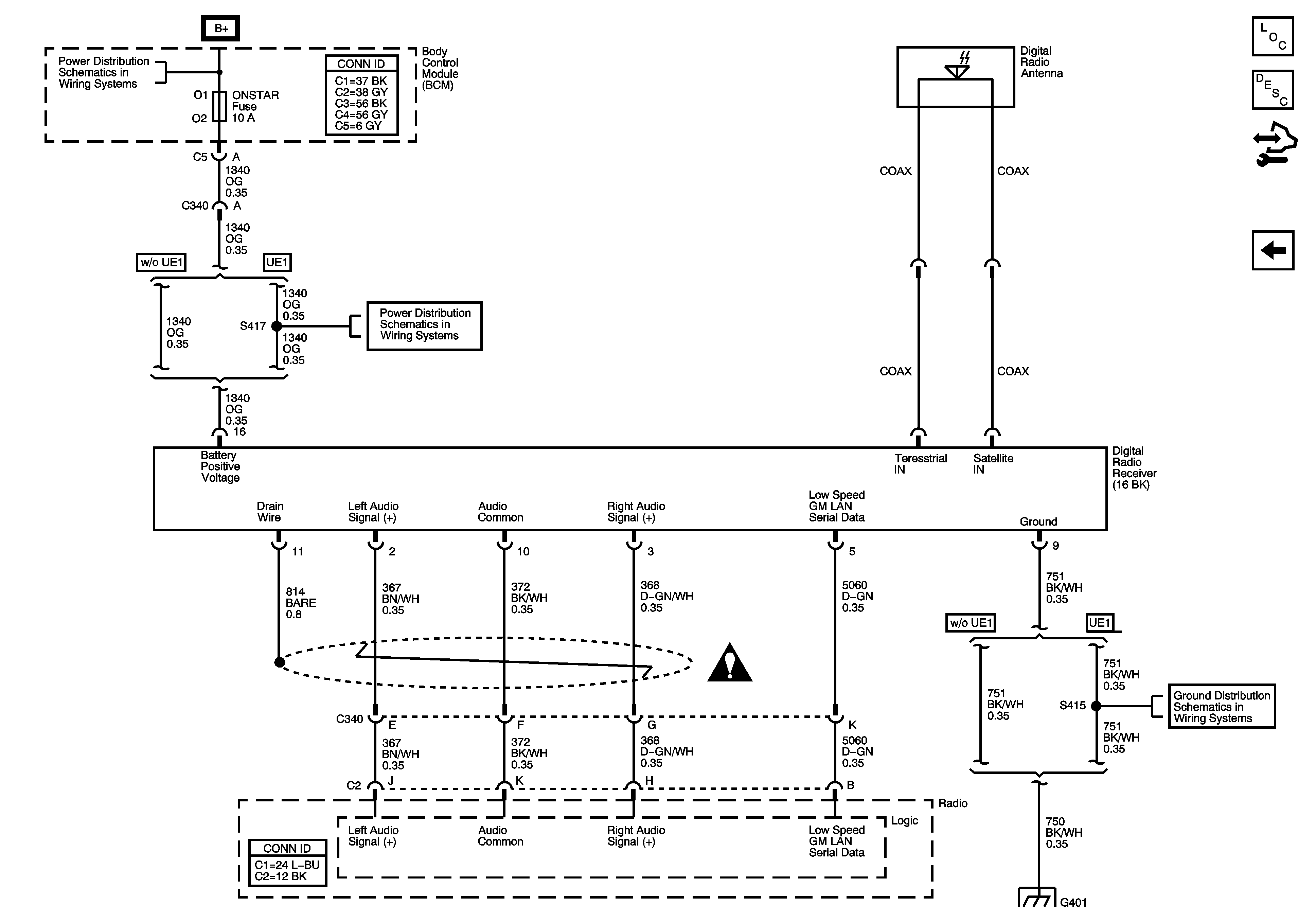
🢒 Digital Radio Receiver
Digital Radio Receiver
Digital Radio Receiver
Master Electrical Component List
Radio/Audio System Description and Operation
Control Module References
Radio to Amplifier to Speakers - UZ6
Fuseblock - Underhood Bus
BCM (PWR), DASH, IP BATT 1, IP BATT 1A, LIGHTER, ONSTAR, PARK, PWR OUTLET, PWR WINDOWS, RADIO (ACC.), RADIO (BATT), SUN ROOF, and WIPER SW Fuses
Entertainment Schematic Icons
G401
G401