GM Service Manual Online
For 1990-2009 cars only
Makes
🢒
Saturn
🢒
2005
🢒
ION
🢒 Starting
Starting
Starting
Master Electrical Component List
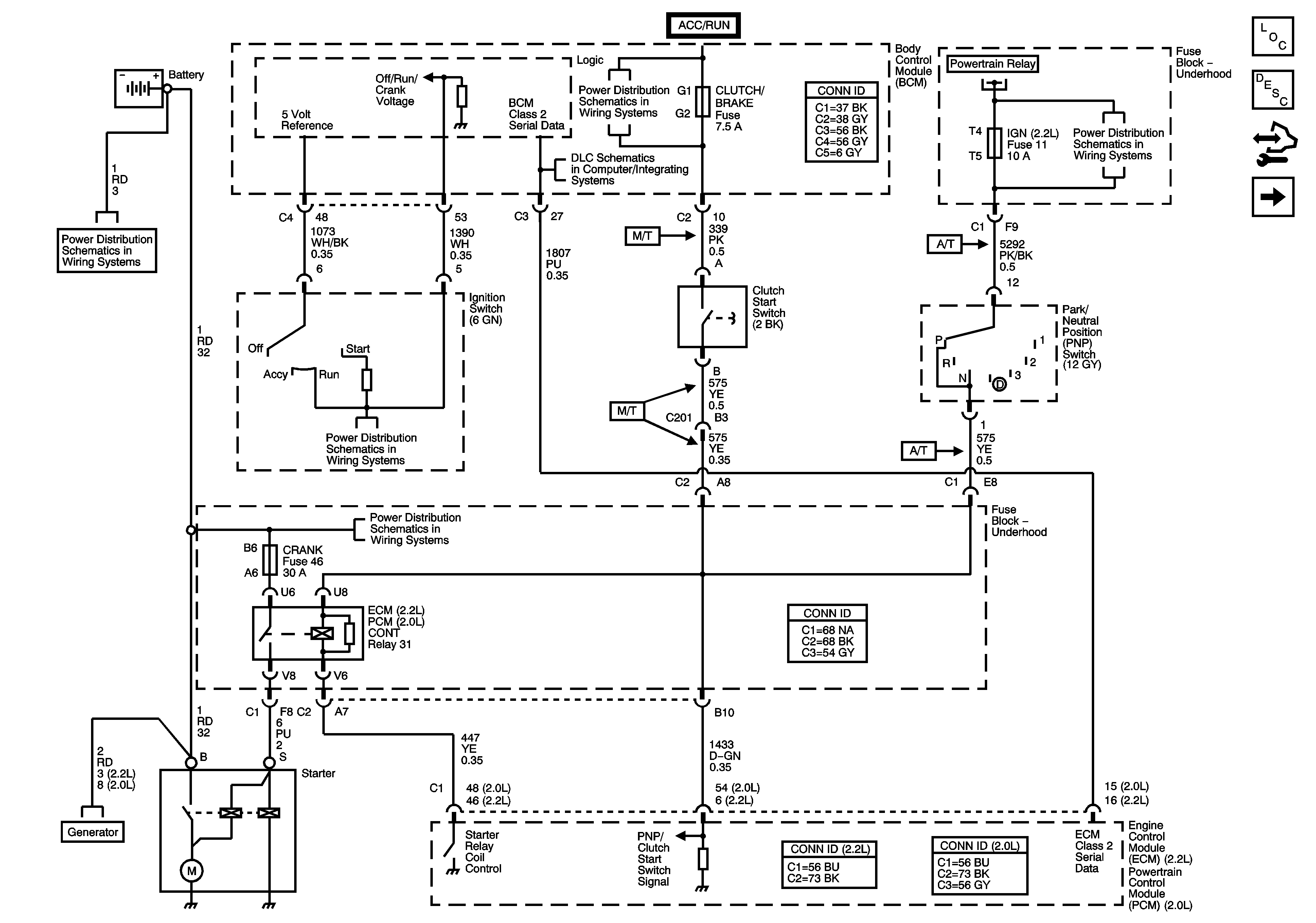
Starting System Description and Operation
Control Module References
Charging
Fuseblock - Underhood Bus
AIR BAG, CLUTCH/BRAKE, and 2A EPS (2A) Fuses
ECM/ETC, EMISS, IGN, and INJECTORS Fuses - 2.2L
ECM/ETC, EMISS, IGN, and INJECTORS Fuses - 2.2L
DLC Power, Ground, Class 2, and Low Speed GM LAN
Ignition Switch and RUN/CRANK Fuse
Fuseblock - Underhood Bus
Charging