GM Service Manual Online
For 1990-2009 cars only
Makes
🢒
Saturn
🢒
2005
🢒
ION
🢒 Defogger
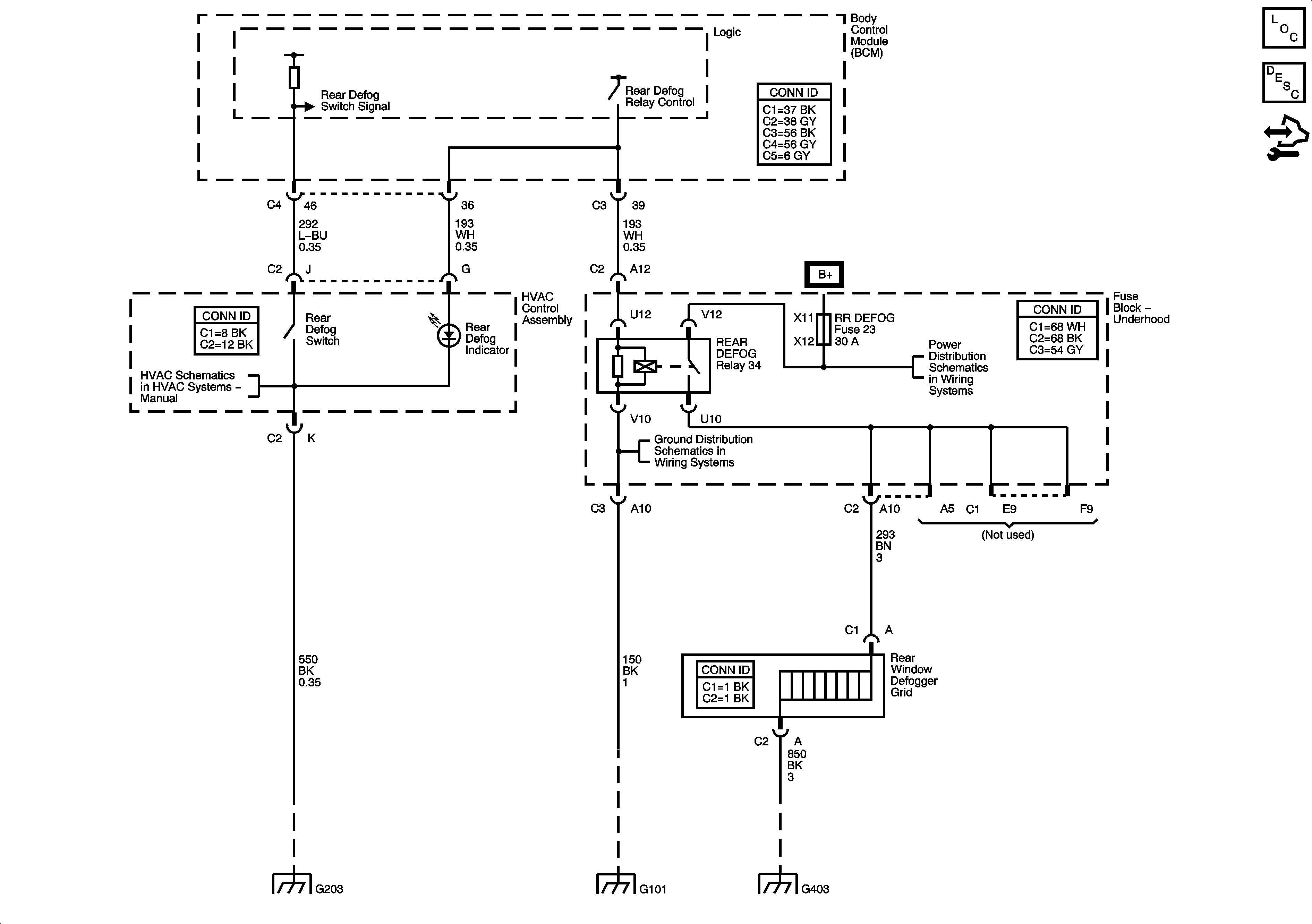
Defogger
Master Electrical Component List
Rear Window Defogger Description and Operation
Control Module References
Air Recirculation Controls - C60
G101
Fuseblock - Underhood Bus
G203
G101
G403 and G502