GM Service Manual Online
For 1990-2009 cars only
Makes
🢒
Saturn
🢒
2006
🢒
ION
🢒 Ignition Controls - Ignition System
Ignition Controls - Ignition System
Ignition Controls-Ignition System
Master Electrical Component List
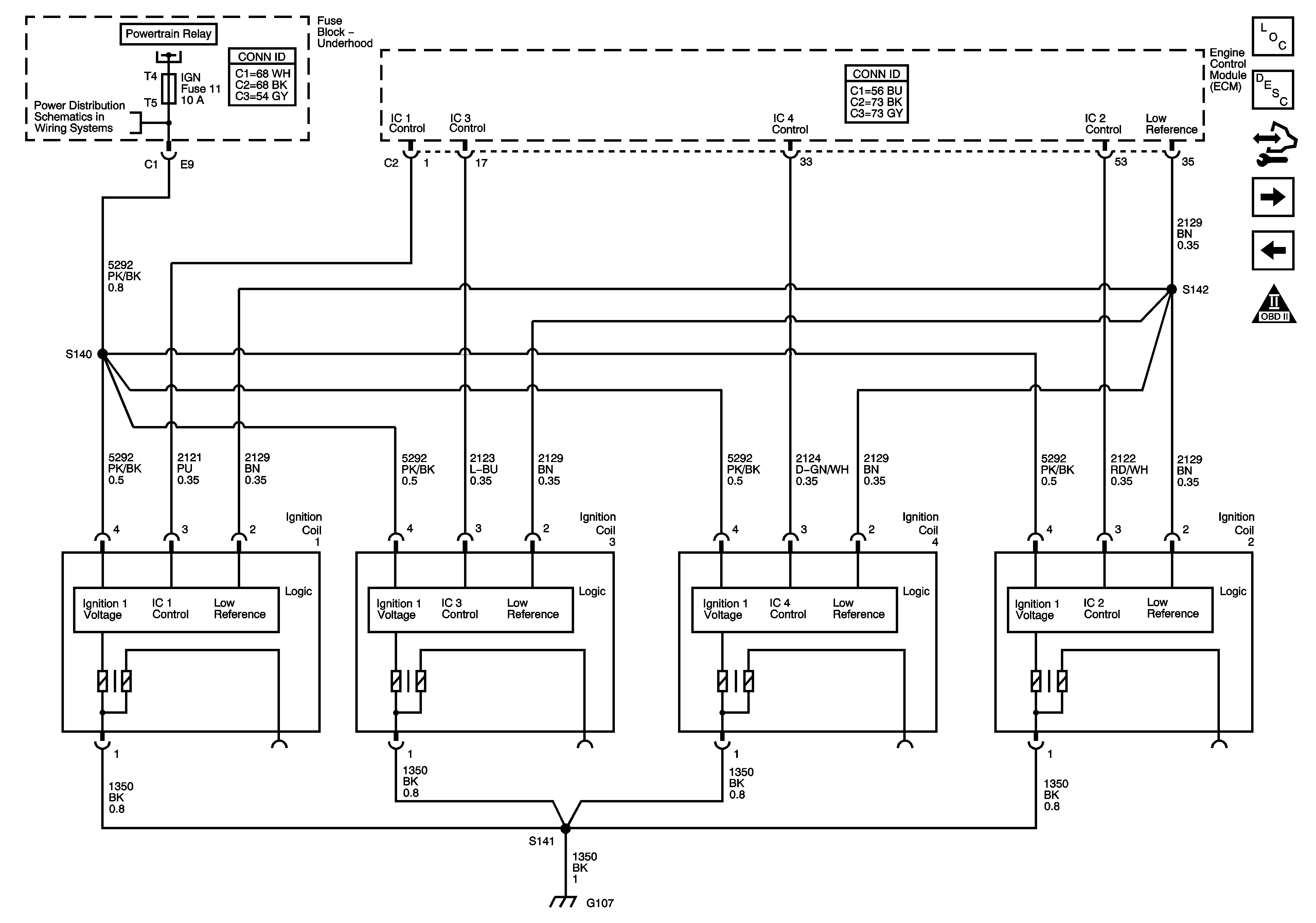
Electronic Ignition (EI) System Description
Control Module References
Ignition Controls-Sensors
Engine Data Senosrs, APP and TAC
Engine Controls Schematic Icons
COOLING FAN2, ECM/ETC, EMISS, IGN and INJECTORS Fuses, POWERTRAIN Relay - 2.4L
Power, Ground, MIL and Serial Data
G103 and G105 - 2.0L, and G107 - 2.4L