GM Service Manual Online
For 1990-2009 cars only
Makes
🢒
Saturn
🢒
2006
🢒
ION
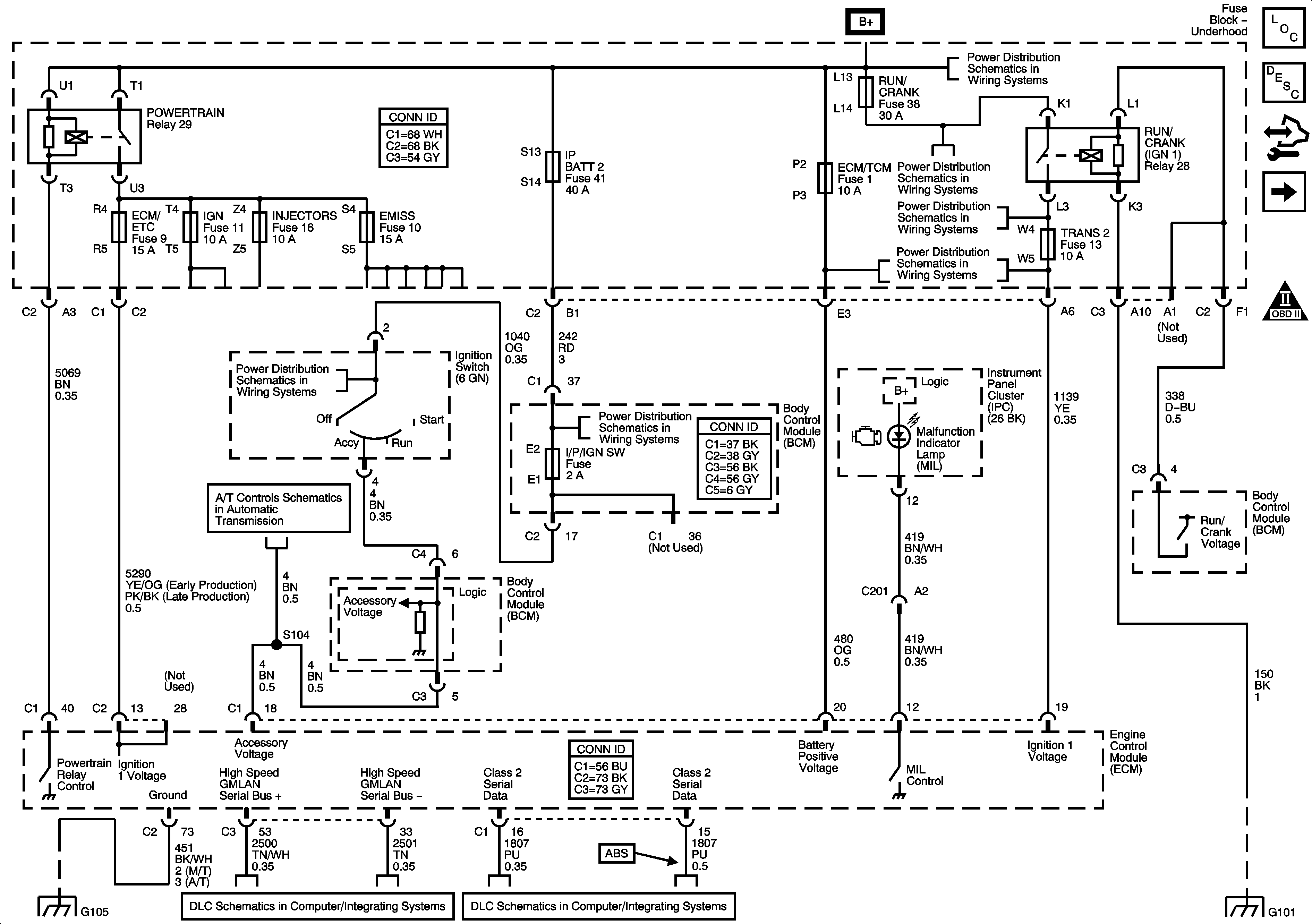
🢒 Power, Ground, MIL and Serial Data
Power, Ground, MIL and Serial Data
Power, Ground, MIL, and Serial Data
Master Electrical Component List
Engine Control Module Description
Control Module References
Engine Data Sensors-5-Volt and Low References
Engine Controls Schematic Icons
B+ Bus
Ignition Switch, RUN/CRANK Fuse, RUN/CRANK (IGN1) Relay
ABS (10A), BACK UP, BOOST, ECM, TRANS 1, and TRANS 2 Fuses
ABS (10A), BACK UP, BOOST, ECM, TRANS 1, and TRANS 2 Fuses
Ignition Switch, RUN/CRANK Fuse, RUN/CRANK (IGN1) Relay
Accessory Voltage, Stop Lamp Switch, and Serial Data
BCM ELECT, CLUSTER/AOS, EPS (60A), FUEL PUMP, HVAC, IGN SW, IP BATT 2, RUN (IGN 3), and STOP Fuses, RUN and FUEL PUMP Relays
High Speed GM LAN - 2.2L
DLC Power, Ground, Class 2, and Low Speed GM LAN
G103 and G105 - 2.2L, 2.4L, and G109
G101