GM Service Manual Online
For 1990-2009 cars only
Makes
🢒
Saturn
🢒
2007
🢒
ION
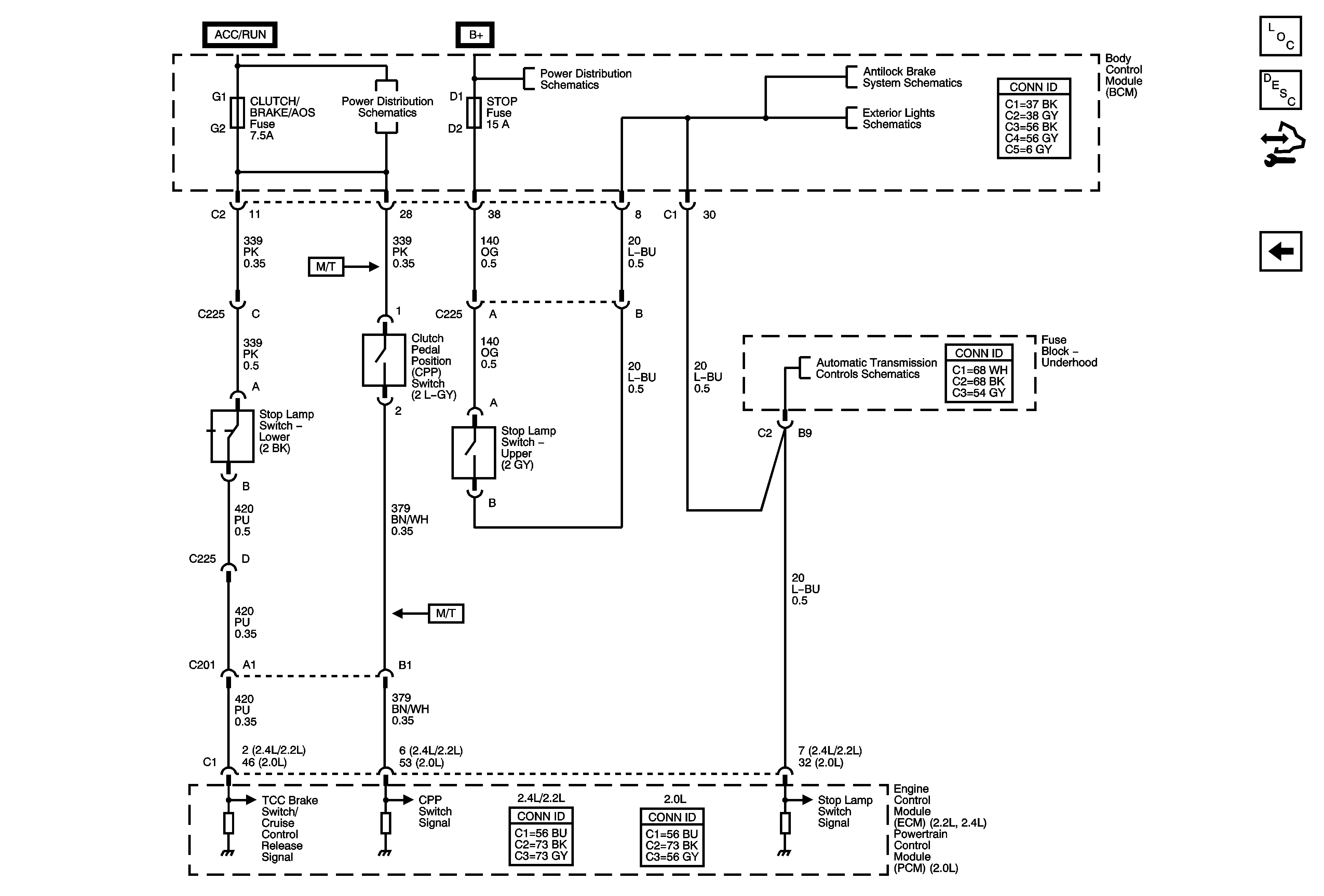
🢒 Stop Lamp and Clutch Switches
Stop Lamp and Clutch Switches
Stop Lamp and Clutch Switches
Master Electrical Component List
Cruise Control Description and Operation (2.0L)
Control Module References
Driver Controls
AIR BAG/AOS, CLUTCH/BRAKE/AOS, EPS/CRUISE Fuses
BCM, ELECT, CLUSTER/AOS, EPS (60A), FUEL PUMP, HVAC, IGN SW, IP BATT 2, RUN (IGN3), and STOP Fuses, RUN and Fuel Pump Relays
Traction Control, DLC, and Indicators
Stop Lamps
Accessory Voltage, Stop Lamp Switch, and Serial Data