GM Service Manual Online
For 1990-2009 cars only
Makes
🢒
Saturn
🢒
2007
🢒
ION
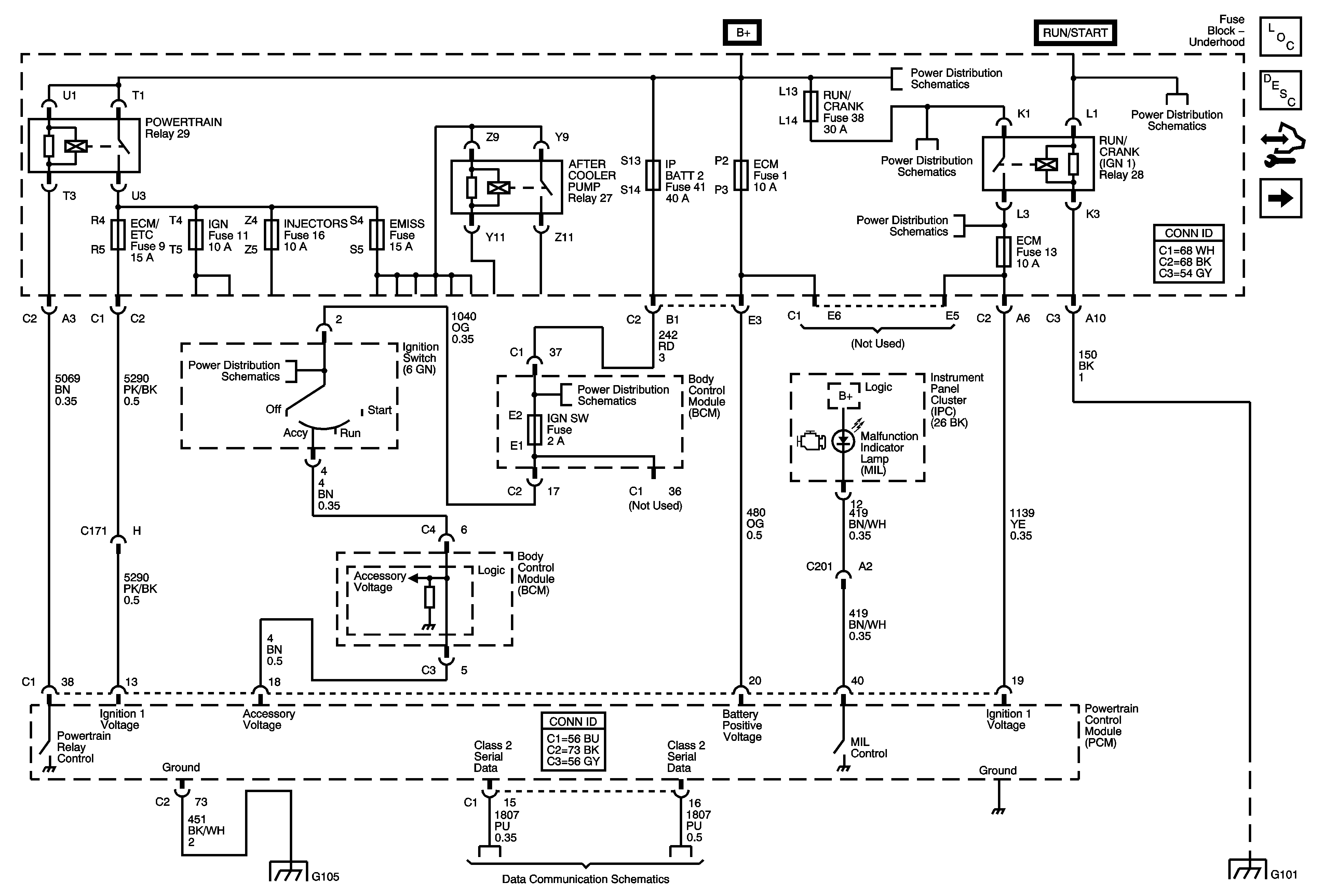
🢒 Power, Ground, MIL, and Serial Data
Power, Ground, MIL, and Serial Data
Power, Ground, MIL, and Serial Data
Master Electrical Component List
Powertrain Control Module Description
Control Module References
Engine Data Sensors - 5-Volt and Low References
Ignition Switch, RUN/CRANK Fuse, RUN/CRANK (IGN1) Relay
Ignition Switch, RUN/CRANK Fuse, RUN/CRANK (IGN1) Relay
ABS (IOA), BACK UP, BOOST, ECM, TRANS 1, and TRANS 2 Fuses
G103 and G105 - 2.0L, G107 - 2.2L / 2.4L
Power, Ground, Class 2, and Low Speed GMLAN
G101