GM Service Manual Online
For 1990-2009 cars only
Makes
🢒
Saturn
🢒
2007
🢒
ION
🢒 Ignition Controls
Ignition Controls
Ignition Controls
Master Electrical Component List
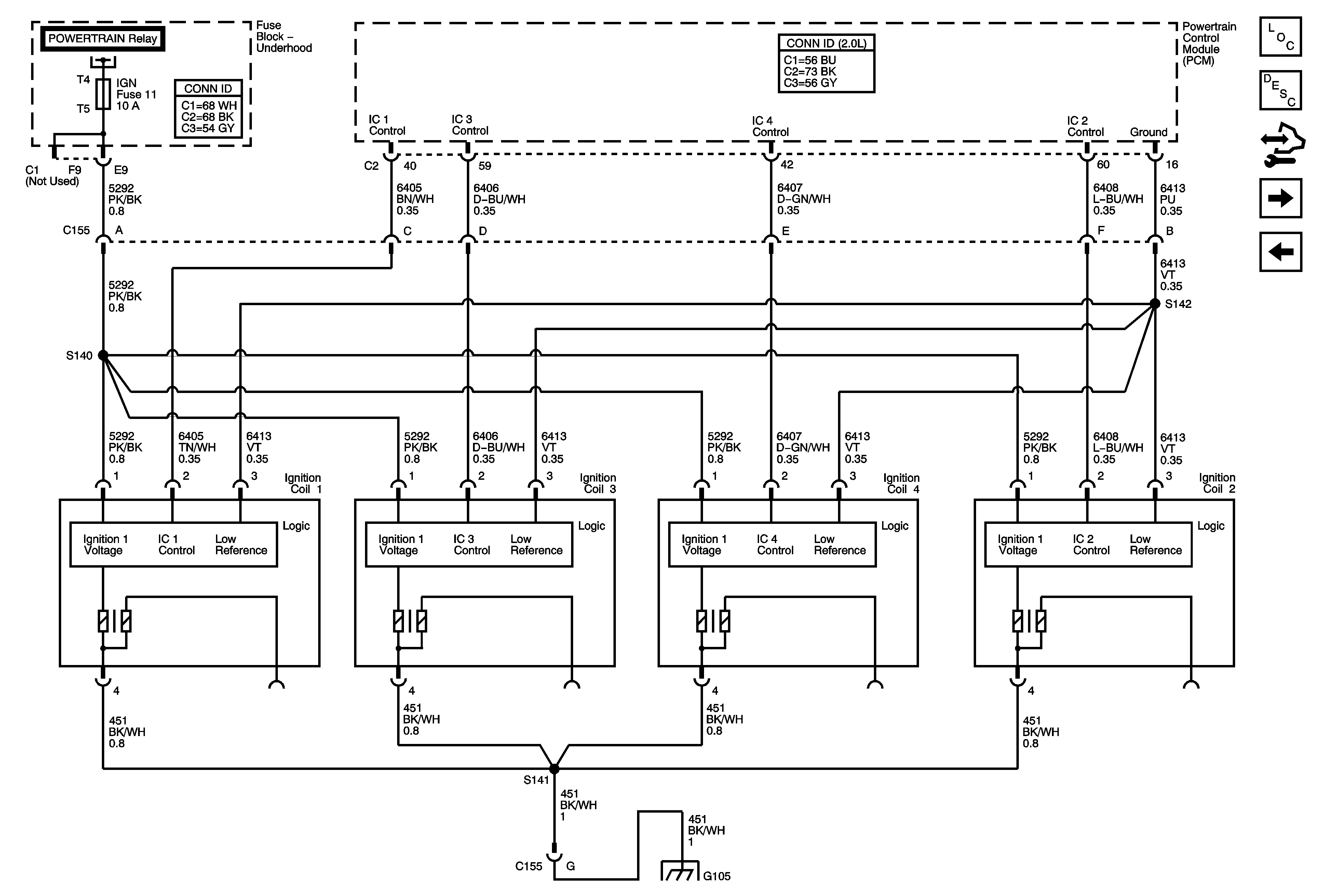
Electronic Ignition (EI) System Description
Control Module References
Fuel Controls
Engine Data Sensors - APP and TAC
G103 and G105 - 2.0L, G107 - 2.2L / 2.4L