GM Service Manual Online
For 1990-2009 cars only
Makes
🢒
Saturn
🢒
2007
🢒
ION
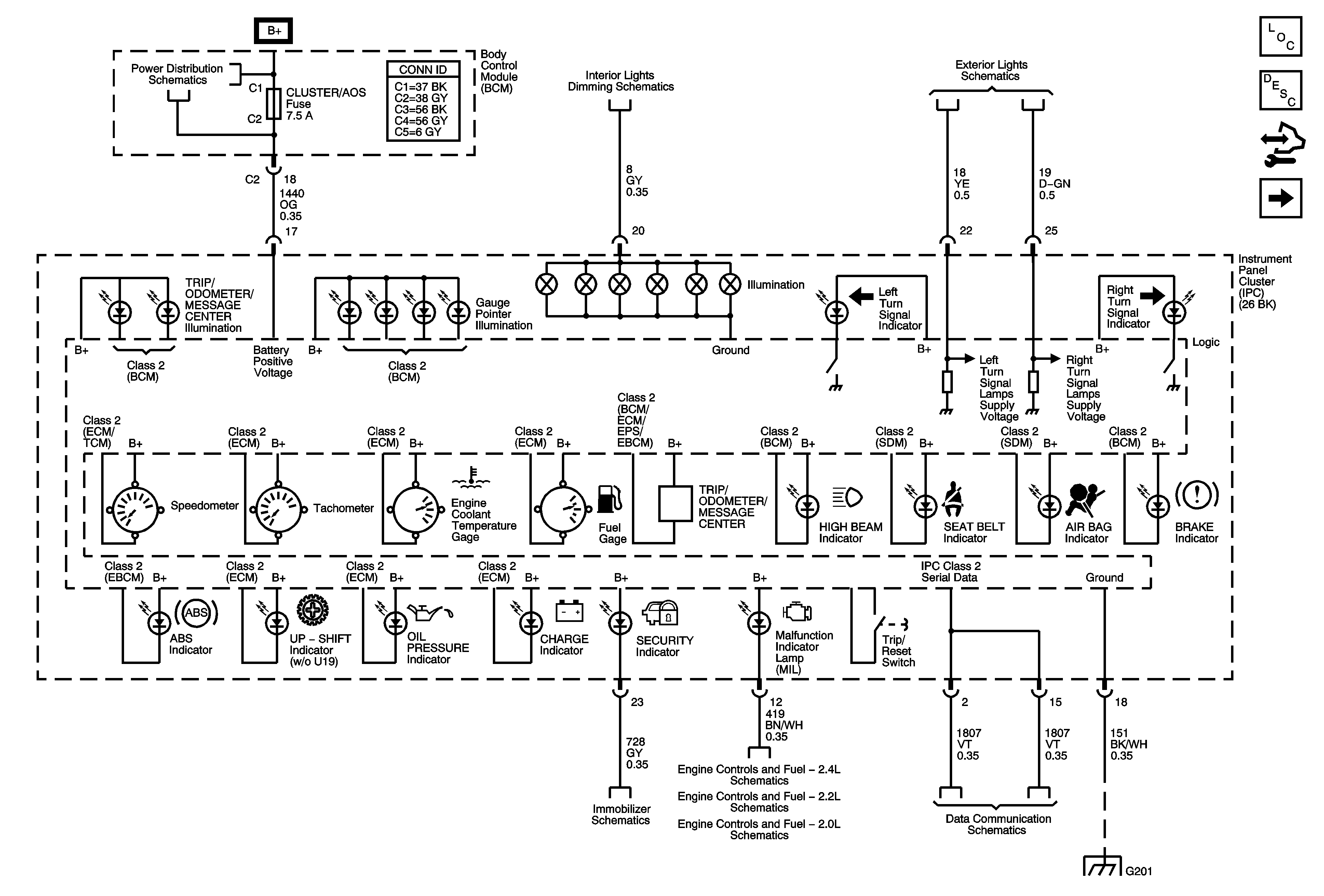
🢒 DLC, Gages, Ground, Indicators, and Power
DLC, Gages, Ground, Indicators, and Power
DLC, Gages, Ground, Indicators, and Power
Master Electrical Component List
Instrument Cluster Description and Operation
Control Module References
Fuel Level and Oil Pressure
BCM, ELECT, CLUSTER/AOS, EPS (60A), FUEL PUMP, HVAC, IGN SW, IP BATT 2, RUN (IGN3), and STOP Fuses, RUN and Fuel Pump Relays
Turn Signal/Multifunction Switch, Instrument Panel Cluster, I/P Dimmer Switch, Hazard Switch, Fog Lamp Switch, Traction Control Switch, and Radio
Turn/Hazard Lamps
Vehicle Theft Deterrent
Power, Ground, MIL, and Serial Data
Power, Ground, MIL, and Serial Data
Power, Ground, MIL, and Serial Data
Power, Ground, Class 2, and Low Speed GMLAN
G201