GM Service Manual Online
For 1990-2009 cars only
Makes
🢒
Saturn
🢒
2003
🢒
L200/LW200
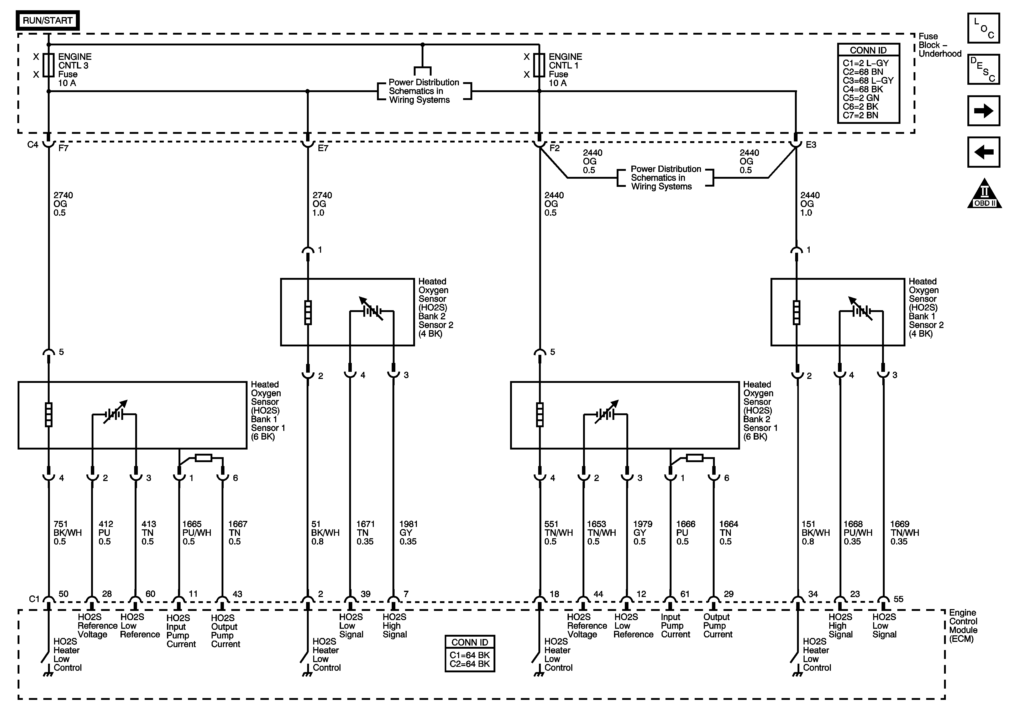
🢒 Engine Data Sensors- HO2 Sensors
Engine Data Sensors- HO2 Sensors
Engine Data Sensors - HO2 Sensors
Master Electrical Component List
Fuel System Description
Electronic Throttle Control
Engine Data Sensors- Pressure, Temp, VSS- w/o ABS
OBD II Symbol Description Notice
Fuse Block-Underhood : AC, Fuel Pump, ENG Control1, ENG Control2 and ENG Control3
Fuse Block-Underhood : AC, Fuel Pump, ENG Control1, ENG Control2 and ENG Control3