GM Service Manual Online
For 1990-2009 cars only
Makes
🢒
Saturn
🢒
2003
🢒
L200/LW200
🢒 Fuel System
Fuel System
Fuel System
Master Electrical Component List
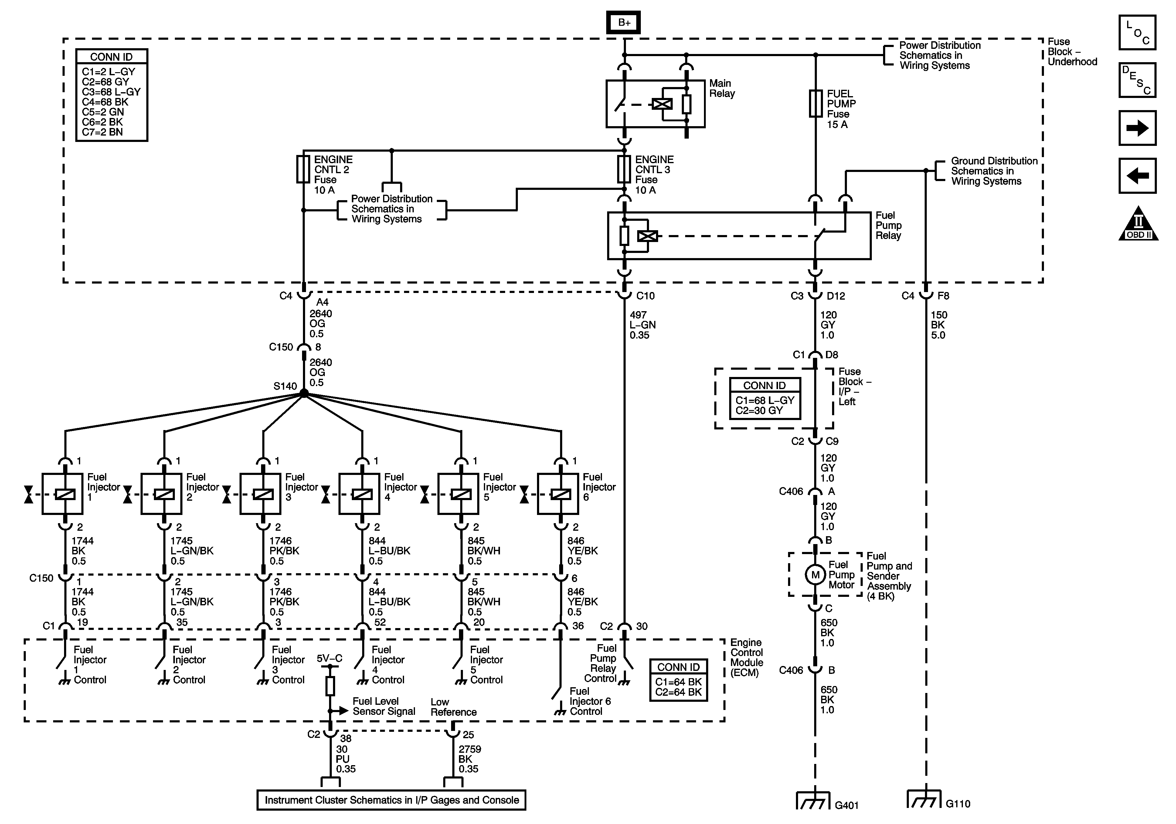
Fuel System Description
EGR and EVAP
Ignition Control Sensors
OBD II Symbol Description Notice
Fuse Block-Underhood Bus
Fuse Block-Underhood : AC, Fuel Pump, ENG Control1, ENG Control2 and ENG Control3
G102, G110, G118, G114
Gages
G305, G401, G399 and G400
G102, G110, G118, G114