GM Service Manual Online
For 1990-2009 cars only
Makes
🢒
Saturn
🢒
2003
🢒
L200/LW200
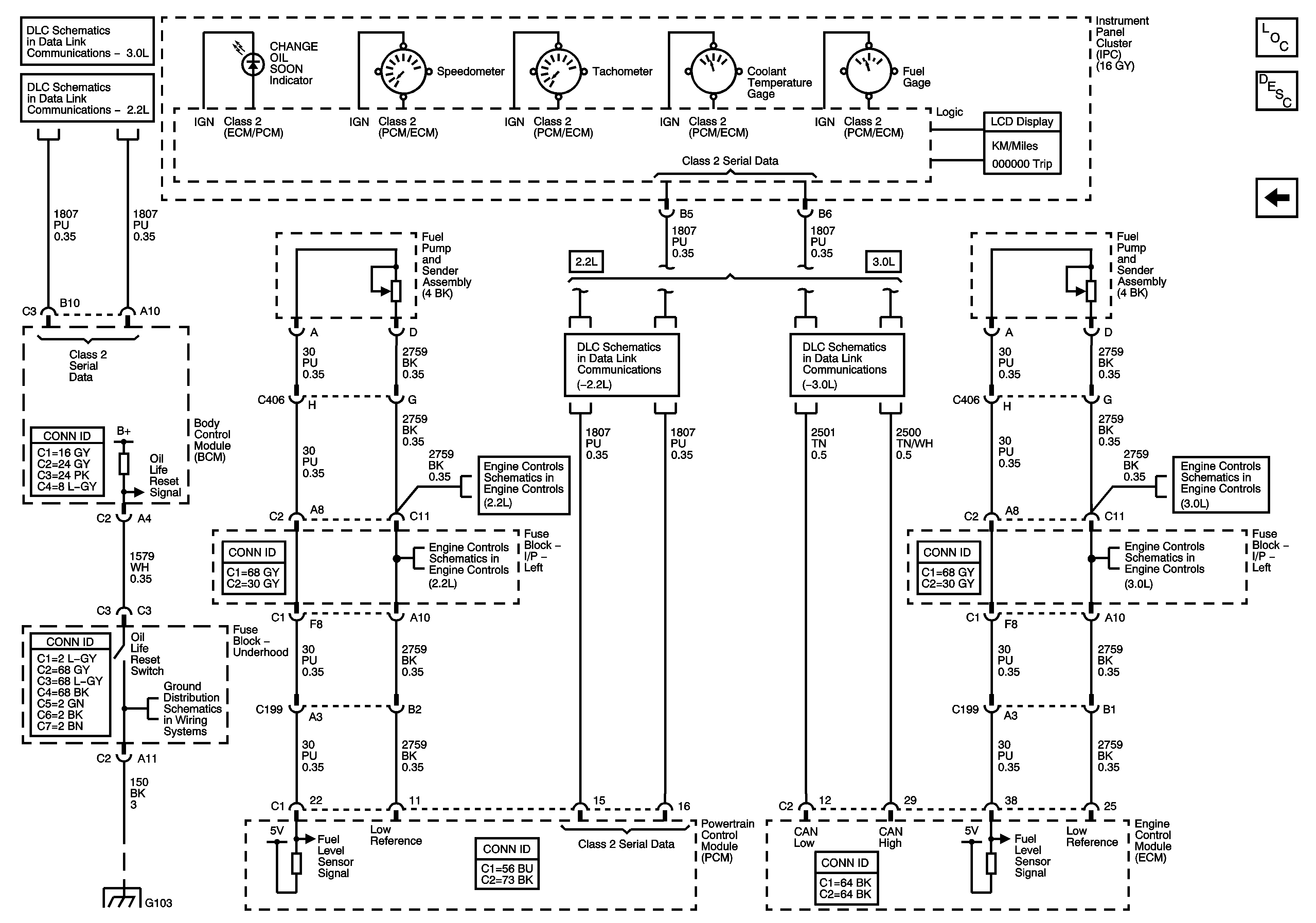
🢒 Gages
Gages
Gages
Master Electrical Component List
Instrument Cluster Description and Operation
Power, Ground, and Indicators
3.0L
2.2L
3.0L
Engine Data Sensors- 5 Volt and Low Reference
Engine Data Sensors- 5 Volt and Low Reference
Engine Data Sensors- Low References
Engine Data Sensors- Low References
G105, G103, G113 and G107
G105, G103, G113 and G107