GM Service Manual Online
For 1990-2009 cars only
Makes
🢒
Saturn
🢒
2003
🢒
L200/LW200
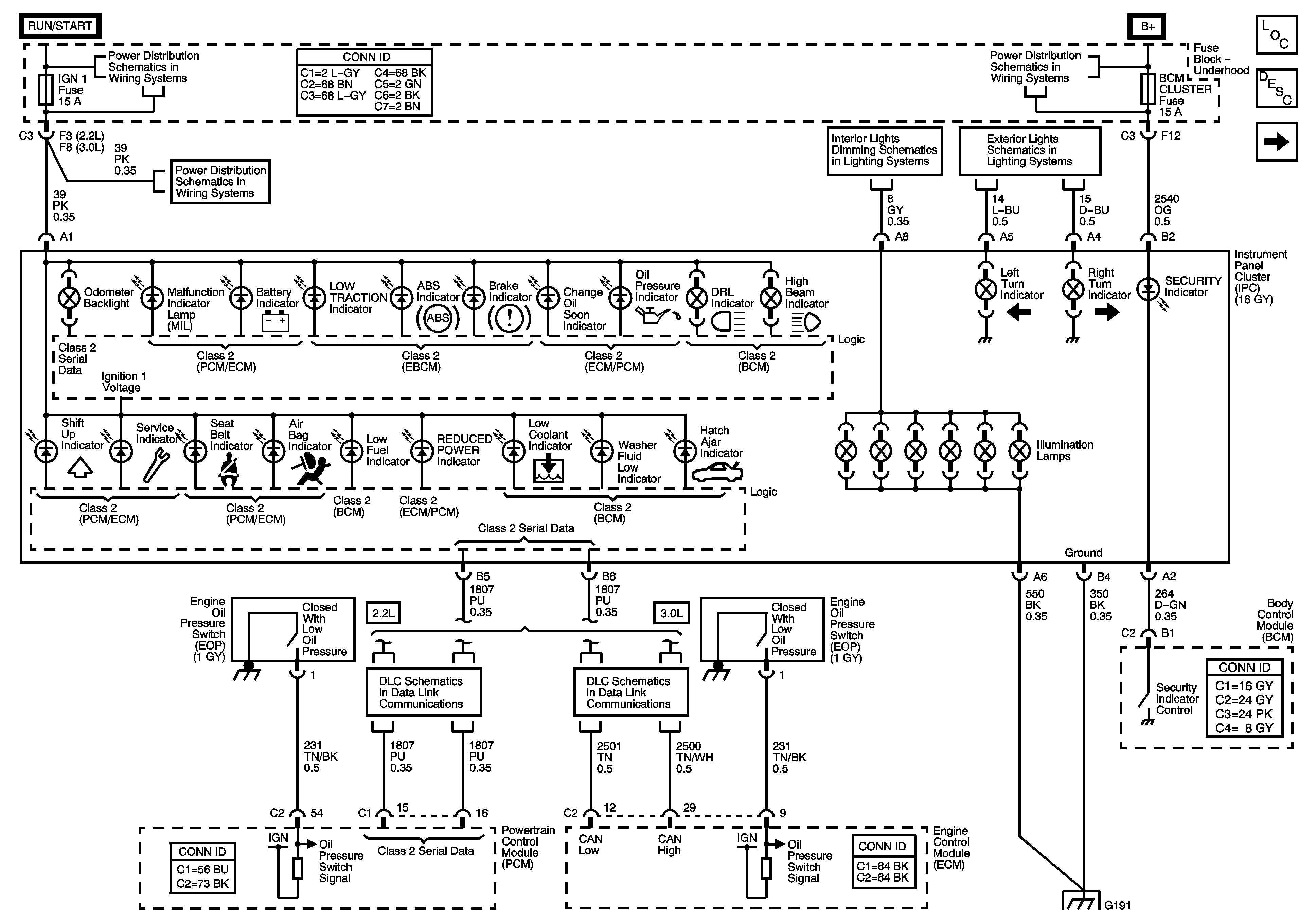
🢒 Power, Ground, and Indicators
Power, Ground, and Indicators
Power, Ground, and Indicators
Master Electrical Component List
Indicator/Warning Message Description and Operation
Gages
Fuse Block-Underhood : BCM/ECM/Cruise/ABS, Cruise Switch, IGN1 and Backup/Turn
Fuse Block-Underhood : BCM/ECM/Cruise/ABS, Cruise Switch, IGN1 and Backup/Turn
03 J saFuse Block-Underhood : RR Defog and BCM Cluster - Fuse Block-Left I/P : Defog
Interior Lights Dimming Schematics
Turn/Hazard Lights
2.2L
3.0L
G191 and G303