GM Service Manual Online
For 1990-2009 cars only
Makes
🢒
Saturn
🢒
2003
🢒
L200/LW200
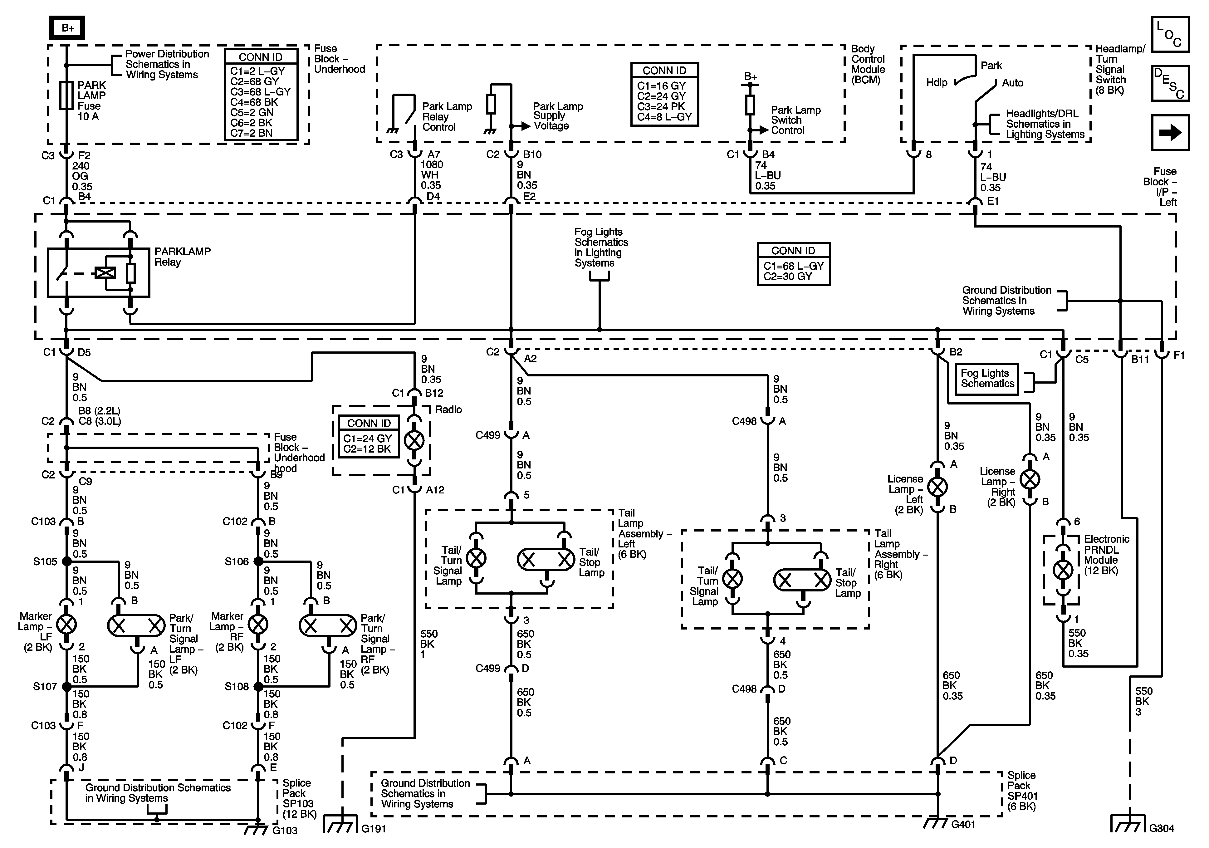
🢒 Park Lamps- Sedan
Park Lamps- Sedan
Parking Lamps- Sedan
Master Electrical Component List
Exterior Lighting Systems Description and Operation
Park Lamps- Wagon
Fuse Block-Underhood : Cooling Fan2, Cooling Fan1, ABS1, ABS2, Park Lamp, Hazard, Brake and Controls B+
Headlights/DRL Schematics
Fog Lights Schematics
G300, G304
G105, G103, G113 and G107
G305, G401, G399 and G400
G191 and G303
G300, G304