GM Service Manual Online
For 1990-2009 cars only
Makes
🢒
Saturn
🢒
2003
🢒
L200/LW200
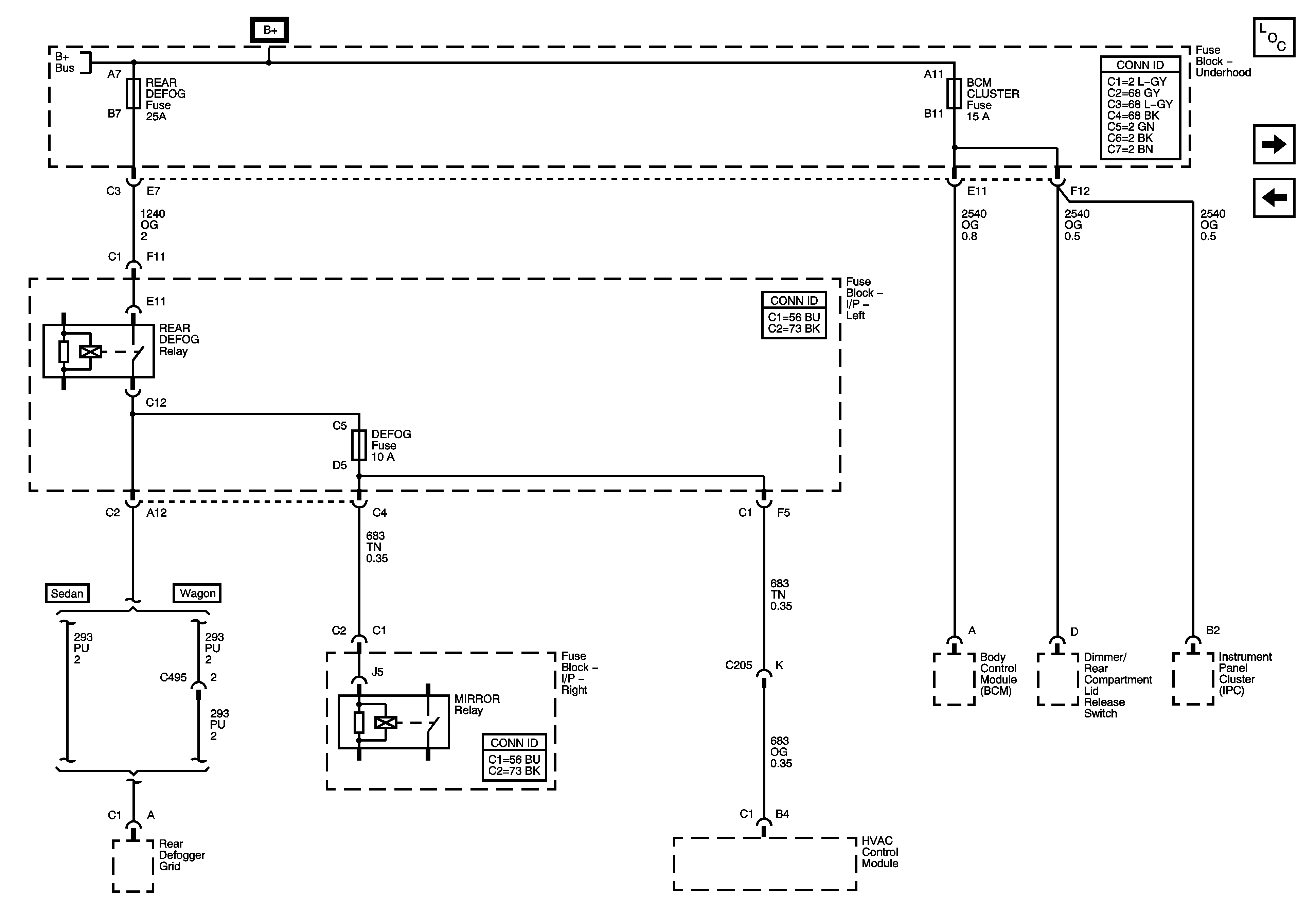
🢒 Fuse Block Underhood Fuses:Rear Defog, BCM Cluster; Fuse Block-Left I/P Fuses: Defog
Fuse Block Underhood Fuses:Rear Defog, BCM Cluster; Fuse Block-Left I/P Fuses: Defog
Fuse Block-Underhood : RR Defog and BCM Cluster . Fuse Block-Left I/P : Defog
Master Electrical Component List
Fuse Block Underhood Fuses: AC, Fuel Pump, ENG Control, ENG Control2, ENG Control3
Fuse Block Underhood Fuses: HVAC Blower, Radio, CD/DLC Fuse Block-Left I/P Fuses: IGN3
Fuse Block - Underhood Bus