GM Service Manual Online
For 1990-2009 cars only
Makes
🢒
Saturn
🢒
2003
🢒
L200/LW200
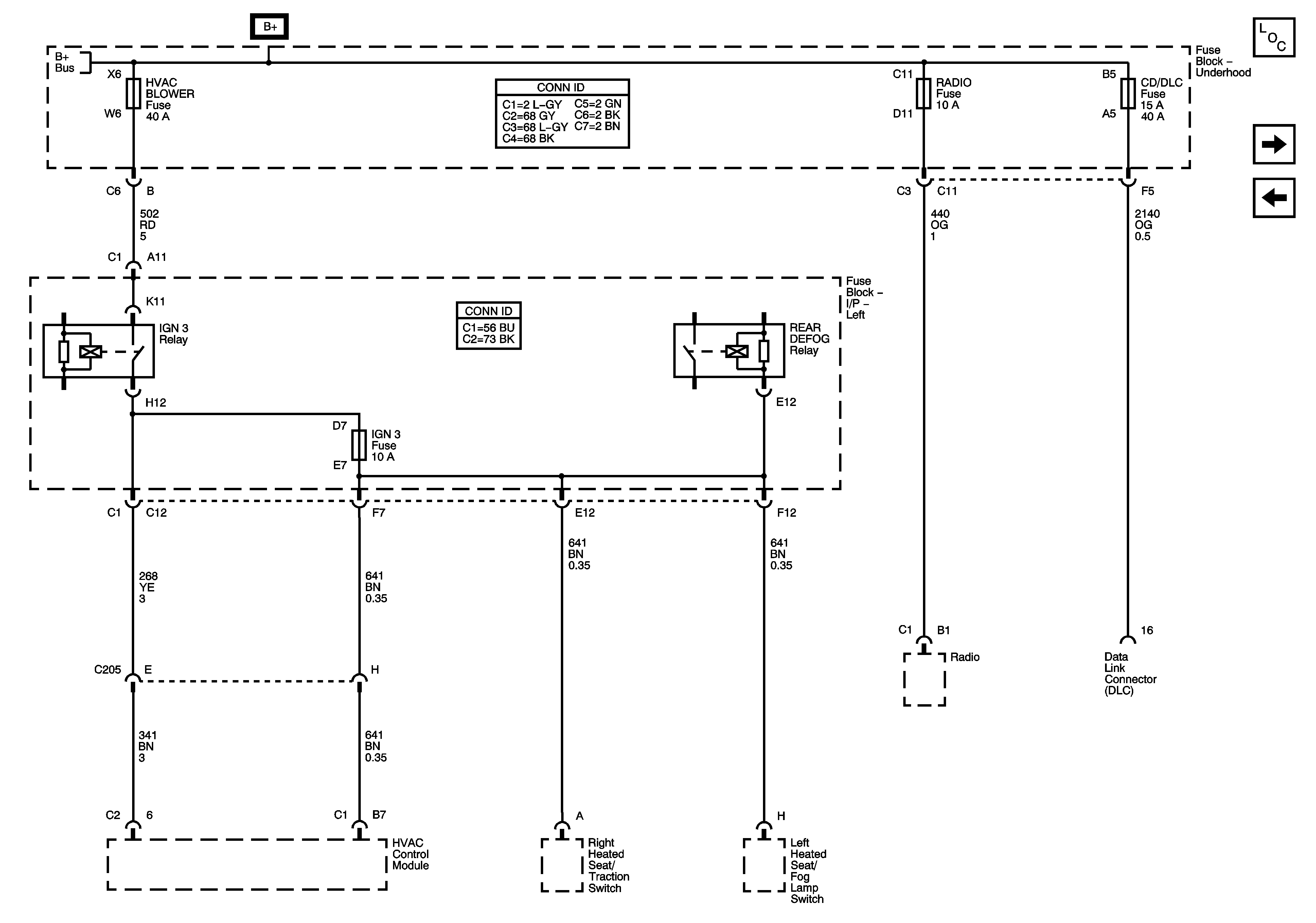
🢒 Fuse Block Underhood Fuses: HVAC Blower, Radio, CD/DLC Fuse Block-Left I/P Fuses: IGN3
Fuse Block Underhood Fuses: HVAC Blower, Radio, CD/DLC Fuse Block-Left I/P Fuses: IGN3
Fuse Block-Underhood : HVAC Blower, Radio/Onstar and CD/DLC . Fuse Block-Left I/P : IGN3
Master Electrical Component List
Fuse Block Underhood Fuses: Rear Defog, BCM Cluster; Fuse Block-Left I/P Fuses: Defog
Fuse Block-Underhood Fuses: IP BATT RT FUse Block- Right I/P Fuses: Prev Amp, Door Locks, Body, Fog Lamps
Fuse Block - Underhood Bus