GM Service Manual Online
For 1990-2009 cars only
Makes
🢒
Saturn
🢒
2003
🢒
L200/LW200
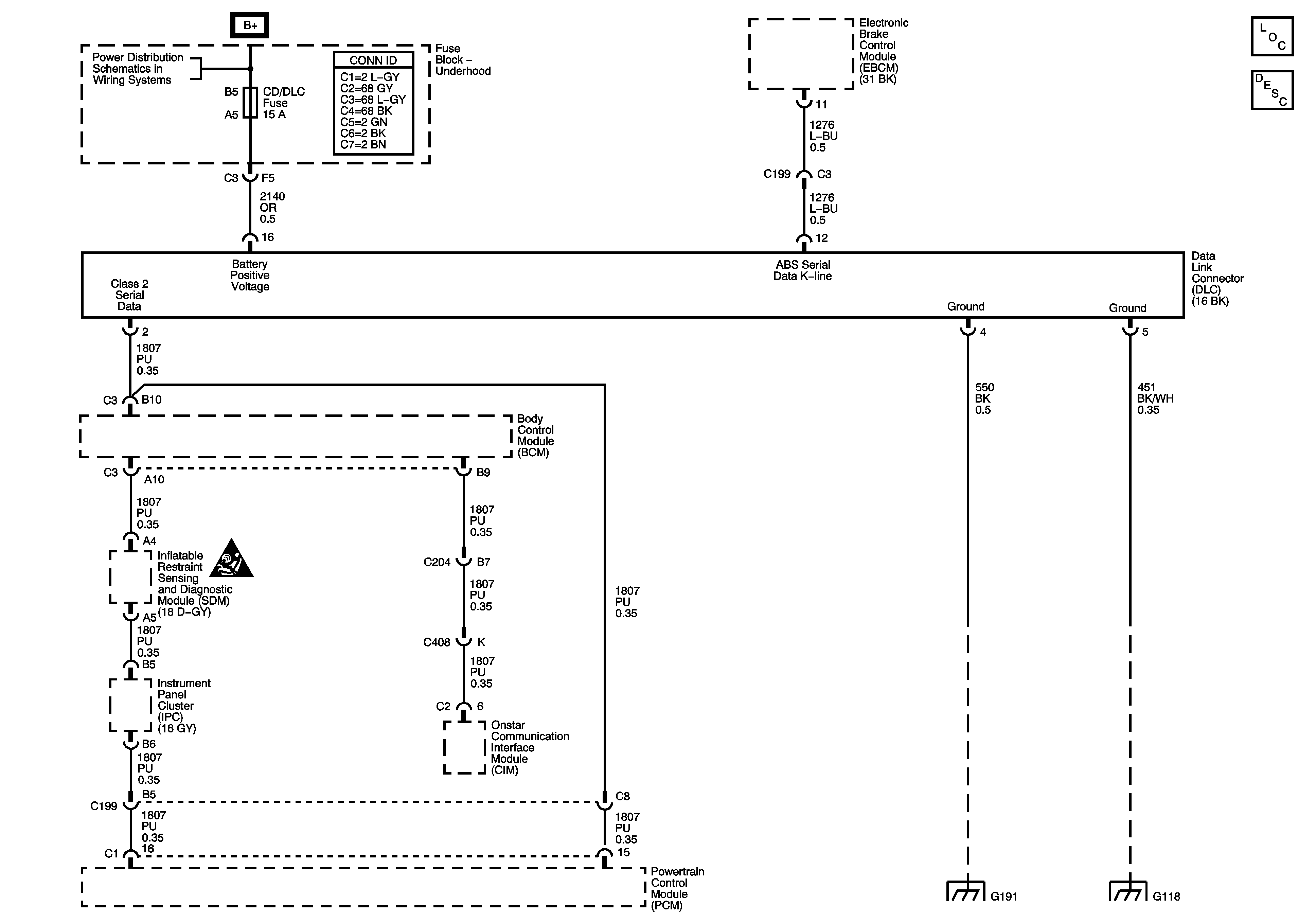
🢒 DLC Schematics (2.2L)
DLC Schematics (2.2L)
Master Electrical Component List
Data Link Communications Description and Operation
Fuse Block - Underhood Bus
G191, G303
G102, G110, G118, G114
SIR Caution for Zoning