GM Service Manual Online
For 1990-2009 cars only
Makes
🢒
Saturn
🢒
2003
🢒
L200/LW200
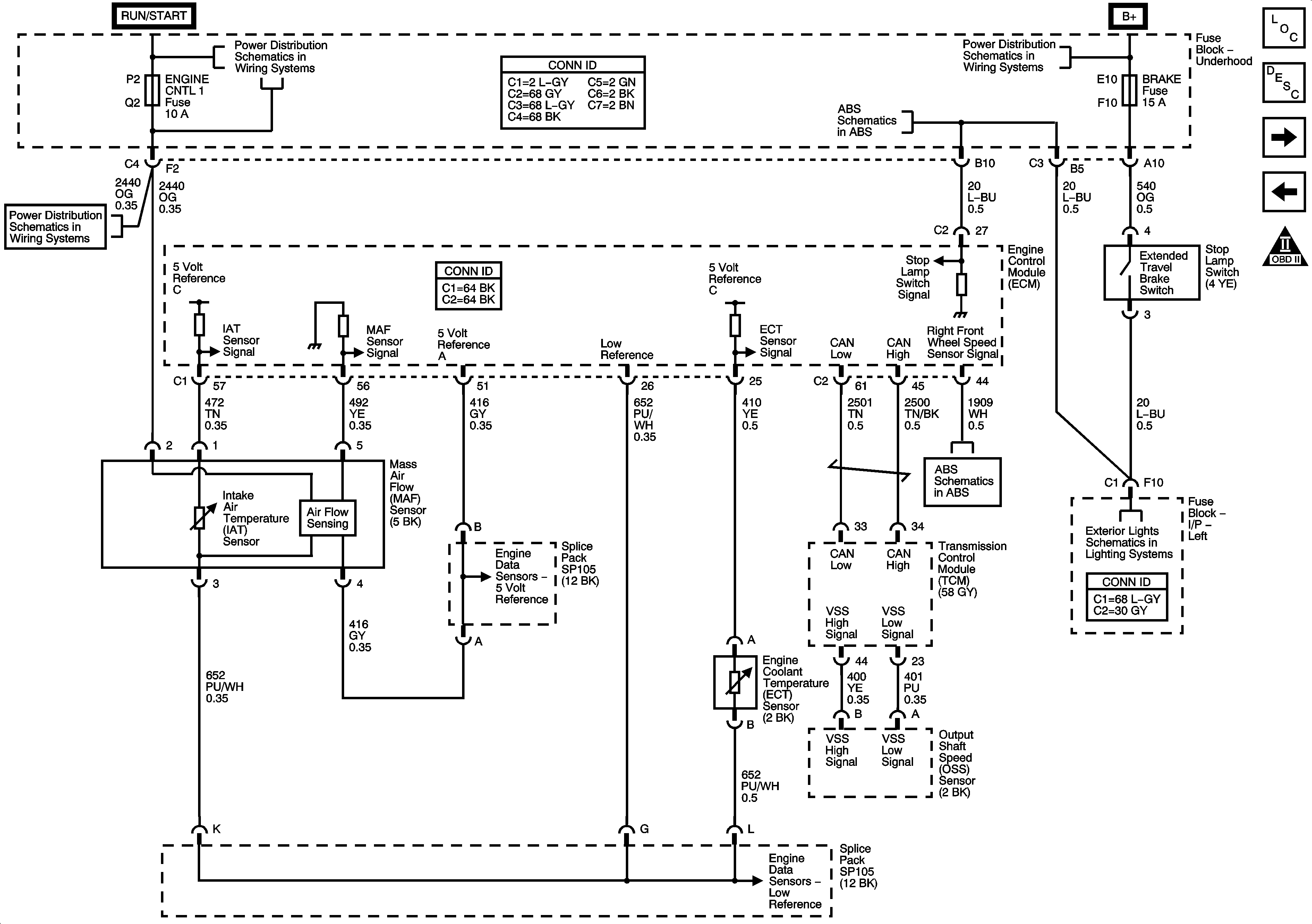
🢒 Engine Data Sensors-Pressure, Temperature, VSS w/ ABS
Engine Data Sensors-Pressure, Temperature, VSS w/ ABS
Engine Data Sensors - Pressure, Temperature and VSS
Master Electrical Component List
Engine Control Module Description
Engine Data Sensors-Oxygen Sensors
Engine Data Sensors-Low References
OBD II Symbol Description Notice
Fuse Block Underhood Fuses: AC, Fuel Pump, ENG Control, ENG Control2, ENG Control3
Fuse Block Underhood Fuses: AC, Fuel Pump, ENG Control, ENG Control2, ENG Control3
Fuse Block - Underhood Fuses: Cooling Fan 2, Cooling Fan 1, ABS1, ABS2, Parklamp
Module Power, Ground, Serial Data, and Switches - 3.0L
Wheel Speed Sensors
Module Power, Ground, Serial Data, and Switches - 3.0L