GM Service Manual Online
For 1990-2009 cars only
Makes
🢒
Saturn
🢒
2003
🢒
L200/LW200
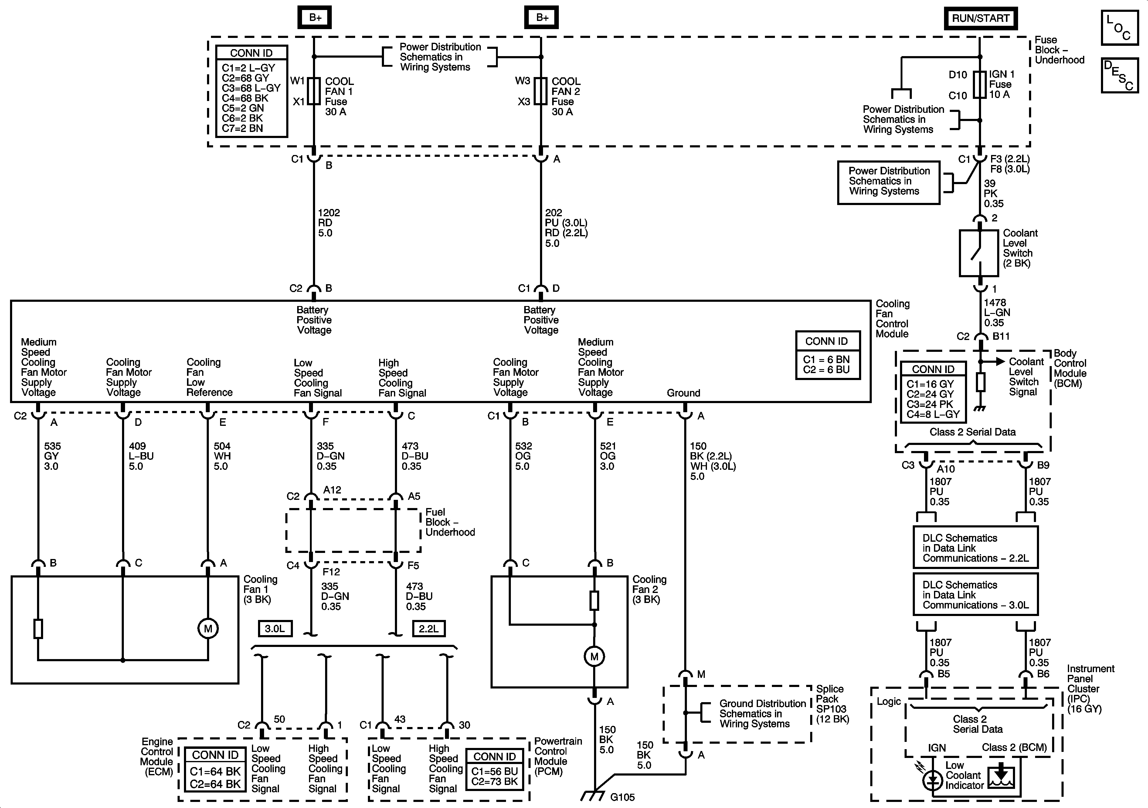
🢒 Engine Cooling Schematics
Engine Cooling Schematics
Master Electrical Component List
Cooling System Description and Operation
Fuse Block - Underhood Bus
Fuse Block - Underhood Fuses: BCM/ECM/CRUISE/ABS, Cruise Switch, IGN1 and Backup/Turn
Fuse Block - Underhood Fuses: BCM/ECM/CRUISE/ABS, Cruise Switch, IGN1 and Backup/Turn
DLC Schematics (2.2L)
DLC Schematics (3.0L)
G105, G103, G113, G107